전기차 엑셀, 어떻게 작동할까?

by SPECAL
1.JPG




자동차의 가속 페달, 흔히 엑셀레이터로 불리는 장치는 차량의 속도를 조절하는 역할을 합니다.


내연기관 자동차에서 액셀을 밟는다는 것은 흡입 공기량과 연료 분사량을 조절해 엔진의 출력을 증가시키는 과정이라는 사실은 간단합니다만, 엔진 대신 전기 모터로 구동되는 전기차에서는 엑셀의 역할이 어떻게 달라질까요?


전기차의 엑셀은 단순히 더 많은 전기를 흐르게 하는 것일까요? 아니면 복잡한 제어 알고리즘을 통해 전기 모터와 배터리 사이의 에너지 흐름을 조정하는 역할을 할까요?


사실 전기차와 내연기관차가 에너지를 사용하는 방식이 근본적으로 다르기 때문에 전기를 더 흘려주면 되는 거지라고 하기에는 정확히 어떻게 라는 질문에 답을 하기가 힘듭니다.


오늘은 내연기관차와 전기차의 엑셀 작동 원리를 비교하면서, 두 기술 사이의 근본적인 차이를 이야기해 보죠


1. 내연기관 기계식 엑셀의 원리

내연기관에서 엑셀러레이터(이하 엑셀)는 차량의 속도를 증가시키기 위해 연료와 공기의 혼합비를 조절하고, 엔진 출력을 변화시키는 핵심적인 역할을 합니다. 사실 연료 주입구를 더 여는 것이 핵심적인 역할인 것이죠


그렇다면 어떤 식으로 변화 왔을까요?


과거 내연기관 차량의 엑셀은 기계식 스로틀 케이블(Mechanical Throttle Cable) 방식을 사용했습니다.

다운로드.jpg

가속 페달과 스로틀 밸브가 물리적으로 연결되어, 운전자가 페달을 밟으면 케이블이 움직여 밸브를 여는 구조였습니다.


공기의 유입량을 엑셀을 통해 조절한 것이죠 페달을 밟는 각도에 따라 조절하는 간단한 기계장치였죠

그러나 현대의 내연기관 차량은 대부분 전자제어식 스로틀(Electronic Throttle Control, ETC) 방식으로 전환되었기에, 케이블로 조절하는 방식은 사장되었다 보시면 됩니다.



2. 내연기관 전자제어식 엑셀의 원리

전자제어식이 도입되며 이제 자동차 제어는 다른 방식이 적용됩니다.

다운로드.jpg

기본적인 원리는 위와 같고 조금 더 자세히 풀어보자면.

FAST-5-APS-Components.jpg


운전자가 액셀 페달을 밟으면, 엑셀의 움직임을 가속 페달 위치 센서(Accelerator Position Sensor, APS)에서 인식한 후 엔진 제어 유닛(ECU)에 정보를 전달합니다. 그리고 TPS(Throttle Position Sensor)에서 정보를 받아 최적의 개방량을 제어하는 것이죠


디젤과 가솔린의 방식에 따라 다르지만, 최대한 간단하게 설명하면 ECU의 제어 신호를 받은 연료 분사 장치(Fuel Injector)는 실린더로 정확한 양의 연료를 분사합니다. 이 연료는 흡입된 공기와 혼합되어 점화 플러그(Spark Plug)에 의해 점화되고, 연소 과정에서 발생한 폭발 에너지가 피스톤을 밀어내는 기계적 동력으로 전환된다 정도로 이해하시면 됩니다.


물론 여기에 수많은 자료들이 많지만 기본적인 원리는 이 정도로 이해하고 넘어가자고요


3. 전기차 엑셀의 동작원리

전기차에서 엑셀의 동작은 내연기관과 근본적으로 다릅니다. 비슷한 부분도 있지만 상이한 부분도 존재하죠


내연기관이 공기와 연료의 혼합비를 조절하여 엔진 출력을 증가시키는 데 초점이 맞춰져 있다면, 전기차는 배터리에서 전기모터로 전달되는 전력을 제어하여 차량의 가속도를 조절합니다.


문제는 이러한 전력을 어떤 방식으로 제어하는가 이게 핵심이겠죠


우선 운전자가 가속 페달을 밟으면, 가속 페달 위치 센서(APS, Accelerator Pedal Position Sensor)가 페달의 위치를 전기 신호로 변환합니다. 이 신호는 운전자의 의도를 정량적으로 표현하며, 전자 제어 장치(ECU 또는 VCU: Vehicle Control Unit)로 전달된다. 이기본적인 원리는 전기차와 내연기관이 동일합니다.


이제 질문은 이걸 전달해서 시스템에서 어떤 방식으로 제어를 하냐겠죠


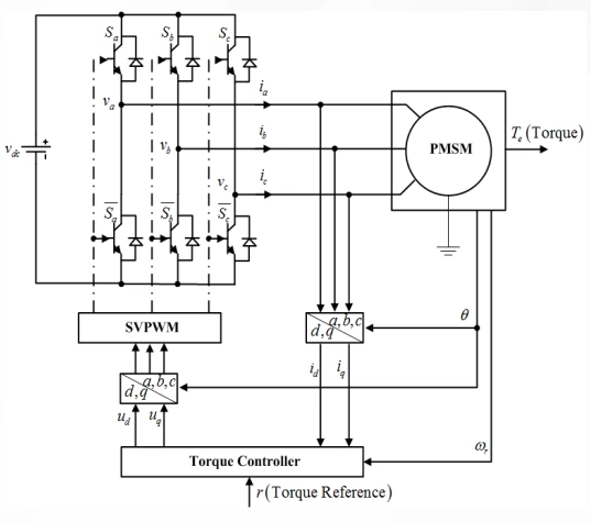
문제는 말이죠 여기서부터 머리가 아파집니다 현행 전기차 모터는 토크와 속도제어가 모두가능하고 속도를 높이는 방향성으로 진화해 왔습니다. 복잡한 약계자 제어 투스테이지 인버터는 제외하고 이야기를 풀어볼게요 원리상 정확히 합치하지는 않지만 일단은 봐보자고요


44캡처.PNG

우선 가장 기본적으로 제어를 하는 회로를 간략화시켜둔 겁니다. 네 간략화시켜둔 게 이 정도예요

가장 기본적인 원리를 봐볼까요?


시스템에서 받은 요구치에 따라. 배터리에서의 전력 출력 조정합니다. 이거 중요해요 전력출력입니다. 사실상 전압이 고정된 상태니까 전류로 제어하는 거예요 조금 더 설명해 보면


가속 페달 신호가 클수록 VCU는 배터리 관리 시스템(BMS)을 통해 더 높은 전류를 출력하도록 요청합니다. 배터리는 직류(DC) 전원을 공급하며, 출력 전압과 전류는 VCU에 의해 결정됩니다. 물론 여기까지는 직류의 형태로 인버터에 흘려라 라는 명령을 내리는 겁니다.


output.png

이론적으론 이런 느낌이라 할 수 있겠네요 우리는 가속을 위해 페달을 밟으면 일단 전류증가를 통해 전력량을 추가하여 흘려주는 겁니다.


오케이 이제 전력을 증가해서 에너지를 받았으니, 인버터에서 이전력을 가지고 놀아야겠죠?


전기차의 인버터는 배터리에서 공급받은 직류 전원을 전기 모터가 사용할 수 있는 교류(AC) 전원으로 변환합니다. 인버터는 모터의 속도와 토크를 제어하기 위해 PWM(Pulse Width Modulation) 기술을 사용하여 전압과 전류를 정밀하게 조절하는 겁니다.

output.png

만약 30km와 80km의 차이가 있다면 이런 형식으로 조절하는 겁니다.


어 전력을 늘었는데 진폭은 그대로네요? 그럼 단순히 주파수만 증가시키면 되는 거예요? 아니요

그것 만으로는 충분하지 않습니다.

다운로드.png

모터의 경우 정출력이더라도 속도가 높아지면 그만큼 토크가 감속합니다. 실제로 우리가 원하는 속도를 맞추기 위해서는 더 큰 전력이 필요하며, 결국 이를 위해 전류와 전압을 조정하여 모터에 더 많은 에너지를 공급해야 한다 정도로 이해하시면 됩니다.


물론 실제 제어 시에는 DQ변환 기반의 PWM을 활용하는데 이건 너무 이야기가 복잡해지니 이론적으로 주파수와 전류를 높여 속도를 적정한 점을 찾아 제어하는구나, 전기 모터의 토크 생성 인버터에서 변환된 교류 전력은 전기 모터로 전달되는 거 정도로 이해하셔도 무방합니다.


물론 고속영역에서 약계자 제어를 해 주고 기타 추가적인 모터 최적 제어, 난조 제어 기법이 복잡하게 녹아들어 있지만 이건 나중에 모터 편을 쓰면서 아예 각을 잡고 써야 하는 문제라서요


기본적으로 액셀을 밟으면 전류를 더 흘려 전력을 더 보내주고 그 더 들어간 전력을 인버터에서 제어해서 흘려준다 정도로 정리할 수 있겠네요.

keyword
이전 08화전기차 인휠모터는 실현 가능할까?