초량왜관의 가장 뚜렸한 유적 관수가

초량왜관 3편

by 김욱
1.jpg 재일동포 부주학 교수의 '초량왜관 건축과 역사적 경관 재현 연구' 논문 중 관수가 터의 유구 이미지


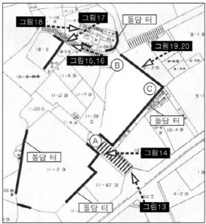
건물이 하나도 남아있지 않은 초량왜관에서 그나마 가장 뚜렸한 흔적을 남기고 있는 것이 바로 관수가다. 관수가는 거의 원형 그대로 보존된 계단뿐 아니라 계단 위 지적도에서도 그 흔적이 확인이 된다. 관수가 터의 현재 건물들은 관수가 돌담선을 따라 조성되어 있고 그 뒤 봉수대로 올라가는 계단(B지점)도 관수가 시대부터 있었던 계단이다.


2.jpg


관수가는 전문적인 연구자가 아닌 일반인의 눈으로도 그 흔적을 확인하는 것이 어렵지 않다. 관수가 위치를 찍은 사진이 구한말부터 일제시대까지 꽤 남아있어 그런 건데 계단을 기준으로 사진들을 살펴보면 건물들과 주변 모양이 조금 바뀌었을뿐 관수가 터는 그 형태가 그대로임을 알 수 있다.


관수가 위치가 사진으로 많이 남은 것은 이후 그 곳에 관청 건물이 들어섰기 때문이다. 일본은 초량왜관 자리에 전관거류지를 설치한 후 관수가에 부산 일본인 관리청을 세웠다. 이후 일본영사관으로 개축했고 을사보호조약 이후엔 부산이사청, 한일병탄 후엔 부산부청을 세워 1936년까지 사용했다. 일제시대 당시 관수가와 그 주변은 관청이 밀집한 지역이었다.


3.jpg


일본이 관수가에 지금의 부산부청(지금의 부산시청)을 세운 것은 관수가가 초량왜관에서 그만한 정치적·행정적 비중을 가진 공간이었기 때문이기도 하다. 관수가는 초량왜관 150여 동 건물 중 가장 핵심적 건물이었다. 매월 초하루와 보름에는 모두 관수가에 모여 축사를 하는 행사를 가졌다. 관수가의 주인인 관수는 초량왜관의 최고 책임자로 동행이 허락되는 직속 부하 표찰을 가장 많이 발급받았다. 대마도의 번사 중 톱클래스 가문에서 발탁되었고 임기는 원칙적으로 2년이었다.


가장 뚜렸한 유구를 남긴 관수가는 기록에서도 뚜렸한 유물을 남겼다. 관수의 중요한 임무 중 하나는 일기를 쓰는 것인데 관수의 일기 860책 정도가 일본 국회국립도서관에 보관되어 있다. 관수 일기를 보면 당시 초량왜관의 실상을 생생하고 자세히 느낄 수 있다. 17세기 후반 관수였던 후카미 단자에몽이 관수일기에 남긴 명령을 보면 분주히 왜관을 일을 처리하는 관수의 모습이 떠오른다.


"집집마다 불조심하라고 소리를 지를 것이며, 그 대답을 반드시 듣도록 할 것. 왔다 갔다 하는 하인들의 표찰을 확인해 보고, 왕래찰을 소지하지 않은 사람이 있으면 관수에게 보고할 것. 조선인은 말할 것도 없고, 불을 지르는 행위, 도박·도둑질 등을 하고 있는 사람을 발견하면, 그 즉시 붙잡을 것. 이 밖에도 수상한 모습을 하고 있는 사람이 눈에 뜨이면 빠뜨리지 말고 신고를 하도록 집안에 있는 사람들한테도 엄중 주의를 줄 것."


4.jpg


롯데백화점 전망대에서 본 용두산일대 모습이다. 사진 맨 아래 크게 차지하고 있는 건물은 부산데파트인데 초량왜관 당시엔 그 뒤 도로까지가 바다였다. 용두산 바로 아래 노란색 부산호텔 건물과 그 옆으로 병풍처럼 펼쳐진 두개의 흰색 건물로 이어지는 그 일대는 초량왜관 주요 3대청이 모인 곳이다. 사진의 노란색 화살표 지점이 바로 관수가다. 초량왜관 당시엔 용두산을 뒤로 하고 가장 높게 위치한 곳이었다.



5.jpg


롯데백화점 전망대에서 본 흰색의 두 건물이 사진 속 yaja호텔과 아로마호텔이다. 그 사이 오른쪽 부촌이란 간판을 달고 있는 이 음식점이 바로 관수가의 자리다.


6.jpg


1995년 왜관 터를 조사하기 위해 한국을 찾은 <왜관>의 저자 다시로 가즈이가 여기서 한국인 연구자들과 함께 점심을 먹었던 적이 있다. 그때 한국 쪽 연구자 한 사람의 "우리들이 지금 왜관 안으로 들어와 걷고 있군요"라는 말을 떠올리면서 다시로 가즈이는 그 말이 푸르른 가을 하늘에 울려퍼졌다며 당시 감회를 책 <왜관>한국어판에 적고있다.


7.jpg


관수가에서 봉화대로 올라가는 이 계단도 초량왜관의 흔적이다. 이 계단은 용두산공원으로 통하고 있다.


8.jpg


관수가 앞 계단이다. 지금은 건물들에 시야가 막혔지만 초량왜관 당시엔 여기서 동관 일대와 바다까지 조망할 수 있었다. 관수가 계단에서 그 방향 그대로 직선을 그으면 대마도의 사스나항에 닿게 된다. 부산과 대마도를 오가는 배를 볼 수 있도록 관수가의 방향을 잡은 것이다.


이 곳 주민들은 이 계단을 '구 일본영사관 계단'으로 부른다. 적어도 주민들은 120년 전의 역사를 기억해주고 있다. 그런데 부산 중구청이 이 계단의 중앙에 보행용 난간을 그대로 박아버렸다. 다른 방법은 없었을까? 120년을 버틴 가장 뚜렸했던 초량왜관의 유적이 쇠말뚝에 빛을 잃고 말았다.


9.jpg 한일병탄 전 부산이사청 때 사진. 부산경찰서 앞에 태극기와 일장기가 나란히 걸려있다.


부산부청 바로 옆 건물은 부산경찰서였다. 1920년 9월 4일 이곳에서 커다란 폭발이 일어났다. 박재혁 의사가 서장에게 폭탄을 투척한 의거를 감행한 것이다. 서장 하시모토를 사살하고 체포된 박재혁 의사는 그후 단식을 하다 형무소에서 폐병을 얻어 1921년 5월 11일 27세 나이로 순국했다.


부산의 한국인에게 동광동 2가 11번지 일대는 억압의 공간이었다. 부산경찰서에선 독립운동가들이 투옥되고 고문당했다. 초량왜관은 조선의 감시와 통제를 받은 외교와 무역의 장소였고 부산부청은 일제의 지배기구였다. 그 성격이 전혀 달랐지만 초량왜관에서 일제의 지배공간으로 이어지다보니 그걸 구분할 여유가 우리에겐 없었다.


일본은 이미 70여년 전에 물러갔다. 오히려 지금은 한류에 열광하는 일본인들이 이 거리를 찾고 있다. 초량왜관은 스토리와 규모로 볼 때 세계적으로 찾기힘든 독특한 유적이다. 더 늦기 전에 동광동 2가 11번지에서 교류의 기억을 떠올려야 할 것이다.


10.jpg 사진으로 보는 관수가의 변천.


keyword
이전 02화부산 동광동엔 왜 일본인들이 많을까?