brunch

교류와 직류 흐름을 관리하는 인버터의 기본 원리

모터에서 나오는 출력을 조절하기 위해 첨단 반도체가 적용되고 있다.

by 이정원

인버터는 직류를 교류로 바꾸는 전력 변환 장치다. 전기차에서는 배터리에 충전되어 나오는 직류 전원으로 교류로 동작하는 모터를 돌려주기 위해 쓰인다. 변환 방법과 제어 회로에 따라서 원하는 전압과 주파수 출력값을 얻을 수 있어 궁극적으로 모터를 구동하는 출력을 제어하는 역할을 한다.


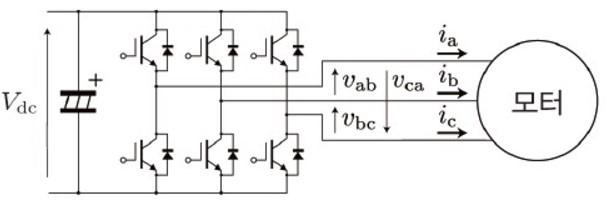
인버터 회로도.jpg 3상 모터 제어를 위한 인버터의 기본 회로도


대부분의 전기차용 교류 모터는 3 상전압으로 구동되기 때문에 직류를 3상으로 만들어 줄 필요가 있다. 전압형 인버터에는 제어가 가능한 트랜지스터를 3개를 직렬로 연결하고 한쪽에는 직류 전압원을 출력부에는 모터를 연결한다. 3개의 디바이스에서 직류 전류의 방향과 통전되는 PWM폭을 조절해서 합쳐진 신호가 마치 교류 전압처럼 형성이 되도록 만들어 준다. 이렇게 전달된 전류는 모터를 구동하는 동력으로 사용된다.


PWM에 의한 파형 생성.jpg 직류 전원의 방향과 펄스의 폭을 조절해서 교류처럼 만들어 준다.



엔진 자동차에서는 ECU가 운전자의 가속 페달 혹은 ADAS 시스템으로부터 엔진이 생성해야 하는 토크를 계산해서 필요한 공기량을 쓰로틀 밸브로 조정한다. 마찬가지로 전기차에서도 모터가 내야 하는 토크를 운전자의 가속 페달 센서나 브레이크 페달 강도를 확인하고 배터리 상태에 따라 시스템이 원하는 동력을 계산해 인버터가 모터에 전달하도록 하는 통합전력제어장치가 에너지 흐름을 관리한다.


인버터의 역할 구체적.jpg 구동모터의 토크를 제어하는 로직

인버터의 효율을 향상하면, 전기차의 동력 전달 효율이 개선된다. 동력 전달 성능을 개선하기 위해 트랜지스터 자리에 실리콘 전력반도체를 적용하는 것이 기본이 되고 있다. 테슬라는 2018년 모델 3 인버터에 ST의 실리콘카바이드(SiC) MOSFET 모듈 24개를 탑재해 인버터 부피 및 무게를 줄이고 에너지 효율을 높였다. 전기차 보급이 늘어나면서 성능 좋은 전력 반도체에 대한 수요도 빠르게 상승하고 있다.

차량용 전력 반도체 이미지.jpg 자동차에 적용되는 차량용 반도체 이미지 - LX세미콘 홈페이지 참조



keyword
매거진의 이전글전기 에너지가 흐르는 길목을 지키는 고전압 릴레이들