교육과 기술의 첫 만남

PLATO 이야기

by 쑥갓선생
PLATO IV Terminal, ca. 1972-74. Credit: University of Illinois Archives

밝고 선명한 그래픽, 반응하는 터치스크린, 매끄럽게 흘러나오는 음성, 메시지를 주고받는 앱, 그리고 게임과 교육 소프트웨어.

지금 여러분이 떠올린 것은 아마도 현대의 태블릿, 아니면 아이패드일 것입니다. 하지만 이 이야기는 1970년대 중반, PLATO라 불리던 놀라운 시스템에 관한 것입니다.

PLATO는 텔레타이프나 펀치 카드 같은 시대의 기술과는 전혀 다른 차원의 혁신이었습니다. 50년도 더 전, 만약 당신이 일리노이 대학 어바나-샴페인 근처를 지나고 있었다면, 미래의 한 조각을 마주할 기회를 얻었을지도 모릅니다. 우리가 오늘 당연하게 누리는 많은 기술의 씨앗이 바로 그곳에서 심어졌고, 그중 몇 가지는 오늘날까지도 완전히 재현되지 않았습니다.

우주 경쟁과 PLATO의 시작

1959년, UIUC의 전기공학도 도널드 비처는 단순히 회로를 설계하는 데 머물지 않았습니다. 그의 마음은 이미 기술의 경계를 넘어 있었다고 합니다.

“당시 고등학교 졸업생의 절반이 사실상 문맹이라는 말을 듣고 큰 충격을 받았습니다. 그리고 저희 연구소의 챌머스 셔윈 박사는 두려움 없이 질문하는 분이었죠. 어느 날, 그가 이렇게 물었습니다.

‘왜 컴퓨터를 교육에 활용하지 않는 거지?’”

그 질문은 단순했지만, 번뜩이는 빛처럼 강렬했습니다. 셔윈이 상상한 것은 ‘피드백을 줄 수 있는 책’이었습니다. 학생과 대화하며 배우는 방식 자체를 바꿀 수 있는 도구. 그 비전은, 냉전과 스푸트니크 충격으로 과학과 기술을 절실히 필요로 하던 시대와 정확히 맞아떨어졌습니다.

셔윈의 아이디어는 엔지니어, 교육자, 수학자, 심리학자들을 한데 모았습니다. 그러나 초기 논의는 한계에 부딪혔습니다. 교육 전문가들은 기술의 가능성을 알지 못했고, 기술 전문가들은 교육의 본질을 이해하지 못했기 때문입니다.

우연에서 태어난 혁신

모든 논의가 실패로 끝나기 직전, 알퍼트는 도널드 비처와 대화를 나누게 됩니다. 비처는 당시 UIUC가 보유하고 있던 ILLIAC I 컴퓨터와 오래된 레이더 장비를 활용해 새로운 인터페이스를 구상하고 있었습니다. 이 구상이 단순한 연구의 틀을 넘어섰다는 것을 알아차린 알퍼트는, 미 육군에서 지원받은 자금을 비처에게 맡겼습니다. 그리고 단 2주 동안의 실험 끝에, PLATO라는 새로운 가능성이 모습을 드러냈습니다.

PLATO의 핵심은 단순했습니다. 학생이 컴퓨터와 대화를 나누며 학습하는 시스템. 그러나 그것은 단순한 교육 시스템이 아니었습니다. PLATO는 단지 사람들을 배우게 하는 데 그치지 않고, 기술과 인간의 만남을 통해 더 나은 미래를 꿈꿀 수 있게 했습니다.

PLATO I terminal in 1960. Credit: The Wide World of Computer-Based Education (Bitzer, 1976)

초기의 PLATO 시스템 화면은 겉보기에는 단순히 평범한 TV 세트를 개조한 것에 지나지 않았습니다. 그러나 그 속에 담긴 가능성은 그 단순함을 훨씬 뛰어넘는 것이었습니다. 화면에는 자가 유지형 저장관(display tube)이라 불리는 특별한 장치가 내장되어 있었고, 여기에 해군 전술 방어 시스템(Naval Tactical Defense System)에서 사용되던 소형 키패드가 연결되어 있었습니다.

화면 위에는 ILLIAC 컴퓨터가 제어하는 프로젝터를 통해 슬라이드가 투사되었으며, 학생들은 키패드를 이용해 이 슬라이드를 넘기고 조작할 수 있었습니다. 마치 한 권의 책처럼 화면은 그들 앞에 펼쳐졌습니다. 그러나 PLATO가 단순히 투사된 이미지를 보여주는 데 그쳤다면, 그것은 진정한 혁신이라 부를 수 없었을 것입니다.

이 시스템의 가장 놀라운 점은 ILLIAC 컴퓨터가 제공한 추가적인 기능에 있었습니다. 벡터 그래픽과 텍스트를 슬라이드 위에 겹쳐 표시할 수 있는 이 기능은, 초당 최대 45자를 출력하며 당시로서는 상상조차 어려운 혁신으로 여겨졌습니다. 비처와 브라운펠드는 이 기능을 “전자 칠판(electronic blackboard)”이라 불렀습니다.

그러나 이 전자 칠판은 단순히 글자와 이미지를 보여주는 도구에 머물지 않았습니다. 그것은 학생들과 시스템 간의 실시간 상호작용을 가능하게 한 창(窓)이었습니다. 화면 위에 떠오르는 텍스트와 선들은 단순한 기계적 출력이 아니라, 학생들의 생각과 반응을 읽고, 이에 대답하며, 또다시 질문을 던지는 새로운 형태의 대화였습니다.

PLATO의 이 작은 화면은 단지 텔레비전의 개조품이 아니라, 교육의 미래를 담아낸 창문이라 할 수 있었습니다.

PLATO II block diagram. Credit: US Office of Naval Research's Digital Computer Newsletter, 1961-1962

당시 대부분의 컴퓨터는 단일 작업을 한꺼번에 처리하는 배치(batch) 처리 방식으로 작동하고 있었습니다. 명령어를 모아 실행한 뒤, 결과를 기다리는 방식이었지요. 컴퓨터와 인간은 서로를 마주보며 대화하기보다는, 멀리 떨어져 서로의 차례를 기다리고 있을 뿐이었습니다. 그러나 PLATO는 그 고요한 침묵을 깨트렸습니다.

학생들이 입력한 내용을 화면에서 즉시 확인하고, 시스템이 이에 반응하는 실시간 상호작용의 경험. 그것은 당시로서는 상상조차 어려운 일이었습니다. 1960년, 이 혁신적인 시스템은 비로소 ‘PLATO’라는 이름을 얻게 되었으며, 곧 “Programmed Logic for Automatic Teaching Operations(자동 교육 작업을 위한 프로그래밍 논리)”라는 이름의 의미가 더해졌습니다.

초기의 PLATO 시스템은 한 번에 단 한 명의 사용자만을 지원할 수 있었습니다. 그러나 그 단순한 프로토타입은 작동했고, 이는 성공적이었습니다. 이 작은 출발은 단지 기술의 가능성을 증명하는 것이 아니라, 교육과 기술이 결합될 수 있음을 보여준 역사적인 첫걸음이었습니다. 그리고 그 작고 조용한 시작은 곧 더 큰 가능성으로 확장되기 시작했습니다.

PLATO II terminal in 1961. Credit: A Little History of e-Learning (preprint, Cope & Kalantzis, 2021)

PLATO II: 학습의 새로운 지평

1961년에 등장한 PLATO II는 그야말로 변혁의 시작이었습니다. 이제 학생들은 간단한 키패드에서 벗어나 알파벳과 숫자를 모두 입력할 수 있는 키보드를 사용할 수 있게 되었으며, 이전에 사용되던 특별 키들은 학습 과정에 더 큰 직관성과 능동성을 불어넣었습니다.

이 특별 키들 중 몇 가지는 학생과 컴퓨터 사이의 새로운 관계를 상징하는 듯했습니다.

• CONTINUE: 다음 슬라이드로 이동

• REVERSE: 이전 슬라이드로 돌아가기

• JUDGE: 입력한 답이 정답인지 확인

• HELP: 추가 자료나 정답을 제공

• 그리고 가장 독창적인 키, AHA 키: 문제의 해답이 갑자기 떠올랐을 때 그 깨달음을 즉시 기록할 수 있도록 설계된 버튼이었습니다.

특히 AHA 키는 단순한 학습 보조 도구를 넘어, 학습자의 깨달음 순간을 시스템과 공유할 수 있게 설계된 상호작용의 상징이었습니다. 이 키는 학생들이 단순히 문제를 풀어나가는 존재에서 배우고 생각하는 주체로 자리매김할 수 있음을 보여주었습니다.

PLATO II의 가장 큰 도약: 타임 셰어링

PLATO II가 이룩한 또 다른 혁신은 타임 셰어링(time-sharing) 기술의 도입이었습니다. 이제 여러 명의 학생이 동시에 시스템을 사용할 수 있는 환경이 마련되었습니다. 더 이상 PLATO I처럼 한 번에 한 명씩만 사용할 수 있는 제한된 시스템은 아니었습니다.

물론 한계는 존재했습니다. 당시 ILLIAC 컴퓨터의 메모리는 여전히 제한적이어서, 동시에 두 명의 사용자만 지원할 수 있었습니다. 그러나 이 작은 발전은 거대한 가능성을 열었습니다. 학생들은 시스템을 함께 사용하며 학습의 경험을 공유할 수 있게 되었고, 학습은 더 이상 개인의 고독한 과정이 아니게 되었습니다.

PLATO III와 새로운 가능성

1963년, ILLIAC I의 퇴역과 함께 PLATO는 또 한 번의 도약을 준비했습니다. PLATO III의 새로운 아키텍처는 약 6년간의 개발 과정을 거쳤으며, 이는 Control Data Corporation(CDC)의 CEO였던 윌리엄 노리스(William Norris)가 개조된 CDC 1604 컴퓨터를 기증하며 시작되었습니다. 노리스는 교육 기회를 확대하여 사회에 긍정적인 영향을 미칠 수 있다고 믿었고, PLATO 프로젝트에 깊은 관심을 보였습니다.

기증된 CDC 1604-C는 208 kHz 클럭 속도와 32,768개의 48비트 워드를 저장할 수 있는 성능을 갖추고 있었습니다. 각 워드는 두 개의 24비트 명령어를 인코딩할 수 있었으며, 이 성능 덕분에 PLATO는 더 정교하고 대규모 학급에서도 사용할 수 있는 학습 자료를 제공할 수 있게 되었습니다.

TUTOR 언어: 교육을 위한 도구

PLATO III의 또 다른 혁신은 완전히 새로운 시스템 소프트웨어, TUTOR 언어의 탄생이었습니다. 당시 여러 그래픽 터미널을 동시에 처리할 수 있는 소프트웨어는 존재하지 않았기 때문에, 완전히 새로운 도구가 필요했습니다. 1967년, 컴퓨터 기반 교육 연구소(CERL)에서 개발된 TUTOR는 이 요구를 충족시켰습니다.

비처는 TUTOR의 목표를 이렇게 설명했습니다.

“수업 자료를 만드는 교사가 컴퓨터 전문가가 될 필요는 없습니다.”

이전 PLATO 시스템에서 사용되던 FORTRAN은 복잡하여 교사들이 다루기 어려웠습니다. 그러나 PLATO의 설계자 폴 텐차르(Paul Tenczar)는 이를 단순화하고자, 그래픽 디스플레이를 활용한 교육 시스템에 적합한 “쉽고 직관적인 언어”를 개발했습니다.

TUTOR는 명령형(imperative) 언어의 특성을 기반으로 하되, 일부 선언형(declarative) 요소도 포함하고 있었습니다. 이를 통해 교사는 수업 순서, 화면에 표시할 내용, 정답, 보조 텍스트 등을 쉽게 설정할 수 있었습니다. 1969년에 발행된 TUTOR 매뉴얼은 이 언어의 사용법을 구체적으로 설명하며, 누구나 쉽게 이해할 수 있도록 사례를 제시했습니다.

TUTOR는 복잡성을 줄이고 효율적인 교육 콘텐츠 제작을 가능하게 한 혁신적인 도구였으며, PLATO가 단순한 기술적 혁신을 넘어 교육의 미래를 열 수 있었던 밑바탕이 되었습니다.

PLATO III와 TUTOR의 탄생

PLATO III와 TUTOR의 개발은 단순한 기술의 발전을 넘어, 교육의 본질을 바꾸는 근본적인 변화를 가져왔습니다. 이제 교사들은 복잡한 프로그래밍 기술에 의존하지 않고도 직접 수업 자료를 설계하고, 학생들과 실시간으로 상호작용할 수 있는 도구를 갖게 되었습니다. 이는 교육 현장에서 기술이 실제로 활용될 수 있는 가능성을 보여준 중요한 전환점이었습니다.

TUTOR 언어는 이러한 혁신의 중심에 자리하고 있었습니다. 당시 기술적 제약을 고려하여 설계된 이 언어는 필드 기반 구조와 유닛 지향성이라는 특징을 가지고 있었습니다. 유닛은 마치 하나의 슬라이드처럼 작동하며, 특정 슬라이드를 호출하거나 위치를 지정할 수 있었습니다. 예를 들어, WHERE, PLOT, WRITE 명령을 사용해 텍스트와 그림의 위치를 정의하고, LINE 명령으로 그림을 그릴 수 있었습니다. 또한, HELP, NEXT, BACK 명령은 학습 흐름을 유닛 간에 연결할 수 있도록 설계되었습니다.

특히, TUTOR는 학생들과의 상호작용을 세심하게 설계했습니다. 화면의 특정 위치에서 입력을 받을 수 있는 “화살표(arrow)“를 정의하여, 정답(ANS), 반드시 포함되어야 할 단어(MUST), 중요하지 않은 단어(DIDDL), 포함될 수 없는 잘못된 단어(CANT)를 설정할 수 있었습니다. 이를 통해 부정확한 답변까지도 포괄적으로 관리할 수 있었습니다.

또한, PLATO 시스템은 단순히 정답을 제시하는 것을 넘어 학생 스스로 오류를 발견하고 수정할 수 있도록 설계되었습니다. 예를 들어, SPELL 명령은 철자 오류를 감지하고 이를 교정할 수 있는 기능을 제공했습니다. 학생당 최대 63개의 변수를 문자열, 정수, 부동소수점 형태로 저장할 수 있었으며, CALC 명령을 통해 계산 작업도 수행할 수 있었습니다. 이러한 기능들은 나중에 널리 알려지게 된 PILOT 언어와 일부 유사한 점을 보였지만, TUTOR는 당시 학습 콘텐츠 제작의 새로운 기준을 제시한 독창적인 도구로 자리 잡았습니다.

편집 모드(author mode)

PLATO 터미널은 교사들에게 “저자 모드”라는 특별한 편집 기능을 제공했습니다. 이는 오늘날의 “Moodle 편집모드”와 유사한 개념으로, 교사가 수업 자료를 직접 작성하고 편집할 수 있는 강력한 도구였습니다. 저자 모드는 단일 전역 비밀번호로 보호되었으며, 매뉴얼에서는 교사들에게 “학생이나 권한 없는 사람이 저자 모드로 전환하는 방법을 보지 못하게 하라”고 경고할 정도로 보안이 강조되었습니다.

저자 모드를 활용하면 데이터를 디스크 팩이나 자기 테이프에 저장하거나 불러올 수 있었고, 학생들의 학습 진행 상황을 모니터링하거나 출력할 수도 있었습니다. 또한, 교사는 학생 계정으로 직접 로그인해 수업을 시연해볼 수도 있었습니다.

이러한 기능들은 PLATO 시스템이 단순한 학습 도구를 넘어 진정한 교육 플랫폼으로 자리 잡는 데 결정적인 역할을 했습니다. 교사는 더 이상 기술의 제약에 얽매이지 않고, 학생 중심의 학습 환경을 창조하는 주체가 될 수 있었습니다. PLATO III와 TUTOR는 기술과 교육이 만나 빚어낸 혁신의 산물이었으며, 이후 교육 기술의 발전을 이끄는 초석이 되었습니다.

Mona Lisa TUTOR example in action. Credit: A Little History of e-Learning (preprint, Cope & Kalantzi

PLATO III는 CDC 1604 컴퓨터에 최대 20명의 사용자가 동시에 접속할 수 있었습니다. PLATO III 터미널 중 최초로 대학 외부에 설치된 것은 일리노이 주의 수도 스프링필드에 위치한 스프링필드 고등학교였습니다. 이 터미널은 전용 비디오 다운링크와 키보드 데이터 업링크를 통해 연결되었습니다.

이후 PLATO III는 대학뿐만 아니라 지역 간호 학교, 초등학교, 그리고 커뮤니티 칼리지에서도 사용되었습니다. 1970년까지 PLATO 시스템에는 720시간 이상의 코스웨어가 제공되었으며, 이를 통해 더 다양한 학습자에게 교육 자료를 제공할 수 있었습니다.

PLATO III terminal in 1969. Credit: X-4 Tutor Manual (Avner & Tenczar, 1969)

PLATO III가 단순히 교육용 시스템으로만 사용된 것은 아니었습니다. 1962년 PDP-1에서 처음 등장한 고전적인 우주 전투 게임 Spacewar!는 큰 인기를 끌었고, 1969년에는 리처드 블롬(Richard Blomme)이 이를 PLATO 네트워크로 이식하였습니다. 그는 기존의 벡터 그래픽 대신 사용자 정의 문자 그래픽을 활용하여 우주선을 표현했습니다. 플레이어들은 네트워크를 통해 서로 대결을 벌일 수 있었으며, “빅 보드(Big Board)”라는 기능을 통해 상대를 선택하고 경기를 진행했습니다.

이 게임은 PLATO 사용자들 사이에서 인기를 끌기 시작한 여러 게임 중 하나일 뿐이었습니다. PLATO의 네트워크는 단순히 학습의 장을 넘어, 사용자들에게 새로운 즐거움과 상호작용의 경험을 제공하는 공간으로 확장되었던 것입니다.

PLATO IV: 새로운 여정

PLATO 시스템의 진정한 대중화를 이끈 것은 PLATO IV였습니다. CDC(콘트롤 데이터 코퍼레이션)의 윌리엄 노리스는 PLATO의 확장 가능성에 꾸준히 주목하며, 1968년에 UIUC에 CDC 6400을 설치하였습니다. 이 컴퓨터는 CDC 6600의 소형 버전으로, 당시 세계 최초의 성공적인 슈퍼컴퓨터로 평가받던 CDC 6600의 기술적 우수성을 그대로 이어받았습니다.

CDC 6600은 최초로 로드-스토어 아키텍처를 도입했으며, 10개의 병렬 기능 유닛을 갖추어 IBM의 7030 Stretch를 능가하는 성능을 자랑했습니다. 1964년부터 1969년까지 세계에서 가장 빠른 컴퓨터로 자리 잡았던 CDC 6600은 10MHz 클럭 속도에서 최대 3메가플롭스를 기록하며 컴퓨팅의 역사를 새로 썼습니다. 그 후속 모델인 CDC 7600이 등장하면서 자리를 내주긴 했지만, CDC 6400은 그 기술적 유산을 고스란히 이어받아 PLATO 프로젝트의 다음 단계를 실현하기에 충분한 성능을 제공했습니다.

CDC 6400은 CDC 6600과 동일한 메모리와 I/O, 출력 기능을 갖추고 있었으며, 소프트웨어 호환성도 유지되었습니다. 다만 차이점이라면 단일 통합 ALU를 사용했다는 점뿐이었습니다. 노리스는 시스템을 완전히 무료로 제공할 수는 없었지만, 도널드 비처와 다니엘 알퍼트와의 논의 끝에 CDC 경영진을 설득하여 첫해는 무료 사용을 허용하고, 이후 할부 방식으로 비용을 지불하는 조건을 받아들였습니다.

새로운 가능성으로의 도약

가장 중요한 진전은, PLATO III의 성공 덕분에 국립과학재단(NSF)으로부터 컴퓨터 기반 교육 연구소(CERL) 내 비처의 그룹에 대한 전용 자금 지원이 확보되었다는 점이었습니다. NSF는 새로운 시스템이 최소 300개의 터미널을 지원할 수 있어야 한다는 조건을 제시했습니다.

이에 따라, TUTOR 런타임은 확장되고 CDC 6400으로 포팅되었습니다. 충분한 백엔드 성능을 확보한 상태에서, 비처는 프론트엔드 기능을 대폭 강화하기 시작했습니다. 이 과정은 PLATO 시스템이 단순히 컴퓨터 기반 교육의 선구자로 남는 것을 넘어, 사용자 경험과 확장 가능성을 중심으로 한 진정한 혁신의 길로 나아가는 시작이 되었습니다.

PLATO IV는 단순히 학습 시스템을 뛰어넘어, 기술적 가능성과 교육적 비전을 통합하여 미래를 향한 새로운 여정을 열어갔습니다.

A common Magnavox-manufactured PLATO IV student terminal in 1971. Credit: The PLATO IV Architecture

기존의 음극선 저장관(cathode-ray storage tube)은 PLATO IV와 함께 역사의 뒤안길로 사라졌습니다. 대신, PLATO IV의 가장 주목할 만한 혁신이자 지속적으로 기억될 특징은 바로 512×512 비트맵 가스 플라즈마 디스플레이였습니다.

이 디스플레이는 1964년 도널드 비처와 전기공학 교수인 진 슬롯토(Gene Slottow), 그리고 대학원생 로버트 윌슨(Robert Willson)이 처음 개발한 것으로, 1971년 오웬스-일리노이(Owens-Illinois)라는 유리 제조업체가 상용화했습니다. 8.5인치 정사각형 Digivue 디스플레이는 기존의 저장관 기술이 가진 모든 장점을 유지하면서도, 내구성이 뛰어나고 평면 설계로 구현되었으며, 선명하고 높은 대비를 제공했습니다.

특히, 이 디스플레이는 별도의 메모리나 화면 새로 고침 회로 없이 작동하여 효율성을 극대화했습니다. 내장된 문자 및 선 생성기를 통해 하드웨어 지원 그래픽을 구현했으며, 초당 180개의 문자와 600라인 인치를 출력할 수 있는 성능을 자랑했습니다. 또한, 8×16 크기의 252글리프 문자 세트를 사용하여 당시로서는 놀라운 수준의 그래픽 표현력을 제공했습니다.

디지털 이모지의 탄생

1972년, PLATO 시스템에서 일하던 학생 인턴 브루스 파렐로(Bruce Parello)는 이 문자 세트를 활용하여 최초의 디지털 이모지를 만들어냈습니다. 오늘날 우리가 사용하는 디지털 상징들의 시작점이라 할 수 있는 이 작은 혁신은 PLATO 디스플레이가 제공한 그래픽 기술의 또 다른 가능성을 보여준 사례였습니다.

투명성과 확장성

이 디스플레이는 투명하게 설계되어 여전히 프로젝터의 슬라이드와 겹쳐 사용할 수 있었습니다. 프로젝터 역시 4×4인치 마이크로피시를 사용하는 방식으로 업그레이드되었으며, 이를 통해 학습 자료를 더욱 효과적으로 제공할 수 있었습니다.

한편, 주황색 단색 가스 플라즈마 디스플레이는 PLATO IV 이후 1980년대와 1990년대 초반까지 Compaq Portable 386, IBM P75, 그리고 Solbourne S3000과 같은 평면 휴대용 워크스테이션에서도 사용되며 꾸준한 인기를 끌었습니다. 비슷한 기술로 개발된 Panaplex 스타일 도트 매트릭스 플라즈마 디스플레이는 핀볼 머신과 같은 오락기기에서 널리 사용되었으나, 이후 고휘도 LED 기술이 등장하면서 대체되었습니다.

PLATO IV의 가스 플라즈마 디스플레이는 단순히 기술적 진보를 넘어서, 교육과 정보 제공 방식의 혁신을 이끌어냈습니다. 이 디스플레이는 PLATO 시스템의 심장부에서 학습자들에게 풍부한 시각적 경험을 제공하며, 오늘날의 디지털 디스플레이 기술의 기초를 닦는 데 기여했습니다.

A later 1974 PLATO IV student terminal(Eastwood & Ballard, 1975)

터치패널의 탄생

사용자 인터페이스 역시 PLATO IV에서 대폭 개선되었습니다. 새롭게 개편된 키보드뿐만 아니라, 디스플레이에는 16×16 적외선 터치 패널이 추가되어 학생들이 화면 상의 요소와 직접 상호작용할 수 있게 되었습니다. 이는 단순히 입력 방식을 혁신한 것에 그치지 않고, 학습자와 시스템 간의 상호작용을 한 단계 더 발전시키는 계기가 되었습니다.

또한, PLATO IV는 음향 기술도 도입했지만, 초기 단계에서는 큰 성공을 거두지는 못했습니다. 터미널마다 공압식으로 제어되는 자기 디스크가 최대 17분 분량의 아날로그 오디오와 4,096개의 랜덤 액세스 인덱스 포인트를 저장할 수 있었습니다. 그러나 이 시스템은 신뢰성이 낮아 1980년 업그레이드 이전까지는 실질적으로 활용도가 떨어졌습니다. 이 때문에 1972년 사양서에서도 해당 기능은 “선택 사항”으로 명시되었습니다.

향후 확장을 가능케 한 클라이언트 I/O 채널

다행히도 PLATO IV는 추가적인 클라이언트 I/O 채널을 통해 미래의 확장 가능성을 열어두었습니다. 이러한 유연한 설계 덕분에 다양한 장치들이 시스템에 통합될 수 있었습니다. 예를 들어, 오디오 디스크와 연결된 병렬 포트는 1974년 Gooch Synthetic Woodwinds라는 간단한 4성부 음악 신디사이저, 이후 이를 확장한 PLATO V용 16성부 Gooch Cybernetic Synthesizer, 그리고 Votrax 음성 합성기와 같은 장치들과 연동되었습니다.

이러한 장치들은 PLATO 시스템의 기능을 단순한 교육 도구에서 멀티미디어 플랫폼으로 확장시키는 데 중요한 역할을 했습니다. 특히 음악 신디사이저와 음성 합성 기술은 당시로서는 획기적인 발전이었으며, PLATO IV가 단지 현재의 요구를 충족하는 데 그치지 않고, 미래를 위한 기반을 마련했음을 보여줍니다.

PLATO IV의 이러한 유연성과 확장 가능성은 그 자체로 하나의 혁신이었습니다. 이는 교육 기술이 단순히 도구로서 머무는 것이 아니라, 다양한 방식으로 발전 가능성을 열어두는 시스템 설계의 중요성을 입증한 사례라 할 수 있습니다.

PLATO IV network diagram. Credit: The Plato IV Architecture (Stifle, 1971, revised 1972)

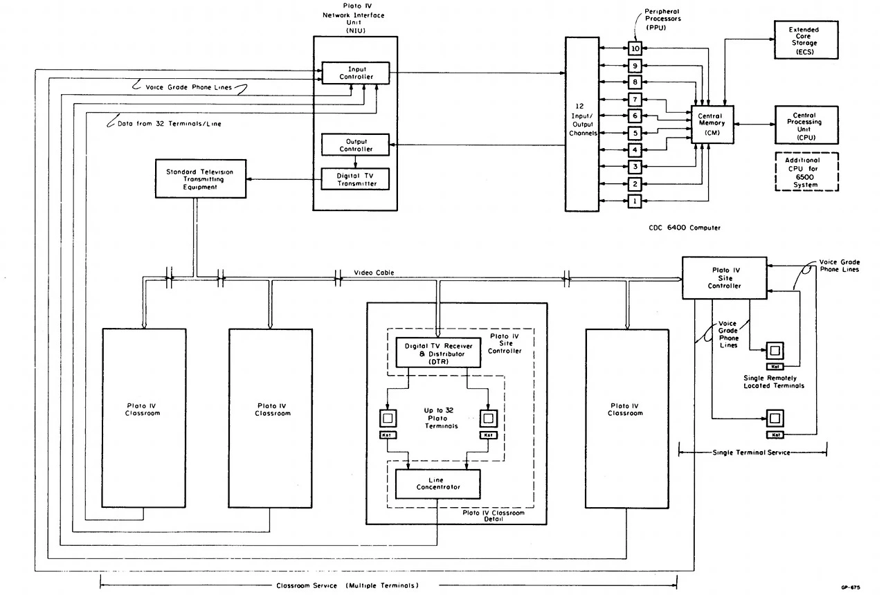
PLATO IV: 원격 학습의 새로운 지평

PLATO IV에서 이루어진 가장 혁신적인 도약 중 하나는 단연 원격 기능의 대규모 확장이었습니다. 이 시스템은 CDC 6400에 연결된 맞춤형 네트워크 인터페이스 유닛(NIU)을 중심으로 새로운 네트워킹 기술을 도입했습니다. 서버 측에서는 방대한 양의 코스 데이터가 75메가워드 하드 디스크와 32메가워드 디스크 팩 3개에 저장되었습니다. 학생 세션을 실행하기 위해 이 데이터는 CDC 6400의 64킬로워드 중앙 메모리와 2메가워드 확장 코어 메모리로 로드되었으며, 성능 향상을 위해 확장 코어 메모리는 디스크 스왑 공간으로 활용되었습니다.

혁신적인 네트워크 설계

다운링크는 아날로그 NTSC 케이블 텔레비전을 통해 고대역폭으로 이루어졌습니다. 디지털 TV 수신기와 배포 시스템은 신호를 디멀티플렉싱하고, 여러 교실 노드에서 터미널에 초당 1260bps 속도로 데이터를 전달했습니다. 각 터미널은 이러한 명령 스트림을 수신해 플라즈마 디스플레이와 프로젝터로 전달했으며, 자체적으로 이미지를 유지할 수 있었기에 별도의 메모리나 CPU를 필요로 하지 않았습니다.

업링크는 터미널에서 생성된 저대역폭 신호를 노드의 컨센트레이터(concentrator)로 보내는 방식으로 이루어졌습니다. 컨센트레이터는 이 신호들을 다중화해 단일 일반 전화선을 통해 NIU로 전송했습니다. 이 모든 장치는 사이트 컨트롤러(Site Controller, SC)로 통칭되었습니다.

PLATO IV는 CDC 6400의 12개 I/O 채널과 10개의 12비트 주변 프로세싱 유닛(PPU)을 활용하여 케이블 채널당 최대 1,008개의 동시 세션을 처리할 수 있었습니다. 기존 케이블과 전화선을 사용한 덕분에 네트워크 확장은 비교적 용이했으며, 마이크로파 링크를 활용하면 대규모 데이터를 원격 사이트로 일괄 전송할 수도 있었습니다. 이러한 설계는 PLATO IV의 네트워크 기능을 대폭 확장해 원격 학습의 가능성을 열어주는 핵심 요소였습니다.

접근성과 한계

비처는 새로운 터미널을 “모두가 이용할 수 있다”고 발표했지만, 1974년 기준 터미널 한 대의 가격이 5,500달러 이상(오늘날 가치로 약 33,000달러)에 달했습니다. 이는 많은 사람들에게 평등한 접근성을 보장하기에는 부족한 금액이었습니다. 재고 역시 넉넉하지 않아, PLATO 시스템에 접근할 수 있었던 사람들은 소수에 불과했습니다. 그러나 이 소수는 시스템을 최대한 활용하며 새로운 아이디어를 끊임없이 만들어냈습니다.

PLATO에서 태어난 소셜 네트워크의 시작

PLATO의 자유로운 분위기는 단순히 교육 콘텐츠를 넘어선 다양한 혁신을 낳았습니다. 1973년에는 간단한 메시징 시스템인 “-pad-”가 등장했습니다. 이 시스템은 TUTOR 레슨으로 구현되었으며, 이후 프로그래머 더그 브라운(Doug Brown)이 개발한 Talkomatic 그룹 채팅과, 개인 간 채팅을 위한 Term-Talk로 확장되었습니다.

표면적으로는 교사, 관리자, 학생들 간의 생산적인 소통을 위한 기능이었지만, PLATO의 놀라운 반응 속도 덕분에 메시징은 사실상 즉각적으로 이루어졌습니다. 사용자들은 채널에서 대화 상대를 기다리거나, 단순히 대화를 즐기는 데 시간을 보냈습니다. 때로는 플러팅과 같은 가벼운 목적의 대화가 이루어지기도 했습니다.

이러한 상호작용은 당시로서는 매우 새로운 경험이었으며, 컴퓨터를 통해 이루어진 최초의 사회적 상호작용중 하나로 평가받고 있습니다. PLATO는 단순한 학습 도구를 넘어, 디지털 커뮤니케이션과 소셜 네트워킹의 선구자로 자리매김하며 그 잠재력을 유감없이 보여주었습니다.

A 1973 Talkomatic session. Credit: A Little History of e-Learning (Cope and Kalantzis, 2021)

또 하나의 지속적인 아이디어는 16세 학생 직원인 데이비드 울리(David Woolley)로부터 나왔습니다. 그는 1973년에 PLATO Notes라는 게시판 시스템을 개발했는데, 이 시스템은 PLATO 사용자들의 소통 방식을 근본적으로 바꿔 놓았습니다. 원래 이 프로젝트는 폴 텐차르(Paul Tenczar)가 데이비드에게 버그 보고를 위한 도구를 설계하도록 지정한 것이었습니다. 하지만 PLATO Notes는 단순한 버그 보고 시스템에 머무르지 않고, 곧 일반적인 메시지 게시판으로 진화했습니다.

PLATO Notes와 초기 디지털 커뮤니케이션의 진화

1970년대 PLATO 시스템은 단순한 교육 플랫폼을 넘어 디지털 커뮤니케이션과 소셜 네트워킹의 선구적인 역할을 했습니다. PLATO에서 사용된 라인 프린터는 당시 쉬프트 문자를 출력할 수 없었기 때문에, ^ 기호가 이를 대체하는 방식으로 사용되었습니다. 예를 들어, ^7은 아포스트로피를, ^/는 물음표를 나타냈습니다.

이 시기에 등장한 PLATO Notes는 PLATO의 혁신적인 커뮤니케이션 도구 중 하나로, 1973년 데이비드 울리(David Woolley)가 버그 보고를 위한 도구로 처음 설계했습니다. 하지만 곧 일반 사용자들을 위한 메시지 게시판으로 발전하며 디지털 소통의 새로운 가능성을 열었습니다.

1974년, 킴 마스트(Kim Mast)는 PLATO Notes를 개인 메시지 시스템으로 확장하여 Personal Notes(“PNOTES”)를 개발했습니다. 이는 오늘날 이메일의 초기 형태로 간주될 만큼 혁신적이었습니다. PLATO Notes는 이후 Lotus Notes에 영감을 주었으며, 일부 기록은 현재까지 보존되어 있습니다. 특히, 1974년 1월 3일의 대화는 디지털 커뮤니케이션의 가장 오래된 기록 중 하나로, 대학 아카이브에 소중히 보관되어 있습니다.

네트워크 검열 논란과 PLATO의 사회적 영향

PLATO Notes는 초기 네트워크 검열 논란의 중심에 서기도 했습니다. 워터게이트 사건 당시, 한 Notes 게시판에서 닉슨 대통령의 탄핵 가능성이 논의되자 NSF(국립과학재단)는 PLATO의 책임자인 도널드 비처에게 직접 전화를 걸었습니다.

“우리가 방금 백악관에서 전화를 받았는데요. 닉슨 측에서 이 토론이 계속된다면 우리의 자금이 사라질 거라고 합니다. 그리고 아마 당신도 사라질 겁니다…”

이 사건 이후, 비처는 해당 논의를 시작한 학생에게 정치적 중립성을 유지해야 한다는 면책 조항을 추가하도록 지시했습니다.

“교실이나 PLATO에서 정치적 동원을 조직하는 것은 허용되지 않습니다.”

이 사건은 기술과 사회적 상호작용의 경계에서 PLATO가 직면한 도전을 보여주는 대표적인 사례로 남아 있습니다.

PLATO에서 게임의 탄생과 발전

PLATO 시스템은 단순한 학습 도구를 넘어, 게임 개발의 혁신적인 플랫폼이 되기도 했습니다. 초기 PLATO IV 사용자들은 체스, 카드 게임, 도그파이팅 게임 등을 즐겼으며, 시간이 지나면서 게임은 더욱 정교해졌습니다.

1974-1975년에는 TUTOR 언어로 구현된 던전앤드래곤(dnd) 게임이 등장했습니다. 이는 최초로 게임 보스를 도입한 게임으로 알려져 있습니다. 또 다른 초기 로그라이크 게임인 pedit5는 러스티 러더퍼드(Rusty Rutherford)가 개발했으며, 관리자의 삭제 시도에도 불구하고 끊임없이 복원되어 PLATO 사용자의 집요함을 보여주었습니다.

1973년, PLATO에서는 최초의 네트워크 기반 멀티플레이어 아레나 슈팅 게임인 Empire I이 개발되었습니다. 이 게임은 존 데일스케(John Daleske)가 TUTOR로 작성했으며, 이후 Castle Wolfenstein으로 유명해진 실라스 워너(Silas Warner)의 도움을 받았습니다.

1974년에는 Air Race라는 최초의 3D 멀티플레이어 비행 시뮬레이터가 PLATO IV에서 구동되었습니다. 이는 UIUC 학생 브루스 아트윅(Bruce Artwick)의 홈 컴퓨터용 Flight Simulator 시리즈(이후 마이크로소프트 Flight Simulator의 전신)에 영향을 준 것으로 여겨집니다.

PLATO V와 상업화의 시작

PLATO IV는 점차 상업적 가능성을 인정받기 시작했고, CDC(콘트롤 데이터 코퍼레이션)의 윌리엄 노리스(William Norris)는 이를 통해 사회적 불평등 해소와 새로운 비즈니스 기회를 찾고자 했습니다. CDC는 1971년에 교육사업부(Educational Department)를 설립하고 PLATO 응용 프로그램 개발에 집중했습니다.

1976년까지 PLATO는 950개의 터미널, 100개 과목, 그리고 3,500시간 이상의 교육 자료를 보유하며 성장했습니다. 그러나 점차 용량의 한계에 부딪히자 CDC는 대학 측에 최신형 CDC Cyber 컴퓨터를 제공하는 대가로 PLATO의 모든 권리를 요구했습니다. 대학은 이를 수락하며, 코스 콘텐츠와 소프트웨어, 특허 라이선스에 대한 별도 계약을 체결했습니다.

1977년에는 마이크로프로세서 기술의 발전으로 PLATO V 터미널이 등장했습니다. 이 새로운 터미널은 Intel 8080 CPU, 8K ROM, 8K RAM을 탑재했으며, 사실상 초기 마이크로컴퓨터로 간주되었습니다. PLATO V는 PLATO 디자인의 정점으로 평가받으며, 교육 기술과 마이크로컴퓨터의 융합을 상징하는 중요한 이정표로 남아 있습니다.

PLATO V terminal in 1977. Credit: The PLATO V Terminal (Stifle, 1977)

노리스의 비전: PLATO를 통한 교육 혁신의 꿈

윌리엄 노리스(William Norris)는 PLATO 시스템에 대해 진심으로 믿음을 가졌으며, CDC가 새로 인수한 이 시스템을 적극적으로 홍보했습니다. 그는 1985년까지 PLATO가 회사 수익의 절반을 차지할 것이라는 낙관적인 전망을 내놓기도 했습니다. CDC는 게임과 소셜 애플리케이션이 시스템의 가치를 더한다고 평가하며 이를 일정 부분 허용했지만, 많은 고객들은 이러한 기능을 비활성화하는 선택을 했습니다.

명예로운 프로젝트와 운영상의 어려움

CDC는 PLATO에 기존 콘텐츠를 거의 활용하지 못하고, 자체 콘텐츠 개발에 막대한 비용을 투입했습니다. 일부 프로젝트는 사회적으로 매우 의미 있는 시도였습니다. 예를 들어, 실업자를 새로운 직업 분야로 재교육하거나, 도시 공립학교를 위한 다양한 코스를 개발한 것이 대표적입니다. 또 다른 예로는 농작물 정보 시스템과 오지브웨(Ojibwe) 원주민 언어 훈련 프로그램 같은 독창적인 프로젝트도 있었습니다.

그러나 이러한 명예로운 프로젝트들조차 높은 수익을 창출하지는 못했습니다. 고객들에게 부과된 높은 요금과, 일부 과목에서 전문 코스웨어 작가가 부족했던 점이 주요 원인으로 꼽혔습니다.

교육 분야에서의 성공 사례 중 하나는 온라인 감독 시험이었습니다. 이는 전미증권거래업협회(NASD)(현재의 FINRA)를 위해 개발된 시스템으로, 이후 1990년 Thomson Prometric이라는 이름으로 독립하였습니다. 이 시험 관리 서비스는 현대 시험 관리 시스템의 표준으로 자리 잡으며 PLATO의 유산 중 하나로 남게 되었습니다.

PLATO의 가정 시장 진출: 새로운 도전

마이크로컴퓨터 시대가 도래하자, 노리스는 PLATO를 가정 시장으로 확장할 계획을 세웠습니다. 이는 PLATO의 역사를 새롭게 쓰려는 또 한 번의 도전이었습니다.

PLATO V는 이미 기술적으로 마이크로컴퓨터에 해당했지만, 여전히 터미널-서버 개념에 강하게 의존하고 있었습니다. CDC는 1978년에 CRT 기반 IST(Information System Terminal)를 생산하기 시작했지만, 초기 가격이 6,000달러(오늘날 가치로 약 24,000달러)에 달해 기업 환경 외에서는 큰 매력을 끌지 못했습니다. IST는 PLATO 시스템뿐만 아니라 CDC의 타임셰어링 서비스를 위한 액세스 포인트로도 사용되었습니다.

가정 시장으로의 진출을 위해 PLATO는 독립적인 형태로 작동해야 했습니다. 그러나 당시 가정용 컴퓨터는 PLATO가 제공하는 TUTOR의 다양한 기능을 처리하기에는 기술적으로 부족했습니다. 대부분의 가정용 컴퓨터는 화면 해상도에서부터 PLATO를 따라잡을 수 없었으며, 네트워크 연결 기능을 갖춘 컴퓨터는 극히 드물었습니다.

PLATO의 가정 시장 진출은 단순히 기술적 도전을 넘어, 새로운 전략과 시장 접근 방식을 필요로 했습니다. 이 시도는 기술적 제약뿐만 아니라 경제적 현실과도 맞서야 했습니다. PLATO는 여전히 교육과 기술 혁신의 상징이었지만, 대중화를 이루기 위해서는 새로운 해결책과 전략적 비전이 요구되었습니다.

노리스의 꿈은 단순히 기술을 판매하는 데 그치지 않고, 교육을 통해 사회적 불평등을 해소하고 새로운 가능성을 여는 것이었습니다. 그러나 이러한 이상을 실현하기 위해 직면해야 했던 현실적 한계는, PLATO가 단순한 시스템이 아닌 하나의 문화적 아이콘으로 자리 잡는 데 있어 큰 도전으로 남게 되었습니다.

Standalone PLATO V with 8-inch floppy disk drive in 1979

Micro-PLATO: 오프라인 PLATO의 시대

1979년, CERL과 CDC는 협력하여 PLATO V의 추가 기능으로 오프라인 PLATO 시스템(Off-Line PLATO System)을 개발했습니다. 기존의 PLATO 시스템이 원격 미니컴퓨터를 통해 세션을 관리했던 것과 달리, 이 새로운 시스템에서는 PLATO V의 8080 CPU가 모든 작업을 로컬에서 실행했습니다. 수업 자료는 플로피 디스크에 저장되었으며, 추가된 기능은 디스크에 저장된 수업 목록을 불러와 학생들에게 메뉴 형태로 제공했습니다.

효율적인 데이터 관리와 Micro-TUTOR

오프라인 시스템에서는 플로피 디스크를 통해 약 0.1초의 지연 시간으로 프로그램 코드와 데이터를 읽어들였으며, 변수와 학생 데이터 또한 디스크에 저장되었습니다. 그러나 PLATO V의 8비트 CPU와 8K RAM만으로는 TUTOR 런타임 전체를 실행하기 어려웠습니다. 이에 CERL은 TUTOR를 간소화하여 μ-TUTOR(Micro-TUTOR)라는 이름의 프리컴파일된 바이트코드 버전을 개발했습니다.

Micro-TUTOR는 전체 PLATO 시스템에서 작성 및 테스트된 뒤 오프라인 시스템용으로 컴파일되었습니다. 이 방식으로 배포된 수업은 Micro-PLATO로 불렸으며, 이는 효율적인 데이터 관리와 저비용 운영을 가능하게 했습니다.

저작 플랫폼과 Micro-PLATO의 진화

Micro-PLATO 수업 저작은 CDC의 PLATO Courseware Development and Delivery System (PCD2)에서 이루어졌습니다. 이전 버전인 PCD1은 PLATO에 직접 접근할 필요조차 없었으며, 이후 이 시스템은 Micro PLATO Authoring System(MPAS)로 발전했습니다. 이 저작 도구는 PLATO 콘텐츠를 오프라인 환경으로 확장하는 데 필수적인 역할을 했습니다.

CDC의 IST-II와 IST-III 터미널은 플로피 디스크에서 Micro-TUTOR 수업을 직접 불러와 실행할 수 있었습니다. 그러나 CDC는 이 기기들을 가정용 마이크로컴퓨터로 판매하지 않았습니다.

CDC 110: Micro-PLATO의 첫 공식 플랫폼

Micro-PLATO를 실행할 수 있는 첫 번째 공식 마이크로컴퓨터는 1981년에 출시된 CDC 110이었습니다. IST 터미널을 기반으로 한 이 시스템은 Zilog Z80 CPU, 64K 메모리, 플로피 드라이브를 탑재했으며, BASIC, Pascal, CP/M 같은 옵션 소프트웨어를 지원했습니다.

CDC 110은 오프라인 수업을 실행하는 것 외에도 PLATO, CDC의 Cybernet, Call 370 타임셰어링 서비스에 연결할 수 있는 펌웨어를 탑재하고 있었습니다. 그러나 이 기기는 가정 사용자를 대상으로 설계된 제품은 아니었습니다. 기본 가격이 4,995달러(현재 가치로 약 16,200달러)에 달했으며, 추가 소프트웨어는 425달러에서 4,000달러까지 별도로 비용이 들었습니다. CDC는 이 기기를 자체 비즈니스 센터 네트워크를 통해 판매했습니다.

Viking 721: PLATO 기술의 연속성

CDC 110의 후속 모델로는 CDC “Viking” 721이 출시되었습니다. 이 모델은 PLATO와의 호환성을 유지하면서도 개선된 기술을 적용한 사례로 평가받고 있습니다. Viking 721은 Micro-PLATO 기술이 가진 잠재력을 보여주는 동시에, PLATO 기술과 CDC의 지속적인 혁신을 나타내는 상징적인 제품이었습니다.

PLATO와 Micro-PLATO의 유산

Micro-PLATO는 PLATO 시스템의 유연성과 확장성을 보여주는 중요한 사례였습니다. 오프라인 환경에서도 PLATO의 교육 콘텐츠와 기능을 활용할 수 있게 하며, 교육 기술의 새로운 가능성을 열었습니다. 비록 높은 비용과 기술적 한계로 인해 대중화에는 어려움을 겪었지만, Micro-PLATO는 마이크로컴퓨터와 교육 기술의 융합을 선도한 역사적 이정표로 남아 있습니다.

A seriously dated 1982 Texas Instruments ad.

PLATO의 가정용 컴퓨터 이식: 텍사스 인스트루먼트의 도전

PLATO가 가정용 컴퓨터로 처음 이식된 사례는 텍사스 인스트루먼트(Texas Instruments, TI)가 CDC로부터 허가를 받아 개발한 버전이었습니다. 이는 CERL이나 CDC와 무관하게 이루어진 첫 번째 사례였습니다. 당시 TI는 잭 트라미엘(Jack Tramiel)이 이끄는 커모도어 비즈니스 머신(Commodore Business Machines)과 치열한 경쟁으로 어려움을 겪고 있었고, 이를 극복하기 위한 방안으로 PLATO 이식 프로젝트를 선택했습니다.

TI의 텍사스 인스트루먼트 99/4A는 미니컴퓨터 기반 9900 CPU를 탑재하고 있어 당시 다른 가정용 컴퓨터보다 PLATO 서버의 성능에 더 가까웠습니다. 하지만 고사양의 시스템 요구사항으로 인해 사용자들은 고가의 주변 장치 확장 박스(Peripheral Expansion Box)와 플로피 디스크 드라이브를 추가로 구입해야 했습니다.

1982년에 출시된 TI의 PLATO 시스템은 오프라인 시스템을 모델로 삼아, “카트리지에 담긴 PLATO” 해석기를 통해 플로피 디스크에서 Micro-TUTOR 수업을 실행할 수 있었습니다. 이 시스템은 9918 VDP의 256×192 해상도에 맞게 설계된 새로운 PCD2 시스템으로 작성된 수업을 실행했습니다. CDC는 기술 조언과 Micro-TUTOR 코드를 TI의 플로피 디스크 포맷으로 전환하는 데만 관여했으며, 나머지 작업은 전적으로 TI가 주도했습니다.

다른 가정용 컴퓨터로의 확장

같은 해, CDC는 자체적으로 수학, 물리학, 프랑스어, 독일어, 스페인어, 컴퓨터 기초를 포함한 9개의 Micro-TUTOR 코스 패키지를 발표했습니다. 이 코스는 TI 시스템뿐만 아니라 MOS 6502 기반 Apple II와 Atari 800에서도 실행할 수 있도록 설계되었습니다.

Apple과 Atari 버전은 TI와 달리 해석기를 사용하지 않고도 컴퓨터에서 직접 실행되도록 최적화되었습니다. 초기 레슨의 가격은 45달러, 추가 레슨은 35달러로 책정되었습니다. 이는 PLATO가 비로소 가정용 소매 시장에 진출하게 된 중요한 전환점이었습니다.

한계와 실패

TI는 1983년까지 100개 이상의 코스와 450개 이상의 개별 레슨을 제공할 것이라고 광고했지만, PLATO는 TI의 컴퓨터 라인에서 틈새 기능 이상의 성과를 거두지 못했습니다. 높은 하드웨어 비용과 한정된 가정용 컴퓨터 보급률, 그리고 콘텐츠 가격에 대한 소비자 저항이 주된 요인이었습니다.

결국 PLATO는 TI의 가정용 컴퓨터 시장에서 성공하지 못했고, TI는 이 분야에서의 생존을 보장받지 못했습니다. 하지만 이 시도는 PLATO가 가정 시장으로 확장하려는 초기 단계에서 이루어진 중요한 실험이었으며, 교육 기술의 대중화를 위해 해결해야 할 과제를 명확히 보여준 사례로 남아 있습니다.

이후 PLATO는 Apple II와 Atari 800 같은 플랫폼에서도 작동하며, 가정용 소프트웨어 시장에서의 확장을 도모했지만, 결국 PLATO의 대중화는 이러한 초기 시도들로는 충분하지 않았습니다. 그러나 PLATO의 이식과 확장은 현대 교육 기술의 발전에 있어 귀중한 교훈을 제공하며, 디지털 학습 콘텐츠가 다양한 플랫폼으로 확장될 수 있는 가능성을 처음으로 제시했습니다.

CDC PLATO Microlink ad, November 1983.

PLATO Microlink와 홈 컴퓨터 시장의 도전

1983년, CDC는 PLATO Microlink를 통해 IBM PC를 대상으로 PLATO 터미널 기능을 제공했습니다. 64K RAM, 그래픽 어댑터, 그리고 300 또는 1200 보드 모뎀이 장착된 IBM PC는 CDC의 50달러 소프트웨어 패키지를 통해 PLATO 서버에 접속할 수 있었습니다. 가입비는 10달러, 사용료는 시간당 5달러(전화 요금 별도)로 설정되었으며, 게임, 메시징, 코스웨어 등 다양한 기능을 제공했습니다.

CDC는 당시 온라인 서비스 The Source의 투자자로 참여하고 있었으며, Source 가입자들에게 PLATO 서비스를 무료로 제공하여 사용자 기반을 확대하려 했습니다. 그러나 The Source가 자체적으로 PLATO 콘텐츠를 제공할 것이라는 소문은 1987년 CDC가 파트너십에서 철수하면서 실현되지 못했습니다.

PC 그래픽 어댑터가 PLATO의 512×512 디스플레이를 처리할 수 있었음에도, 클라이언트 소프트웨어는 해상도를 512×256으로 축소하여 표시하였습니다.

Atari와의 갈등과 협력

Atari는 1981년부터 자체 PLATO 터미널 소프트웨어를 개발 중이었으며, 그해 12월에는 PLATO 네트워크에 접속한 최초의 비-PLATO 마이크로컴퓨터를 공개했습니다. 하지만 CDC가 Atari를 위한 Micro-PLATO 소프트웨어를 독자적으로 출시하면서 양측 관계는 악화되었습니다. 1983년 초 협상이 결렬되었지만, 개발자 빈센트 우(Vincent Wu)가 프로젝트를 계속 이어가며 PC Microlink 출시 이후 다시 협상을 이끌어냈습니다.

1984년, Atari는 PLATO 카트리지(“The Learning Phone”)를 출시하며 가정 시장을 명확히 겨냥했습니다. CDC는 이를 “PLATO Homelink”라는 이름으로 동일한 가격에 재판매했습니다. Atari의 카트리지는 모뎀과 국가 단위의 패킷 교환 네트워크를 통해 PLATO 서버에 접속했습니다.

Atari ANTIC의 최대 해상도 320×192는 PLATO의 표준 해상도인 512×512를 처리하기 어려웠기에, 우는 가상 화면 시스템을 구현해 화면을 다운스케일하거나 일부 영역을 확대하여 표시했습니다. 또한, 터치스크린 기능은 조이스틱으로 에뮬레이션되어 PC Microlink보다 더 많은 PLATO 수업과 호환성을 제공했습니다.

PLATO 가정 시장 진출의 실패

이러한 시도에도 불구하고 PLATO는 가정 시장에서 자리를 잡지 못했습니다. CDC는 심각한 재정적 어려움에 직면했으며, 1986년 윌리엄 노리스가 CEO 자리에서 물러났습니다. PLATO 프로젝트는 CDC의 재정 위기의 주된 원인은 아니었지만, 주요 요인으로 꼽혔습니다.

노리스는 Micro-TUTOR와 Micro-PLATO 프로젝트가 잘못된 방향으로 이끌었다고 주장하며, TI와 Atari와의 시장 선택이 부적절했다고 비난했습니다. 특히 당시 미국 학교에서 널리 사용되던 Apple II와 가정 시장의 강자인 Commodore 64는 PLATO 클라이언트를 지원하지 않았습니다.

CERL과 NovaNET의 유산

CDC의 PLATO 프로젝트가 상업적으로 실패로 끝난 후에도 UIUC의 CERL 그룹은 학문적 고객을 대상으로 조용히 운영을 지속했습니다. 1985년, CERL은 University Communications, Inc.(UCI)라는 영리 기업을 설립하고 이를 통해 수익을 창출했습니다. 이 시기에 개발된 NovaNET은 PLATO 시스템의 유산을 이어받아 케이블 TV 기반 다운링크를 위성 옵션으로 확장하며 고객층을 다각화했습니다.

1989년 CERL의 핵심 인물인 도널드 비처(Don Bitzer)가 대학을 떠나면서 CERL은 가장 열렬한 옹호자를 잃었고, 결국 1994년에 해체되었습니다. UCI는 NovaNET Learning으로 재편되었고, 이후 National Computer Systems(NCS)에 인수되었습니다.

1999년, NCS는 Pearson Education에 인수되었으며, 이는 PLATO 시스템과 CERL의 유산이 대규모 교육 및 출판 기업으로 통합되는 과정을 보여줍니다. 오늘날 PLATO의 마지막 흔적은 Edmentum이라는 이름으로 남아, 학교와 교육 기관에 서비스를 제공하며 그 유산을 이어가고 있습니다.

PLATO는 기술적 혁신과 사회적 실험을 통해 디지털 교육의 새 지평을 열었지만, 상업적 성공에는 이르지 못했습니다. 그러나 그 유산은 교육 기술 발전과 디지털 학습의 초석으로 자리 잡으며, 현대 교육 시스템에 깊은 영향을 미쳤습니다.

NovaNET sign-on with Windows client in 2004. Credit: The PLATO Computer System (Eckhardt; Maggs)

PLATO의 현대적 유산: NovaNET에서 Cyber1까지

TUTOR 언어는 NovaNET 시스템의 기반으로 일부 남아 있었지만, NovaNET은 시대에 맞춰 현대적인 사용자 인터페이스와 멀티미디어 기능을 추가하며 발전했습니다. 이 시스템은 LAN 기반 Microsoft Windows 클라이언트를 통해 제공되었고, 특히 대안 교육 분야에서 주목받았습니다. 피어슨은 NovaNET을 “스스로 학습하는 방식”으로 포지셔닝하며 전통적인 교실 경험에서 소외된 학생들에게 마케팅했습니다. 그러나 연구에서는 이 접근법의 효과에 대해 엇갈린 평가가 있었습니다.

PC의 발전과 NovaNET의 퇴장

PC가 점점 더 강력해지고, 코스웨어가 독립 실행형(fat client) 또는 웹 기반 교육으로 전환되면서, NovaNET의 독점적이고 중앙집중화된 구조는 점차 시대에 뒤떨어진 것으로 평가되었습니다. 결과적으로, 고객들은 서서히 NovaNET을 떠났고, 2015년, 피어슨은 PLATO의 마지막 직접적인 후손인 NovaNET을 공식적으로 퇴역시켰습니다.

PLATO를 다시 경험하는 방법

PLATO의 전성기를 직접 경험하지 못했다고 해서 그 유산이 완전히 사라진 것은 아닙니다. PLATO 시스템은 오늘날에도 다양한 방식으로 접할 수 있습니다.

VCampus의 폐쇄 이후, 사업 자산은 전 CEO에게 돌아갔으며, 그는 CYBIS 시스템의 비상업적 공개를 허용했습니다. 그 결과, PLATO 경험을 복원한 Cyber1이라는 공용 인스턴스가 인터넷을 통해 제공되고 있습니다. Cyber1은 Windows, macOS, Linux용으로 제공되는 오픈소스 PTerm 클라이언트를 사용하며, 이 클라이언트는 PLATO 전성기에서 유명했던 게임들과 Micro-TUTOR 수업을 실행할 수 있도록 지원합니다.

PLATO의 백엔드 기술에 관심이 있는 이들을 위해, dtCYBER 패키지를 통해 CDC 6600 호환 Cyber 175를 에뮬레이션하여 자체 인스턴스를 실행할 수도 있습니다. 이 패키지에는 CDC NOS 운영 체제와 PTerm이 포함된 CYBIS 디스크 이미지가 제공됩니다.

PLATO 기반 시스템의 부활: IRATA.ONLINE

현대 복고 컴퓨팅에 관심 있는 사용자들을 위한 또 다른 프로젝트는 IRATA.ONLINE입니다. 이 시스템은 PLATO 기반 기술을 사용하며, Atari 8비트 클라이언트에서 시작해 지금은 Apple II 및 IIGS, Commodore 64 및 128, IBM 5150 PC 및 PCjr, Amiga, TI 99/4A 등 다양한 기기에서 작동합니다. IRATA.ONLINE은 PTerm 클라이언트와도 호환되며, 소스 코드도 공개되어 있어 다양한 플랫폼에서 PLATO 경험을 복원할 수 있습니다.

PLATO의 유산

PLATO는 컴퓨터 기반 교육의 선구자로서, 그래픽 디스플레이, 네트워킹, 사용자 인터페이스와 같은 여러 기술 영역에서 혁신을 이끌었습니다. 또한, PLATO의 초기 사용자들이 만들어낸 창의적인 콘텐츠와 도구들은 오늘날 소셜 네트워크, 메시징 시스템, 온라인 평가 그리고 게임의 원형으로 평가받고 있습니다.

PLATO를 보존하고 연구하는 이들 덕분에 이 시스템은 여전히 영감과 학습의 원천으로 작용하고 있습니다. PLATO를 탄생시킨 조직들은 역사 속으로 사라졌지만, 그 기술적 유산과 문화적 영향력은 여전히 오늘날과 미래 세대에게 지속적으로 영향을 미치고 있습니다. PLATO는 단순한 시스템을 넘어, 현대 디지털 사회의 기틀을 마련한 중요한 유산으로 남아 있습니다.


이 글은 아래 링크의 글을 윤문해서 번역한 글입니다.

https://arstechnica.com/gadgets/2023/03/plato-how-an-educational-computer-system-from-the-60s-shaped-the-future/?utm_source=chatgpt.com

keyword