brunch

TCV가 냉수를 Bypass 시킨다고?

HVAC에서 3-Way TCV를 사용하는 방법

by 몰린

"Mr. Yun? 소방서에서 덥다고 전화가 왔었어."


"OK. I will check."


Firestation이면 공사를 끝내고 시운전까지 진행한 건물이다. 아직 발주처에 Handover하진 않았지만, 기존 소방서의 크기가 작아서 발주처가 이미 건물을 사용하고 있는 중이다. 시운전 중에 Vendor Supervisor의 실수로 냉동기(Chiller) 한 대가 고장 나서, 냉동기 한 대를 계속 사용 중인 상황이라서, 냉동기에 문제가 있을 거라는 생각을 하면서 기계실로 들어갔다.


'어, 이상하네... 온도는 높은데, 냉동기 쪽에는 아무런 알람도 없네...'


발주처 담당자의 이야기처럼 건물 내의 온도는 27℃로 기준 온도인 23±1.5℃보다 훨씬 높았다. 하지만 HMI(Human Machine Interface)에는 냉동기 관련 어떤 이상도 기록되지 않았다.


'무슨 일이지? 공조기, 냉동기가 정상인데 온도가 안 떨어진다고? TCV(Temperature Control Valve)도 100% 열렸으니 맞고... 어. 그런데 온도가 왜 이러지?'


TCV가 100% 열렸다는 것은 냉동기에서 나온 차가운 물 모두가 공조기의 냉각코일(Cooling Coil)로 들어가고 있다는 뜻이다. 하지만 실제 물의 온도는 달랐다. 공조기 냉각코일에 들어가는 냉수의 온도는 9℃인데, 냉각코일을 통과한 온도도 9℃였다. 보통은 냉각코일에서 발생하는 공기와 냉수 사이의 열교환 때문에, 냉각코일 다음의 온도가 냉각코일 들어가기 전의 냉수 온도보다 높은 게 정상이다. 게다가 지금은 건물 안이 더운 상황이니, 공기의 온도가 더 높을 것이다. 그런데 냉각코일 전과 후의 온도가 같다면 TCV가 냉수를 냉동기로 Bypass 시키고 있는 것이다. 그렇다면 TCV가 잘못 설치됐다는 뜻이다!!


"Imran, Ryan에게 연락해서 소방서로 오라고 해줘. 여기 문제가 심각하네."


...


나는 Ryan에게 HMI를 보여주면서 상황을 설명했다. TCV를 열고 닫아도 건물 내 온도가 떨어지지 않는 것을 보여줬다. 냉동기가 보내는 냉수의 온도는 7~12℃ 사이에 정상적인 모습을 보여주고 있었고, TCV는 HMI에서 조작하는 대로 제대로 움직인다는 것을 밸브 작동기(Actuator)의 움직임을 보고 확인할 수 있었다. TCV를 어떻게 움직이더라도 공조기 냉각코일의 전단과 후단의 온도가 달라지지 않았다. TCV는 반대방향으로 설치된 것이 분명했다. 시운전까지 끝난 마당에, TCV를 떼서 반대로 설치해야 한다. 다행히 냉동기 1대는 고장이지만, AHU는 두 대가 모두 사용 가능하니 건물 냉방은 유지한 상태에서 수정이 가능할 것 같았다. Ryan에게 최대한 빨리 협력업체에게 작업을 준비할 것을 지시했다.


'설치부터 시운전까지 얼마나 많은 사람들이 확인했는데도 TCV가 반대로 설치됐다는 것을 모를 수도 있구나...'



냉동기(Chiller)를 사용하는 HVAC System은 변유량과 정유량, 두 가지로 구분할 수 있다. 변유량은 건물의 온도에 따라서 동작하는 AHU의 대수를 조절하는 것이다. 여름철에 건물의 온도가 높을수록 여러 대의 공조기를 가동하는 종류를 변유량 시스템이라고 부른다. 많은 공조기를 운전할수록 더 많은 냉수가 필요하다. 반대로 적은 수의 공조기를 운전하면 필요한 냉수의 양이 적어진다. 즉, HVAC 시스템 안에 흐르는 냉수의 양이 달라진다. 이것을 조절하기 위해서 우리는 2-Way TCV를 사용해야 한다.


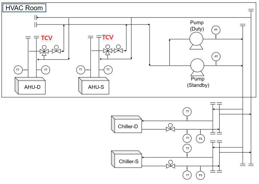
정유량 시스템은 건물의 온도에 따라서 가동되는 공조기의 대수는 일정하고, 공조기 냉각코일에 들어가는 냉수의 온도를 조절하는 시스템이다. 여름철에 건물의 온도가 높다면 냉수를 100% 공조기 냉각코일로 집어넣고, 온도가 설정값과 비슷해지면 냉수를 냉동기로 돌려보내서 공조기의 냉각코일에서 발생하는 공기와 냉수 사이의 열교환을 줄인다. 결과적으로 공조기에서 보내는 급기(Supply Air)의 온도가 낮아지지 않게 된다. 이런 정유량 시스템은 냉수 배관 안에 늘 일정한 양의 냉수가 흘러 야하기 때문에, 3-Way TCV를 사용해야 한다. (아래 그림 붉은색 TCV 글자 아래에 있는 것이 3-Way TCV이다. TCV 우측에 있는 것은 MOV(Motor Operating Valve)이다.)


P&ID.jpg Pipe & Instrument Diagram (P&ID)


3-Way TCV는 공조기(AHU : Air Handling Unit)에 들어가는 냉수의 양을 조절해서, 공조기의 냉각코일 내에서 생기는 공기와 냉수의 열교환량을 조절하는 장치이다. 정유량 HVAC Control System은 TCV의 열린 정도를 조절하면서 건물 내 온도를 조절하게 된다. 예를 들어, TCV가 100%라는 것은 TCV가 100% 열렸다는 것을 의미하고, 이것은 냉동기(Chiller)에서 나온 냉수(Chiller Water)가 모두 공조기의 냉각코일로 들어간다는 뜻이다. 다시 말해서, 여름철에 TCV가 100% 열렸다는 것은 HVAC Control System이 100% 효율로 냉각 중인 것이다.


3-Way TCV는 총 3개의 물이 흐를 수 있는 통로(Path)를 가지고 있다. 이 통로를 A, B, C라고 한다면, HVAC Control System에서 사용하는 TCV는 A = B + C로 표현할 수 있다. (Bypass) A는 냉동기(Chiller)에서 나오는 냉수배관(Chilled Water Supply)과 연결되고, B는 공조기의 냉각코일 그리고 C는 냉동기로 돌아가는 냉수배관(Chilled Water Return)과 연결된다. 그리고 TCV가 100% 열린 것은 냉동기의 냉수가 100% 공조기 냉각코일로 들어간다는 것을 뜻한다. (B = 100%) 반대로 TCV가 0%라는 것은 냉동기의 냉수가 공조기의 냉각코일을 통과하지 않고, 바로 냉동기로 돌아간다는 뜻이다. (B=0% 혹은 100% Bypass라고 부른다.)


TCV의 Body에는 이 'A', 'B', 'C'와 'A = B + C'가 표시가 되어 있다. 즉, TCV를 설치한 방향이 다르면, TCV는 위에서 설명한 대로 동작하지 않는다. TCV를 100% 열어도 냉수는 공조기의 냉각코일로 들어가지 않게 된다. 예를 들어, A를 냉동기 환수(Return), B를 공조기 냉각코일, C를 냉동기 급수(Supply)로 연결시켰다고 가정해 보자. 이제 이 TCV는 'A + B = C'로 동작하게 된다. (A와 B 혼합) 즉, TCV를 100% 열면 A(냉수 Return)와 B(공조기 냉각코일 Supply)의 배관이 C(냉수 Supply)와 100% 연결된다. 다시 말해서, 냉수 Supply가 공조기 냉각코일과 냉수 Return 배관으로 100% 흘러간다. (냉수 Supply의 압력이 냉수 Return보다 높기 때문에, 냉수는 항상 Supply에서 Return으로 흐른다.) 이 경우에 냉수 Supply는 냉수 Return으로 바로 흐르게 된다. (관의 크기가 작은 공조기 냉각코일의 저항이 배관의 크기가 큰 냉수 Return 저항보다 높기 때문에, 냉수는 저항이 낮은 냉수 Return으로 바로 흐르게 된다.) 냉수 Supply가 냉수 Return으로 바로 흘렀기 때문에, 공조기 냉각코일의 전단과 후단의 온도가 같았던 것이다.




시운전이나 유지 보수를 할 때 문제가 생기면, 우리는 HVAC Control System의 주요 장치의 기능에 대해서 잘 생각해봐야 한다. 이것이 바로 위의 에피소드를 설명한 이유이다. 3-Way TCV가 제대로 동작했다면, 공조기 냉각코일의 전단과 후단의 온도는 다를 수밖에 없다. 공조기 냉각코일에서는 공기와 냉수 사이에 열교환이 발생하기 때문이다. 예를 들어, 여름철에 냉방 중인 HVAC Control System에서 공조기 냉각코일 후단의 온도는 냉각코일 전단의 온도보다 높을 수밖에 없다. (냉동기(Chiller)는 아래 그림의 ACCU(Air Cooled Condensing Unit) 대신에 설치된다.)


D&ID.jpg Duct & Instrument Diagram (D&ID)


만약에 냉동기가 문제였다면, HMI에 냉동기 관련 알람이 있었을 것이다. 또 냉동기 관련 알람이 없다고 하더라도, 냉동기에서 나오는 냉수 Supply의 온도가 7~12℃라면 냉동기는 문제가 없다는 뜻이다. 냉동기가 고장이라면 냉수의 온도가 제대로 제어될 수 없기 때문이다. 냉동기와 공조기가 문제없이 작동 중이라면 냉방이 제대로 안될 수 있는 원인은 TCV밖에 없다. TCV를 수동으로 움직이면서 실제로 밸브가 열리고 닫히는 것을 확인하면 TCV 작동기(Actuator)에 문제가 없다는 것을 확인할 수 있다. 그래서 나는 냉각코일의 전단과 후단의 온도차이를 통해서 3-Way TCV가 반대로 설치됐다는 것을 확인할 수 있었다.


HVAC Control System에는 여러 곳에 온도와 압력 센서를 설치한다. 이 온도와 압력 값을 통해서 우리는 HVAC 시스템에 문제가 있는지 여부를 쉽게 확인할 수 있다. 예를 들어서, 정상적인 HVAC 시스템은 7~12℃의 Supply Air(급기)를 사용해서 냉방한다. 냉방이 안된다면, 우리가 가장 먼저 확인해야 할 부분은 급기의 온도이다. 급기의 온도가 정상적인 7~12℃ 범위에 없다면, 냉동기, TCV 순으로 점검하면 된다.


HVAC 시스템을 이해하려면 정상일 때 HVAC 시스템을 구성하는 장치들이 어떤 기능을 해야 하는지 알아야 한다. Damper, 공조기, EDH(Electric Duct Heater), 가습기, 펌프, 냉동기, 밸브 등이 어떤 순서로 가동되어야 하는지, 냉방을 위해선 어떤 장치가 어떻게 움직여야 하는지, 난방을 위해선 어떤 장치가 가동되어야 하는지 등을 알고 있어야 한다. HVAC 시스템의 정상 상태를 먼저 이해하고, HVAC 시스템을 정상적으로 안전하게 가동하고 정지하는 방법을 알아야 한다. 그래야 HVAC 시스템이 이상할 때 빨리 문제를 찾아서 조치할 수 있기 때문이다.

keyword
작가의 이전글이게 스케줄이야? 나가!