brunch

UX 시나리오 - 주요 경로 및 점검

인터렉션 설계도를 시나리오를 통해 구체화하기

by Henry Lee

지난 정황 시나리오 작성법 글이 조금 부족한 것 같아 간단한 사례를 추가하였습니다. 상세한 기능을 설명하지 않고 대략적인 컨셉만을 설명하고 있음을 체크하시길 바랍니다. 글하단에 있습니다.

이번 글은 정황 시나리오에 이어 주요 경로 시나리오와 점검 시나리오 작성법에 대해 정리하려고 합니다. 정황 시나리오를 통해 퍼소나의 과업과 목표에 필요한 컨셉들을 뽑을 수 있었을 것입니다. 이번 글에서 설명하는 주요 경로 시나리오와 점검 시나리오는 컨셉을 구체화하고 디자인 설계도를 그리기 위한 방법이라고 생각하시면 됩니다. (글의 내용은 About Face4를 기반으로 작성됩니다.)


1. 주요 경로 시나리오 (Key path scenario)

주요 경로 시나리오를 작성하기 위해서는 러프한 인터렉션 설계도가 작성되어 있어야 합니다. 이를 위해 먼저 정황 시나리오를 통해 제품의 형태와 포스처 및 입력 방식을 결정합니다. 여기서 말하는 입력 방식이란 사용자가 제품과 인터랙션 하는 수단을 의미합니다. 퍼소나의 시각에서 가장 적절한 입력방식을 선택합니다. 이후 사용자에게 제공될 기능 및 정보 요소를 파악합니다. 사용자의 요구사항 목록을 인터페이스 디자인 요소로 풀어내야 합니다. 기능과 요소를 확인했다면 각 요소를 퍼소나의 입장에서 과업의 흐름을 파악하며 요소별 상하 관계를 결정합니다. 요소별 상하 관계를 설정할 때 유념할 것은 퍼소나의 목표입니다. 퍼소나의 목표를 중심으로 과업의 상하 관계를 결정합니다. 그 후에 인터페이스를 직접 그리기 시작합니다. 이 단계에서는 구체적인 인터페이스를 그리지 않으며 중요한 요소만 큼직하게 그려 넣으며 다양한 시도를 합니다.

러프한 인터페이스 설계도가 제작되었다면 주요 경로 시나리오를 본격적으로 제작할 수 있습니다.

주요 경로 시나리오(Key path scenario)란 말 그대로 사용자가 제품과 인터렉션 하는 방식을 서술하는 이야기를 말합니다. 퍼소나가 가장 많이 수행하는 과업을 선택한 뒤, 인터페이스에서 해당 과업을 어떻게 진행하는지 묘사하는 것입니다. 우선 정황 시나리오를 바탕으로 인터렉션 설계도를 포함하여 기능과 정보 요소를 조작하는 방법을 적으면 됩니다. 정황 시나리오에서 한 단계 더 구체화한 것이라 생각하면 됩니다. 이 과정 또한 한 번에 정해진 순서에 따라 완성되는 것이 아닌 수정과 반복을 거듭하며 만족스러운 디자인 시안(인터렉션 설계도)이 나올 때까지 진행합니다. 스토리 보드를 제작하여 인터렉션 설계도를 수정, 반복하는 것이 좋습니다. (영화나 만화에서 사용하는 방식) 스토리 보드를 활용하면 사용자가 목표를 이루기까지의 과정을 구체적으로 살펴볼 수 있기 때문입니다.


구체적인 인터페이스보단 수정 반복을 지속할 수 있도록 러프하게 하는 것이 좋습니다.



2. 점검 시나리오

주요 경로 시나리오와 스토리보드를 통해 인터렉션의 설계도를 구체화하였다면 사용자가 자주 사용하는 기능에 대해 큰 뼈대가 그려졌을 것입니다. 점검 시나리오는 이 뼈에 살을 붙이는 역할을 합니다. 즉, 사용자가 덜 사용하는 부수적인 인터렉션을 설계하는 것입니다. 하지만 주요 경로 시나리오처럼 상세하게 제작하는 것이 아닌 발생 가능한 변수를 체크함으로써 이 변수를 수정하는 작업입니다.

점검 시나리오는 크게 변형된 주요 경로, 초기 설정, 극단적 활용사례를 체크합니다. 먼저 변형된 주요 경로의 경우 사용자가 주요 경로 시나리오와 비슷한 순서로 진행하지만 과업에서 중요한 결정을 할 때 다른 선택을 하는 경우에 해당합니다. 예를 들어 특정 사람에게 연락을 취하는 방법이 전화가 대표적일 수 있지만, 문자나 이메일을 사용할 수 있는 상황을 생각하시면 됩니다. 두 번째는 초기 설정입니다. 꼭 한 번은 거쳐야 하지만 자주 발생하지 않는 상황을 의미합니다. 이는 개인화된 프로그램 단축키를 다른 컴퓨터에서 사용할 때 개인화 단축키를 이 컴퓨터에 옮겨 사용하는 경우와 유사합니다. 마지막으로 극단적 활용 사례는 자주 발생하지는 않지만 문제가 발생할 경우 대처해야 하는 상황을 의미합니다. 예를 들어 시스템 업그레이드 중 인터넷이 끊기는 경우, 서버 데이터 조회 중 인터넷이 끊겨 오류가 발생하는 경우 등이 있습니다. 인터렉션을 설계할 때에는 중요한 요소에 포커스를 맞출 필요가 있지만 이러한 극단적 변수도 관리를 해주어야 합니다.

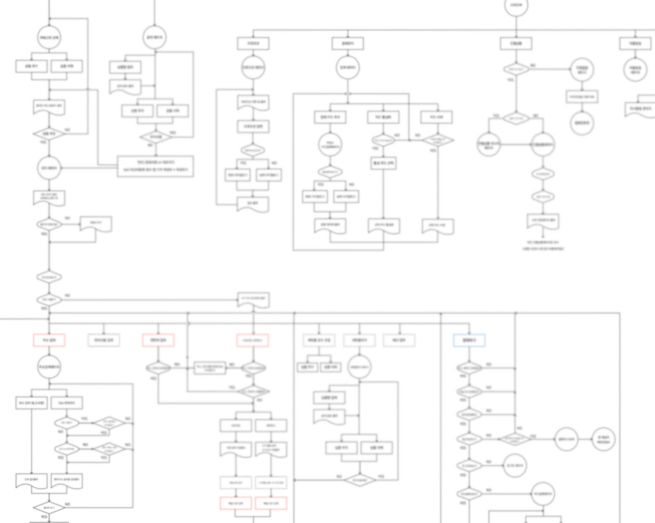
개인적으로 이 부분에서는 순서도(flow chart) 혹은 IA (Information acrhitechture)를 직접 그려보는 것을 추천합니다.(웹과 앱 기획에 한함) 사용자의 과업을 중심으로 프런트, 백, DB, 서버 전체를 순서도로 그려보면 극단적 변수들을 꼼꼼하게 체크할 수 있습니다. 사실 저는 서비스가 출시된 이 후 순서도를 그려보았는데 굉장히 여러 방면으로 사용성이 높았습니다. 새로운 팀원들에게 서비스를 이해시키기도 편할뿐더러, 개발자, 디자이너, 기획자 사이의 커뮤니케이션을 증진시킴을 확인할 수 있었으며 동시에 과업 수정의 중요도를 파악하기에도 용이하였습니다. 아마 점검 시나리오 단계에서 순서도 혹은 IA를 그려보는 것도 굉장히 좋은 방법 중 하나일 것입니다.


사용자 과업, 인터페이스, 서버데이터, 출력 결과물을 나타내면 효과적입니다. (블러 처리는 의도된 겁니다..)



세 가지 시나리오에 대해 지난 글에 이어 이번 글에도 설명을 마치겠습니다. 각각의 시나리오가 언제 어떻게 사용되는지를 완벽하게 이해하신다면 퍼소나를 바탕으로 좋은 인터페이스를 제작하실 수 있을 것이라고 생각합니다.

지금까지 UX 리서치, 시나리오라는 주제의 글들을 통해 사용자를 분석하고 그것을 실제 디자인으로 만드는 과정을 정리하였습니다. 이후의 내용은 비주얼이나 좋은 행동을 유발하는 디자인에 관한 내용입니다. 이 부분은 사실 어떤 제품을 제작하느냐 혹은 어떤 서비스를 제작하느냐에 따라 달라지는 부분이 많습니다. 다음 글 주제를 아직 결정하지는 않았지만 모바일 환경에 대한 이해를 돕기 위한 글 혹은 제가 스타트업에서 겪은 경험을 바탕으로 지금까지의 리서치와 시나리오 내용을 한번 더 정리하는 글이 될 것 같습니다. 아마 바뀔 수도 있습니다. 하하





객관적인 사실이나 용어가 잘못된 경우 알려주시고, 주관적인 의견도 다양한 피드백과 크리틱은 언제나 환영입니다. 읽어주셔서 감사합니다. ux 관찰과 공부라는 주제로 함께 글 올리실 분은 환영입니다. 매거진 들어가신 후 참여 신청 누르시면 됩니다. 매거진을 통해 서로 의견을 공유하고 공부하는 공간이 되길 바랍니다. 댓글과 구독, 좋아요는 힘이 됩니다!!

*글은 이주에 한번 이상 올릴 계획이고, 중간중간에 사례 소개나 분석하는 글을 섞어 올릴 예정입니다.




keyword
매거진의 이전글UX 시나리오 - 정황 시나리오 작성법