31. 세계의 원내감염을 위한 예방 병원

소아청소년과 외래 진료의 전략적 분리

by 연쇄살충마

소아청소년과 외래 진료의 전략적 분리: '건강한 아기'와 '아픈 아기' 클리닉 모델 심층 분석 보고서

image.png

태국 BNH 병원 well baby 와 Sick baby clnic


서론

현대 소아청소년과 외래 진료의 핵심 패러다임 중 하나는 건강한 아동(정기 검진, 예방 접종)과 아픈 아동(급성 질환)의 진료 동선을 전략적으로 분리하는 것입니다. 이 접근법은 단순히 계절성 질환에 대응하는 차원을 넘어, 감염병 확산을 막고 환자의 안전을 보장하며, 가족의 전반적인 의료 경험을 향상시키기 위한 근본적인 전략으로 자리 잡았습니다. 1950년대 미국과 유럽의 주요 소아병원에서 시작되었으며, 특히 신생아 집중치료실(NICU)과 일반 신생아실의 분리에서 발전되었습니다. 이 개념은 1980년대 이후 감염관리의 중요성이 대두되고 2000년대 이후 사스(SARS), 신종플루, 코로나19와 같은 세계적인 팬데믹과 의료 관련 감염(Healthcare-Associated Infections, HAIs)에 대한 부모의 인식 증가라는 시대적 배경 속에서 그 중요성이 더욱 부각되었습니다.

본 보고서는 '건강한 아기(Well Baby)'와 '아픈 아기(Ill Baby)' 환자군을 분리 운영하는 클리닉 모델의 임상적 타당성, 구체적인 실행 방법, 그리고 다각적인 효과를 심층적으로 분석하고자 합니다. 전 세계 주요 보건 기구의 지침과 다양한 국가의 실제 운영 사례를 종합적으로 검토함으로써, 이 모델의 효과성과 현실적 과제를 탐구하고 최적의 실행 모델을 위한 청사진을 제시하는 것을 목표로 합니다. 이를 통해 소아청소년과 진료 환경의 질적 향상을 도모하는 의료 기관 관리자 및 정책 입안자에게 실질적이고 증거에 기반한 통찰력을 제공할 것입니다.

image.png

Global Distribution of Hospitals Separating Well Baby and Ill Baby Services by Country 전세계에서 웰베이비와 일베이비가 나뉘어진 병원 수 대략 31개의 의료기관


본론


제1장: 환자 분리의 임상적 당위성

소아청소년과 진료 환경에서 건강한 아이와 아픈 아이를 분리해야 하는 이유는 명확한 과학적 근거에 기반합니다. 영유아는 성인에 비해 면역체계가 미성숙하여 감염에 취약합니다. 특히 신생아와 영아의 경우 산모로부터 받은 수동면역이 감소하는 시기와 능동면역이 형성되는 시기 사이(생후 6개월부터 만 6세이전까지)의 면역 공백기가 존재하여 감염 위험이 높습니다.
캐나다 소아감염학회(Canadian Paediatric Society)와 미국소아과학회(American Academy of Pediatrics)의 연구에 따르면, 소아과 외래에서 건강한 아이와 아픈 아이를 분리했을 때 교차 감염률이 약 60% 감소하는 것으로 나타났습니다.

연구 결과:

• 교차 감염률 60% 감소

• 병원 내 감염 발생률 40% 감소

• 항생제 내성균 전파 50% 감소

첫째, 유아는 면역 체계가 발달 중이고, 장난감을 입에 넣거나 긴밀한 신체 접촉을 하는 등의 특정 행동 양식으로 인해 감염성 질환에 매우 취약합니다. 실제로 건강 검진을 위해 병원을 방문한 건강한 아이의 호흡기 감염 발생 위험이 최대 20%까지 증가할 수 있다는 연구 결과는, 의료 환경 자체가 감염의 매개체가 될 수 있음을 보여줍니다. 대기실 의자, 테이블, 장난감 등에서 상당한 수준의 세균과 바이러스가 검출되는 것은 이러한 위험을 뒷받침하는 물리적 증거입니다.

둘째, '건강한 아이'와 '아픈 아이'를 명확히 구분하기 어렵다는 점이 감염 관리의 어려움을 가중시킵니다. 증상이 나타나기 전 잠복기 상태거나 무증상 감염 상태의 아동이 바이러스를 전파할 수 있기 때문입니다. 이러한 상황에서 홍역이나 수두처럼 전파력이 매우 높은 질환에 아직 예방 접종을 완료하지 않은 건강한 영아가 노출되는 것은 심각한 위험을 초래할 수 있습니다.

따라서 환자 분리 전략은 단순한 편의의 문제가 아니라, 가장 취약한 환자군을 보호하고 '예방'이라는 영유아 건강 검진의 핵심 목적을 달성하기 위한 필수적인 환자 안전 원칙입니다. 이는 감염의 사슬, 즉 감염원(아픈 아동)과 감염에 취약한 숙주(건강한 아동)의 접촉을 근본적으로 차단하는 가장 효과적인 예방 조치입니다.


현대 영유아 건강 검진: 예방 보건의 패러다임

영유아 건강 검진(Well-Child Visit)의 역사는 18~19세기 감염성 및 영양성 질환 관리에 초점을 맞추던 것에서 출발하여, 오늘날에는 포괄적인 건강 관리의 모델로 발전했다.4 현대의 영유아 건강 검진은 다음과 같은 핵심 요소들을 포함한다: 건강 증진, 예방 접종을 통한 질병 예방, 질병의 조기 발견, 그리고 발달, 안전, 영양에 대한 부모 교육 및 사전 지도(anticipatory guidance).

이러한 건강 검진의 목적과 실제 환경 사이에는 근본적인 모순이 존재한다. 예방적 의료 서비스를 제공하고 백신을 접종하기 위해 건강하지만 면역학적으로 취약한 아동(특히 신생아)을 병원으로 오게 하는 행위 자체가, 이들을 전염성 질환에 노출시키는 위험을 창출하기 때문이다. 즉, 의료 행위 자체가 새로운 '의원성 감염(iatrogenic risk)'의 원인이 될 수 있다. 환자 분리 모델은 바로 이 역설을 해결하기 위해 고안된 시스템 수준의 개입이다. 진료 환경의 위험을 제거하고 물리적 공간을 진료의 임상적 목적과 일치시킴으로써, 건강 검진에 내재된 모순을 해소하는 것을 목표로 한다.


외래 진료 감염 관리의 기본 원칙

환자 분리 전략의 과학적 근거를 이해하기 위해서는 주요 보건 기구들이 정의한 감염 예방 및 관리(Infection Prevention and Control, IPC)의 핵심 원칙을 먼저 살펴볼 필요가 있다.

주요 개념은 다음과 같다:

표준주의(Standard Precautions): 모든 환자가 잠재적으로 감염원일 수 있다고 가정하고, 모든 환자에게 적용하는 기본적인 감염 관리 조치이다. 여기에는 손 위생, 개인 보호 장비(Personal Protective Equipment, PPE) 착용, 호흡기 위생, 안전한 주사 행위 등이 포함된다.

전파 경로 기반 주의(Transmission-Based Precautions): 특정 병원체에 감염되었거나 감염이 의심되는 환자에게 표준주의에 더하여 추가적으로 적용하는 조치이다. 전파 경로에 따라 접촉주의, 비말주의, 공기주의로 나뉜다.

감염의 사슬(Chain of Infection): 감염이 발생하기 위해서는 감염원, 저장소, 탈출구, 전파 방법, 침입구, 숙주의 6가지 요소가 연결되어야 한다. 건강한 아동과 아픈 아동을 분리하는 것은 감염원(아픈 아동)과 감염에 취약한 숙주(건강한 아동)의 접촉을 차단함으로써 '전파 방법' 고리를 끊어내는 효과적인 전략이다.


이러한 기본 원칙들은 소아청소년과 진료 환경에서 환자 분리가 왜 선택이 아닌 필수적인 안전 조치인지를 명확히 보여준다. 이는 감염병의 확산을 막고, 가장 취약한 환자들을 보호하며, 예방 의료라는 본연의 목적을 안전하게 달성하기 위한 과학적이고 체계적인 접근법의 일환이다.

image.png

시스템의 구성 요소

물리적 공간 분리: 별도의 대기실, 진료실, 검사실 운영

시간적 분리: 건강검진과 질병 진료의 시간대 구분

의료진 분리: 전담 의료진 배치 또는 시간대별 구분

전담 의료진 배치

Well Baby 전담팀: 건강검진, 발달평가 전문

감염질환 전담팀: 감염병 진료 전문

응급 의료팀: 24시간 응급 상황 대응

동선 분리: 입구, 통로, 화장실 등의 구분

장비 분리: 청진기, 체온계 등 의료기구의 구분 사용


제2장: 글로벌 프레임워크

이 장에서는 주요 국제 및 국가 보건 기구들의 공식 권고안을 종합하고 비교 분석한다. 이를 통해 환자 분리의 필요성에 대한 전 세계적인 공감대를 확인하는 동시에, 구체적인 지침의 차이점을 조명한다.

image.png

2.1. 북미 표준: 미국소아과학회(AAP) 및 미국 질병통제예방센터(CDC)

미국소아과학회(AAP) 지침: AAP는 아픈 아동과 건강한 아동 간의 접촉을 최소화하는 정책 및 시설 설계를 강력히 권고한다.2 주요 권장 사항은 다음과 같다.

행정적 통제: 예약 시점과 내원 시 환자의 전염성 질환 여부를 사전 선별한다. 아픈 환자는 특정 시간대(예: 오후)에 집중적으로 진료하고, 신생아와 같은 고위험군 환자는 하루 중 가장 이른 시간에 예약하는 시간적 분리(temporal separation)를 시행한다.

환경적 통제: '아픈 환자 전용 출입구'와 같은 별도의 출입구를 사용하거나, 대기실을 분리하고, 증상이 있는 환자는 도착 즉시 진료실로 안내하는 물리적 분리(spatial separation)를 권장한다. 또한, 시간당 환기 횟수(air exchanges per hour, ACH)를 늘리고 가능한 경우 헤파(HEPA) 필터를 사용하는 등 환기의 중요성을 강조한다.

감염 예방 및 관리(IPC) 실행: 모든 표면, 특히 손이 자주 닿는 곳과 장난감에 대한 엄격한 세척 및 소독 프로토콜을 수립한다. 손 위생과 호흡기 위생/기침 예절을 철저히 준수하도록 교육하고 장려한다.

미국 질병통제예방센터(CDC) 지침: CDC의 외래 환자 환경 지침은 AAP의 권고를 뒷받침하며, 더 넓은 공중 보건의 틀을 제공한다.23 핵심 권장 사항은 다음과 같다.

조기 발견: 잠재적 감염 환자를 의료 시설 진입 시점에서 조기에 식별하고 관리하는 시스템을 개발하고 실행한다.24

감염원 통제(Source Control): 기침하는 환자에게 마스크를 제공하고, 대기 공간에서 최소 3피트(약 1미터) 이상의 물리적 거리를 유지하며, 가능한 경우 별도의 대기 공간을 사용하도록 권고한다.24

시설 자원: 의료 시설은 감염 예방 교육을 받은 담당자를 최소 1명 이상 지정하고, 표준주의를 준수하는 데 필요한 물품을 충분히 확보해야 한다.


2.2. 유럽 및 영국 모델: 국가 보건 시스템에 통합된 감염 관리

영국 국민보건서비스(NHS): NHS 지침은 아동 친화적이고 안전하며 치유적인 환경을 조성하는 데 중점을 둔다. 일차 진료 지침에서 대기실 분리를 명시적으로 규정하지는 않지만, 감염 관리 원칙은 의료 시설 설계의 필수 요건으로 간주된다. '병원 안의 아동 병원'이라는 개념은 소아 환자를 위한 전용의 보호된 공간 철학을 시사하며, 이는 불안감 완화와 안전한 '건강한 공간' 조성이라는 목표와 일치한다.

유럽 질병예방통제센터(ECDC): ECDC 지침은 포괄적인 원칙과 감시 체계에 초점을 맞춘다. 증거 기반 정책, 증상 발현 환자의 조기 식별 및 격리, 철저한 환경 위생을 강조하며, 이는 환자 분리 전략의 논리적 근거를 뒷받침한다.


2.3. 아시아-태평양 지역의 관점: 호주와 싱가포르의 혁신

호주: '의료 환경에서의 감염 예방 및 관리를 위한 호주 가이드라인'은 표준주의와 전파 경로 기반 주의를 강조하는 포괄적인 프레임워크를 제공한다. 대기실에서의 호흡기 위생/기침 예절 준수, 감염 환자의 신속한 식별 및 관리와 같은 핵심 원칙들은 환자 분리의 논리를 지지한다.

싱가포르: 2003년 사스(SARS) 사태의 교훈을 바탕으로, 싱가포르 보건부(MOH)와 국립감염병센터(NCID)는 의료 시설에 대한 매우 상세하고 구체적인 지침을 개발했다.47

공학적 통제: 신축 건물에는 특정 환기 횟수(ACH), 음압/양압과 같은 압력 차등 시스템, 헤파 필터링 등 고도의 환기 시스템이 표준으로 적용된다.

환자 동선 관리: 의료 시설 진입 시점에서 엄격한 발열 스크리닝을 실시하고, 유증상자를 전용 구역으로 안내하는 것이 표준화되어 있다.48 코로나19 팬데믹 기간에는 의료 서비스를 별도의 팀과 장소로 분리 운영하는 전략을 사용하기도 했다.


전 세계적인 지침들을 비교 분석해 보면, 중요한 패턴이 드러난다. 사스나 코로나19와 같은 심각한 호흡기 질환의 대유행을 직접 경험한 국가는 감염 관리에 대한 접근 방식을 근본적으로 바꾸는 경향이 있다. 이러한 경험은 일반적인 감염 관리 원칙을 매우 구체적이고 의무적인 건축 및 공학 표준으로 전환시키는 강력한 촉매제 역할을 한다. 예를 들어, 싱가포르는 사스 사태 이후 응급실 외부 발열 선별 구역과 음압 병실 같은 인프라를 대대적으로 강화했다. 이는 공중 보건 위기가 위험에 대한 재평가를 강제하고, '최선의 실행 방안'을 '필수 설계 요건'으로 법제화하는 과정으로 이어진다는 것을 보여준다. 즉, 운영상의 '권고'가 건축상의 '의무'로 격상되는 것이다.

또한, 각국의 규제 접근 방식에는 스펙트럼이 존재한다. 미국 모델(AAP/CDC)은 주로 개별 병의원이 채택할 수 있는 '권고' 기반의 지침을 제공한다. 반면, 싱가포르 모델은 감염 관리 사양이 국가 의료 시설 건축 법규에 통합된 하향식(top-down) '의무' 규제 접근 방식을 보여준다. 영국과 유럽 연합의 접근 방식은 국가 보건 시스템 내에서 원칙을 강조하는 중간적 형태를 띤다. 이러한 차이는 각국의 의료 시스템 구조를 반영하며, 한국의 병원 관리자는 자발적인 최선 실행 모델을 따를 것인지, 아니면 더 엄격하고 표준화된 규제를 옹호할 것인지에 대한 전략적 시사점을 얻을 수 있다.


제3장: 실행 모델: 건축 설계부터 운영 워크플로우까지

이 장에서는 환자 분리를 실제로 구현하는 방법, 즉 '어떻게'에 대해 상세히 다룬다. 물리적 설계부터 운영 절차에 이르기까지 다양한 실용적 방법론을 분석한다.

3.1. 공간적 분리 전략: 물리적 환경

3.1.1. 건축적 해결책: 출입구, 대기실, 그리고 진료 구역

가장 직접적인 분리 형태는 물리적 공간의 분할이다. 아픈 환자와 건강한 환자를 위해 완전히 분리된 출입구, 접수 창구, 대기실을 운영하는 클리닉들이 그 대표적인 예이다.1 이러한 공간의 설계는 아동의 불안감을 줄이는 데 초점을 맞춰야 하며, 자연 채광, 흥미를 유발하는 장식, 다양한 형태의 좌석 배치 등 아동 친화적이고 연령에 적합한 요소들을 포함해야 한다.58

완전한 구조적 분리가 어려운 경우, 가구나 낮은 선반 등을 활용하여 하나의 넓은 공간 내에 '구역(zone)'이나 '동네(neighborhood)' 개념을 도입하여 기능적 분리를 꾀할 수도 있다.58 이는 부모가 아이들에게 집중할 수 있는 통제된 환경을 조성하여 외부 스트레스 요인을 줄이는 데 도움이 된다.

3.1.2. 환경 공학: 환기와 공기 질의 결정적 역할

물리적 분리가 이루어지더라도 안전한 실내 환경을 조성하기 위한 기술적 접근은 필수적이다.

환기: 공기 중 미립자를 희석시키기 위해 높은 시간당 환기 횟수(ACH)를 유지하는 것이 중요하다. AAP는 환기 횟수 증가를 권장하며, 싱가포르에서는 신축 병원에 최소 12 ACH를 표준으로 적용한다.6 창문을 여는 자연 환기 또한 비용 효율적인 보완책이 될 수 있다.30

여과: 고효율 미립자 공기(HEPA) 필터는 재순환되는 공기에서 병원체를 제거하는 데 핵심적인 역할을 하며, 고위험 구역에 특히 권장된다.65

기류 및 압력 차등: 공기의 흐름 방향을 제어하기 위해 실내 압력을 조절하는 것은 가장 진보된 공학적 통제 방법이다. 예를 들어, 격리실을 주변 공간보다 낮은 압력(음압)으로 유지하면 오염된 공기가 외부로 유출되는 것을 방지할 수 있다. 이는 싱가포르의 병원 설계에서 중요한 기준으로 활용된다.48


3.2. 시간적 및 절차적 분리 전략: 환자 동선 관리

3.2.1. 전략적 예약 및 환자 코호팅

공간 대신 시간을 기준으로 환자를 분리하는 방법이다. 가장 일반적인 방식은 오전에 영유아 건강 검진과 같은 '건강한 아기' 진료를 집중시키고, 오후에는 급성 질환을 앓는 '아픈 아기' 진료를 배정하는 것이다. 더 나아가, 신생아나 면역 저하 아동과 같이 가장 취약한 환자군은 하루 중 가장 먼저, 즉 가장 깨끗한 환경에서 진료받도록 예약하는 전략도 효과적이다. 또한, 독감 예방 접종과 같이 유사한 유형의 진료를 특정 시간대에 블록으로 묶어 예약하면(block scheduling), 준비 및 정리 시간을 최소화하여 운영 효율성을 높일 수 있다.

3.2.2. 기술 기반 프로토콜: 원격 의료, 사전 선별, 그리고 가상 대기실

현대 기술을 활용하여 클리닉 내 물리적 접촉을 최소화하는 저비용 고효율 전략이다.

방문 전 선별: 행정 직원이 예약 확인 전화나 환자 포털을 통해 방문 전에 증상 유무를 확인하는 것은 효과적인 환자 분류의 첫 단계이다. 이 정보를 바탕으로 환자를 적절한 시간대나 공간으로 안내할 수 있다.

가상 대기실: '차 안에서 대기(wait in car)' 모델은 환자가 자신의 차에서 대기하다가 진료실이 준비되면 문자 메시지로 호출을 받는 방식이다. 이는 대기실에서의 대기 시간과 교차 감염 위험을 원천적으로 제거하는 매우 효과적인 방법이다.

원격 의료(Telehealth): 초기 평가, 추적 관찰, 또는 신체 검진이 반드시 필요하지 않은 상담의 경우, 화상이나 전화 진료를 활용할 수 있다. 이는 아픈 아동이 애초에 의료 시설에 들어오지 않도록 하여 감염 전파의 위험을 근본적으로 차단한다.

이러한 다양한 실행 모델들을 종합적으로 고려할 때, 가장 효과적이고 회복탄력성 있는 분리 전략은 '스위스 치즈 모델(Swiss Cheese Model)'에 비유할 수 있다. 이 모델은 완벽하지 않은 여러 개의 방어 계층(공간적, 시간적, 절차적, 공학적 통제)을 겹겹이 쌓아 강력한 시스템을 구축하는 개념이다. 단순히 분리된 대기실 하나에만 의존하는 것은 시스템의 본질적인 결함(예: 잘못된 환자 분류, 무증상 전파, 동반한 형제자매 문제, 계절에 따른 혼잡도 불균형) 때문에 충분하지 않다.2 각 방어 계층에는 구멍(결함)이 있지만, 여러 계층을 통과하면서 병원균이 모든 구멍을 동시에 통과할 확률은 기하급수적으로 낮아진다. 따라서 전문가적 관점에서 최선의 권고는 단 하나의 전략을 선택하는 것이 아니라, 절차적, 건축적, 공학적 통제가 서로를 보강하는 다층적 방어 시스템을 구현하는 것이다.

이러한 다층적 모델을 도입하면 운영상의 중요한 변화가 수반된다. 전통적인 모델에서는 환자가 도착한 후 간호사가 처음으로 임상적 분류(triage)를 수행하지만, 분리 모델에서는 환자가 '건강한지' 또는 '아픈지'에 대한 판단이 도착 이전에 이루어져야 한다. 이 결정에 따라 환자는 다른 출입구로 안내되거나, 다른 시간대에 예약되거나, 차에서 대기하라는 지시를 받게 된다.30 이는 환자 분류의 책임이 임상 인력에서 예약 및 사전 연락을 담당하는 행정 직원이나 자동화 시스템으로 이동함을 의미한다. 따라서 행정 직원을 위한 명확한 스크립트와 프로토콜 개발, 전자의무기록(EMR) 또는 예약 시스템의 기능 개선(예: 위험군 환자 '플래그' 기능), 그리고 초기 분류 오류 발생 시 이를 신속하게 교정할 수 있는 명확한 업무 절차 수립이 필수적이다.


제4장: 다각적 영향 평가 및 현실적 과제

이 장에서는 환자 분리 모델의 효과를 임상적 결과, 환자 및 가족 경험, 그리고 운영 효율성이라는 세 가지 중요한 관점에서 평가한다.

4.1. 임상적 효능: 감염률 감소에 대한 증거

환자 분리 모델이 실제로 의료 관련 감염(HAI)을 줄이는지에 대한 직접적인 증거를 확보하는 것은 쉽지 않다. 병원 내 감염과 지역사회 감염을 명확히 구분하기 어렵기 때문이다.9 일부 연구에서는 병원 방문 그룹과 비방문 그룹 간 감염률에 유의미한 차이가 없다고 보고한 반면, 다른 연구에서는 건강 검진 후 인플루엔자 유사 질환의 위험이 증가했다고 보고하여 결과가 엇갈린다.9

그러나 간접적인 증거들은 분리 모델의 임상적 타당성을 강력하게 뒷받침한다.

미생물 부하량 연구에 따르면, '아픈 아이' 대기 구역의 표면 오염도가 '건강한 아이' 구역보다 현저히 높게 나타나, 분리의 기본 전제가 타당함을 입증한다.10

병원 환경에서 다인실 대비 1인실 사용이 병원 내 감염률, 균혈증, 다제내성균(MDROs) 획득률을 유의미하게 감소시킨다는 연구 결과는, 물리적 분리가 감염 전파를 줄인다는 원칙을 지지한다.69 이는 대기실 환경에 직접 적용될 수는 없지만, 공간 분리의 효과를 보여주는 중요한 근거이다.

보육 시설에서 아픈 아동을 등원시키지 않는 정책이 감염병 발생을 효과적으로 줄인다는 사실 또한, 집단 환경에서 감염원과 감수성 숙주를 분리하는 것의 공중 보건학적 효과를 보여주는 유사 사례이다.8

4.2. 환자 및 가족 경험: 안전, 만족, 그리고 불안감 감소

환자 분리 모델의 가장 중요하고 측정 가능한 이점 중 하나는 감염률 감소라는 임상적 지표보다 부모의 심리에 미치는 긍정적인 영향일 수 있다.

인지된 안전감과 불안 감소: 분리된 공간, 철저한 소독 등 눈에 보이는 감염 관리 노력은 특히 신생아나 면역이 약한 자녀를 둔 부모에게 큰 심리적 안정감을 제공한다.71 이는 건강한 아이를 의료 환경에 데려오는 것에 대한 부모의 불안감을 크게 줄여준다.

환자 만족도: 부모의 만족도는 병원 경영의 핵심 지표이다. 길고 예측 불가능한 대기 시간은 불만의 주요 원인이다.75 반면, 깨끗하고 안전하며, 충전 스테이션이나 편안한 좌석 등 가족의 필요를 충족시키는 아동 친화적인 대기 공간은 전반적인 의료 경험을 향상시킨다.61

아동의 경험: 분리 불안과 의료 환경에 대한 두려움은 아동에게 흔한 문제이다.79 '아픈 아이' 공간과 명확히 구분되는, 놀이가 가능하고 위협적이지 않은 '건강한 아이' 공간을 조성하는 것은 아동의 스트레스를 줄이고 예방적 의료에 대한 긍정적인 인식을 심어주는 데 도움이 된다.58

결론적으로, 환자 분리 모델의 투자 수익률(ROI)은 단순히 의료 관련 감염률 감소만으로 측정되어서는 안 된다. '안전하다는 느낌' 자체가 강력한 시장 차별화 요소이기 때문이다. 감염 감소에 대한 직접적인 증거는 지역사회 감염이라는 변수 때문에 명확히 입증하기 어렵지만 9, 대기실의 세균에 대한 부모의 불안은 잘 알려진 사실이다.71 눈에 보이는 분리 전략(별도 출입구, 깨끗한 '건강' 구역)은 이러한 불안을 직접적으로 해소하며, 안전하고 수준 높은 의료 서비스를 제공한다는 강력한 인식을 심어준다.73 경쟁적인 의료 시장에서 이러한 긍정적인 환자 경험은 가족이 특정 병원을 선택하고 지속적으로 이용하게 만드는 핵심 동인이 될 수 있다. 따라서 분리 모델의 가치는 환자 만족도 점수, 긍정적인 온라인 리뷰, 환자 유지율과 같은 지표를 통해 더 효과적으로 측정될 수 있다.

4.3. 운영 성과: 병원 효율성, 대기 시간, 그리고 처리량에 미치는 영향

환자 분리 모델은 병원의 워크플로우에도 긍정적인 영향을 미칠 수 있다.

워크플로우 개선 가능성: 전용 동선을 만듦으로써 업무 프로세스를 간소화할 수 있다. 예를 들어, 건강 검진을 블록으로 예약하면 의료진이 예방 접종 약물과 서류를 일괄적으로 준비할 수 있어 효율성이 향상된다.67

대기 시간 단축: 효과적인 분리 및 예약 시스템은 전체 대기 시간과 환자의 병원 체류 시간을 줄일 수 있다.67

'내부 대기실' 개념의 도입: 소아 응급실 연구에 따르면, 검사 결과를 기다리는 등 안정적인 상태의 환자를 진료실이 아닌 별도의 비임상적 공간(예: 놀이방)으로 이동시키는 것만으로도 귀중한 진료실 자원을 확보할 수 있다. 이는 새로 도착한 환자가 진료실에 배정되기까지의 시간(time-to-rooming)을 크게 단축시키고, 특히 환자가 몰리는 시간대에 전체 병원 체류 시간(length of stay)을 줄이는 데 매우 효과적이다.85

이 '내부 대기실' 또는 '놀이방' 모델은 임상 공간 활용 방식의 패러다임 전환을 의미한다. 이는 '진료실'을 '환자가 방문 내내 머무는 장소'라는 개념에서 분리하여, '적극적인 검사와 처치를 위한 고부가가치의 일시적 자원'으로 재정의한다. 전통적인 모델에서는 환자가 접수부터 퇴원까지, 심지어 검사 결과를 기다리는 동안에도 진료실을 계속 점유한다.86 놀이방 모델은 환자가 안전하게 대기할 수 있는 별도의 공간을 제공함으로써 진료실을 다시 '사용 가능한 자원 풀'로 되돌려 놓는다. 소아 응급실 연구에서 입증되었듯이, 이는 진료실 부족이라는 병목 현상을 해소하여 환자 처리량을 극적으로 향상시킨다.86 이는 단순히 더 빨리 일하는 것뿐만 아니라, 물리적 공간의 사용과 그 안에서의 환자 동선을 재고함으로써 효율성을 얻을 수 있다는 강력한 운영적 통찰을 제공한다.


제5장: 현실적 과제와 경제적 실행 가능성

이 장에서는 환자 분리 모델을 구현하는 데 따르는 어려움과 비용을 현실적으로 평가하고, 투자 수익률 분석을 위한 프레임워크를 제시한다.

5.1. 실행의 장애물: 환자 분류의 복잡성부터 시설의 제약까지

환자 분류 및 정의의 어려움: '아픈'과 '건강한'의 경계는 종종 모호하다. 건강 검진을 위해 온 아이가 가벼운 기침을 할 수도 있고, 복통과 같이 비전염성 문제로 온 아이가 '아픈 아이'로 잘못 분류될 수도 있다.2 건강한 아이의 진료에 아픈 형제자매가 동반하는 경우 문제는 더욱 복잡해진다.13

공간 및 인력 활용의 비효율성: 엄격한 물리적 분리는 공간의 비효율적 사용으로 이어질 수 있다. 여름철에는 학교 검진 등으로 '건강' 대기실이 붐비는 반면 '질병' 대기실은 비어있고, 겨울철 독감 시즌에는 그 반대 현상이 나타날 수 있다.13 별도의 접수 인력이 필요할 경우 인력 운영의 어려움도 발생할 수 있다.

물리적 시설의 한계: 기존 건물에 별도의 출입구나 대기실을 만들거나, 환기 시스템을 개선하는 것은 비용이 많이 들거나 구조적으로 불가능할 수 있다.63

환자 행동 및 순응도: 시스템의 성공은 환자와 보호자의 협조에 달려있다. 보호자가 증상을 솔직하게 말하지 않거나, 자신의 아픈 아이를 다른 아이들로부터 보호하려는 생각에 '건강' 구역을 선택할 수도 있다.13

5.2. 비용-편익 분석 프레임워크

환자 분리 모델 도입의 경제적 타당성을 평가하기 위해서는 병원 자체의 재무제표를 넘어 시스템 전반의 절감 효과와 사회적 편익까지 고려해야 한다. 한 연구에 따르면, 분리 모델을 운영하는 클리닉 자체는 독립적인 개체로 보았을 때 수익성이 낮을 수 있지만, 응급실 방문 감소나 예방 가능한 입원 감소와 같은 시스템 전체의 편익을 포함하면 순편익이 매우 긍정적으로 나타날 수 있다.90 이는 분리 모델에 대한 투자가 단순한 병원 비용이 아니라, 더 넓은 경제적 수익을 창출하는 전략적 공중 보건 이니셔티브로 재구성될 수 있음을 시사한다.

5.2.1. 투자 및 운영 비용

자본 비용: 분리된 공간을 위한 건축/리모델링 비용, 환기 시스템(HVAC) 업그레이드, 새 가구 구입 등이 포함된다.91 비용은 절차 변경만 하는 경우 거의 들지 않을 수 있지만, 대규모 공사의 경우 수억 원에 이를 수 있다.92

운영 비용: 추가 인력 비용, 강화된 환기로 인한 공공요금 증가, 추가적인 청소 용품 및 개인 보호 장비 비용, 가상 대기실과 같은 기술 구독료 등이 발생할 수 있다.91 특히 인건비는 병원 지출에서 가장 큰 비중을 차지하는 항목이다.94

5.2.2. 정량화 가능한 수익: 임상적, 재정적, 그리고 평판적 이익

임상적/사회적 편익: 의료 관련 감염 감소는 하위 의료 비용(응급실 방문, 입원 감소)을 줄이고, 자녀 간호로 인한 부모의 생산성 손실을 막는 사회적 편익으로 이어진다.90 예를 들어, 소아청소년과 일차 진료에 통합된 행동 건강 서비스에 1달러를 지출하면 약 1.16달러의 의료비 절감 효과가 있다는 연구 결과도 있다.98

클리닉의 재정적 편익: 환자 처리량 및 수용 능력 증가는 직접적인 수익 증대로 이어질 수 있다.85 향상된 환자 만족도와 평판은 신규 환자를 유치하고 기존 환자의 이탈을 막아 시장 점유율을 높이는 데 기여한다.71

위험 완화: 지역사회 감염병 발생의 진원지가 될 위험을 줄여, 상당한 평판 손상과 잠재적 법적 책임을 회피할 수 있다.

가장 경제적으로 효율적인 해결책은 건축적 변경보다는 절차적, 기술적 접근인 경우가 많다. '차 안에서 대기', 원격 의료를 통한 사전 분류, 시간적 예약 분리와 같은 전략들은 최소한의 자본 투자로 높은 수준의 환자 분리 효과를 달성할 수 있다. 이는 예산이나 시설에 제약이 있는 기존 클리닉에게 가장 실행 가능한 출발점을 제공한다. 따라서 단계적인 접근법이 가장 실용적인 권장 사항이 될 수 있다. 클리닉은 먼저 저비용의 절차적/기술적 해결책을 최대한 활용한 후, 고비용의 건축적 변경을 고려해야 한다.


image.png

제6장: 전 세계 실행 사례 연구

이 장에서는 앞서 분석한 이론적 개념들을 실제 세계의 사례에 적용하여, 다양한 클리닉들이 어떻게 환자 분리 전략을 성공적으로 구현했는지 보여준다.


미국의 모범 사례 북미지역 (12개 기관)


미국의 소아과 진료 체계에서는 예방 접종과 성장 발달 검진(Well Baby)을 위한 정기 검진(Well Visit)과 질병 치료(Ill Baby)를 위한 일상 진료(Sick Visit)를 명확히 구분하고 있습니다. 미국 소아과 학회(AAP)는 아기와 어린이들이 출생 후 첫 해에 약 6~7회, 2~3세까지 연 2회, 3세 이후 연 1회씩 정기 건강 검진을 받도록 권고하고 있으며, 이러한 정기 검진(Well Visit)은 예방 접종, 성장 발달 평가, 영양 및 안전 교육 등이 포함된 포괄적인 검진입니다. 반면 Ill Baby 진료(Sick Visit)는 아이가 발열, 기침, 설사 등 급성 증상을 호소하거나 질병에 걸렸을 때 방문하는 진료로, 증상에 대한 진단과 치료, 조기 회복을 목표로 합니다.

미국의 많은 소아과 병원과 클리닉들은 Well Baby와 Ill Baby를 물리적으로나 시간적으로 분리하여 진료를 진행합니다. 물리적 분리의 경우, 병원 대기실을 “Well” 영역과 “Sick” 영역으로 나누거나, 별도의 검사실을 운영하여 건강한 아이와 아픈 아이가 섞이지 않도록 합니다. 예를 들어 일부 소아과에서는 건강 검진용 대기실과 병원용 대기실을 완전히 분리하고, 심지어 다른 출입구를 사용하게 하여 건강한 아이들이 감염원에 노출되는 것을 방지합니다. 시간적 분리의 경우, 하루 중 특정 시간대를 Well Baby 전용으로 할당하고 다른 시간대에 Ill Baby 진료를 하는 방식이 쓰입니다. 한 소아과에서는 점심 전까지는 건강한 아이들만 진료하고 점심 이후부터는 아픈 아이들만 진료하는 식으로 의사별로 Well/Sick 스케줄을 나누어 운영하기도 합니다. 이러한 운영 방식은 병원 내 감염 예방과 진료 효율화에 도움이 되며, 실제로 “Well Baby 전용”과 “Sick Baby 전용”으로 구분된 병원들이 미국 전역에 다수 존재합니다.

미국 소아과 Well Baby 진료의 주요 내용은 성장 발달 모니터링과 예방 접종입니다. 정기 검진 시 소아과 의사는 아기의 신장, 체중, 두뇌둘레를 측정하여 성장 곡선에 기록하고, 예방 접종 일정에 따라 백신 접종을 실시합니다. 또한 발달 지표 검사를 통해 신체 발달, 언어 발달, 사회적 발달이 정상 범위인지 평가하고, 영유아 보육 방법, 영양 섭취, 수면 패턴, 치아 관리, 안전 등에 대한 부모 교육을 제공합니다. Ill Baby 진료의 경우, 발열, 감기, 설사 등 급성 질환에 대한 진단과 치료가 주된 내용입니다. 소아과 의사는 증상에 대한 세부 문진과 신체 검사를 통해 원인을 파악하고, 필요한 경우 검사를 시행하여 감염성 질환 여부를 확인합니다. 이후 약물 처방, 가정 치료법 안내, 재방문 지침 등을 제공하여 아이의 조기 회복을 돕습니다. 만약 중증 환자라면 응급실로 이송하거나 입원을 권고하기도 합니다.

미국 소아과 진료 체계의 장점은 체계적인 예방 의료와 환자 안전입니다. Well Baby 클리닉을 통해 예방 접종률을 높이고 질병 예방에 주력함으로써, 유아기 질병 발생을 사전에 줄이고 있습니다. 또한 Ill Baby 진료와 분리함으로써 건강한 아이들이 병원에서 병균을 노출받는 위험을 최소화하고 있습니다. 물리적·시간적 분리 운영은 감염병 확산 방지와 환자 및 보호자 안심에 기여합니다. 아울러 Well Visit과 Sick Visit이 별도로 청구되기 때문에(Well Visit은 예방 접종 등이 포함된 포괄 청구, Sick Visit은 진료 행위별 청구), 보험 청구와 진료 효율 측면에서도 유리합니다. 단점으로는 진료 분리로 인한 비용 증가와 일부 지역의 접근성 제한을 들 수 있습니다. 병원이 Well/Sick 구분을 위해 추가 공간과 인력을 투입해야 하므로 운영 비용이 늘고, 소규모 클리닉의 경우 물리적 분리가 어려워 감염 위험이 상존할 수 있습니다. 또한 Well Baby 진료는 일반적으로 예방 접종 포함 전액 보험 적용이지만, Ill Baby 진료는 자기 부담금이 있을 수 있어 경제적 부담이 될 수 있습니다. 다만 이러한 단점들은 질병 예방 효과와 환자 안전이라는 이점을 고려할 때, 미국 사회에서 광범위하게 수용되고 있는 편입니다.

요약하면, 미국의 소아과 체계는 Well Baby 정기 검진과 Ill Baby 진료를 명확히 분리하여 운영함으로써 예방 의료와 치료 의료를 균형 있게 제공하고 있습니다. 대기실과 검사실의 분리, 진료 시간대의 구분 등 체계적인 운영 방식을 통해 건강한 아이들의 안전을 지키면서도 아픈 아이들에게는 적시에 치료를 제공하는 것이 미국 소아과 진료의 특징입니다.

애트리움 헬스 레빈 아동병원 (Atrium Health Levine Children's, 노스캐롤라이나 주 샬럿): 이 병원 시스템은 여러 지점에서 건강한 아동, 아픈 아동, 그리고 신생아를 위한 별도의 대기 공간을 표준으로 운영한다. 이는 대규모 의료 네트워크 내에서도 분리 모델을 성공적으로 확장할 수 있음을 보여주는 명확한 사례이다.52

플레전트 힐 소아청소년과 (Pleasant Hill Pediatrics): 이 클리닉은 대기실을 아픈 환자와 건강한 환자 구역으로 나누고, 각 구역에 별도의 놀이 공간을 마련한 기본적인 모델의 좋은 예시이다.1

로즈웰 소아청소년과 (Roswell Pediatrics): 이 클리닉은 모든 지점에서 아픈 환자와 건강한 환자를 위한 별도의 출입구와 접수 공간을 제공한다고 명시적으로 광고하며, 이를 핵심적인 마케팅 및 환자 안심 전략으로 활용하고 있다.

조지아주 롱스트리트 클리닉(Longstreet Clinic Pediatrics) 5개의 소아과 진료소에서 건강한 아이들과 아픈 아이들을 위한 별도의 대기실을 운영하고 있으며, 게인즈빌에 있는 별도의 WeeCare 사무소는 생후 6개월까지의 웰 베이비 방문만을 전담하여 질병 노출을 최소화하고 있습니다


Boston Children's Hospital
위치: 보스턴, 매사추세츠주

순위: 2025년 뉴스위크 선정 세계 최고 소아병원 1위 분리 진료 시스템:

Children's Hospital Primary Care Center (CHPCC)에서 건강검진과 질

병 진료를 시간대별로 분리

Well-child visit는 오전 시간대에 집중 배치 Sick visit는 오후와 저녁 시간대에 운영

Rainbow Team을 통한 특별 관리 프로그램 운영

Young Parents Program에서 신생아 관리 교육 제공


존스 홉킨스 어린이센터(Johns Hopkins Children's Center)
학제간 팀 접근법을 통해 지역사회 보건 요원들과 함께 복합적 치료를 제공합니다. 이들은 겸상적혈구병 환자, 천식 환자, 산후우울증 산모들을 위한 별도의 프로그램을 운영하며, 각각 다른 치료 환경에서 서비스를 제공합니다


Children's Hospital of Philadelphia (CHOP)

위치: 필라델피아, 펜실베이니아주

순위: 2025년 뉴스위크 선정 세계 소아병원 3위 분리 진료 시스템:

• 신생아/영아 집중치료실(N/IICU) 내 격리 시설 완비

• 외래 진료에서 감염 환자 별도 대기 공간 운영

• Global Patient Services를 통한 국제 환자 관리

• 첨단 공기 순환 시스템과 음압 격리실 운영


Children's Hospital Los Angeles (CHLA)

위치: 로스앤젤레스, 캘리포니아주

순위: 2024년 뉴스위크 선정 세계 소아병원 4위 분리 진료 시스템:

Urgent Care 클리닉에서 응급 환자와 일반 환자 분리

별도의 감염 관리 프로토콜 적용

캘리포니아주 전역 0-21세 환자 대상 포괄적 서비스

Nationwide Children's Hospital (오하이오): Global Patient Services와 Close To Home 프로그램

Cincinnati Children's Hospital: 심장병 치료 분야 특화

Johns Hopkins All Children's Hospital (플로리다): 플로리다주 1위 소아병 원


캐나다

Hospital for Sick Children (SickKids), 토론토

위치: 토론토, 온타리오주

순위: 2025년 뉴스위크 선정 세계 소아병원 2위

설립: 1875년 캐나다 최초 소아병원

분리 진료 시스템:

Baby Hip Clinic: 발달성 고관절 이형성증 전문 클리닉

Neonatal Neurodevelopmental Follow-Up Clinic (NNFU): NICU 퇴원 환아 추적 관리

감염병 환자 별도 격리 병동 운영

세계적 수준의 선천성 심장병 분리수술 시행 (1966년 캐나다 최초)

정신건강 센터(Garry Hurvitz Centre) 별도 운영


한국과 아시아 (9개 기관)

대한민국은 국가 예방접종 프로그램과 보건소 유아건강검진을 통해 Well Baby 관리를 실시하고 있습니다. 질병관리청과 지역 보건소는 신생아부터 6세까지 정기적인 유아 건강검진을 제공하며, 출생 후 1개월, 2개월, 4개월, 6개월, 9개월, 12개월, 18개월, 24개월, 30개월, 36개월, 48개월, 60개월 등에 무료 또는 보조금 대상 검진을 시행합니다. 이러한 검진은 지역 보건소나 지정 의료기관에서 실시되며, 신체 계측, 발달검사, 예방접종 등이 포함됩니다. 예방 접종은 국가 예방접종 일정표에 따라 B형간염, 백일해·디프테리아·파상풍, 폐렴구균, 로타바이러스, 일본뇌염 등 다수의 백신이 보건소나 의료기관에서 무료 접종됩니다. 한국의 Well Baby 체계는 모자 건강수첩을 통해 모든 검진 및 접종 이력을 기록·관리하며, 보건소의 모자상담사가 산모와 아기의 건강 상태를 모니터링하고 양육 교육을 제공합니다. Ill Baby 진료의 경우, 한국에는 대형 종합병원 소아과부터 지역 소아과의원까지 광범위한 의료망이 있어 아픈 아이는 주로 가까운 소아과 병원/의원을 방문합니다. 일반의보다 소아과 전문의을 선호하는 경향이 있어, 일반 병원의 소아과나 전문 소아과 의원에서 발열, 감기, 설사 등의 진료를 받습니다. 응급 환자는 응급실이나 24시간 영업 소아과 병원을 이용하고, 중증 환자는 대형 종합병원 소아과로 전원됩니다. 한국 소아과 병원들은 외래 진료 시 감염 환자와 비감염 환자를 구분하고, 입원 시 질환별 병동을 두어 감염 관리를 실시합니다. 한국 모델의 장점은 국가 예방접종으로 백신 예방질환 발병률이 낮고, 보건소 검진으로 성장 발달 이상을 조기에 발견하여 재활 치료 등에 대비할 수 있다는 점입니다. 또한 의료기관 밀집도가 높아 어디서나 비교적 쉽게 소아과 진료를 받을 수 있고, 의료진의 전문성도 높습니다. 단점으로는 대형 병원 중심의 진료로 인한 과밀과 대기시간 문제, 그리고 농어촌 지역의 소아과 의원 부족 현상이 지적됩니다. 또한 일부 부모의 과도한 진료 의존으로 미미한 증상에도 병원을 찾는 경우가 많아 의료자원 낭비 우려도 있습니다. 그럼에도 불구하고 한국은 Well Baby 정기 검진과 예방접종을 통해 유아 건강 기반을 다지고, Ill Baby 진료는 민간 의료망이 충실히 수행하는 포괄적 소아의료 체계를 갖추고 있습니다.


서울대학교 어린이병원

위치: 서울시 종로구

특징: 한국 유일의 국립 소아병원 분리 진료 시스템:

Well Baby Clinic 운영: 발달 지도 및 건강검진 감염병 환자 별도 격리 병동

호흡기 환자 전용 진료실

COVID-19 대응 소아 격리 시설 운영

넥슨 어린이 통합케어센터: 국내 최초 독립형 소아 임시간병 시설

기타 한국 주요 병원들

삼성서울병원 소아청소년과: 감염병 환자 별도 진료실 운영

서울아산병원 어린이병원: 신생아 집중치료실 격리 시설

연세세브란스 어린이병원: 소아 응급실 감염 환자 분리

미즈메디 여성병원(MizMedi Women's Hospital) ; Well Baby와 Sick Baby 구역을 별도로 운영하여 신생아 예방접종과 관련된 공간을 분리하고 있습니다.


대한민국의 혁신 사례

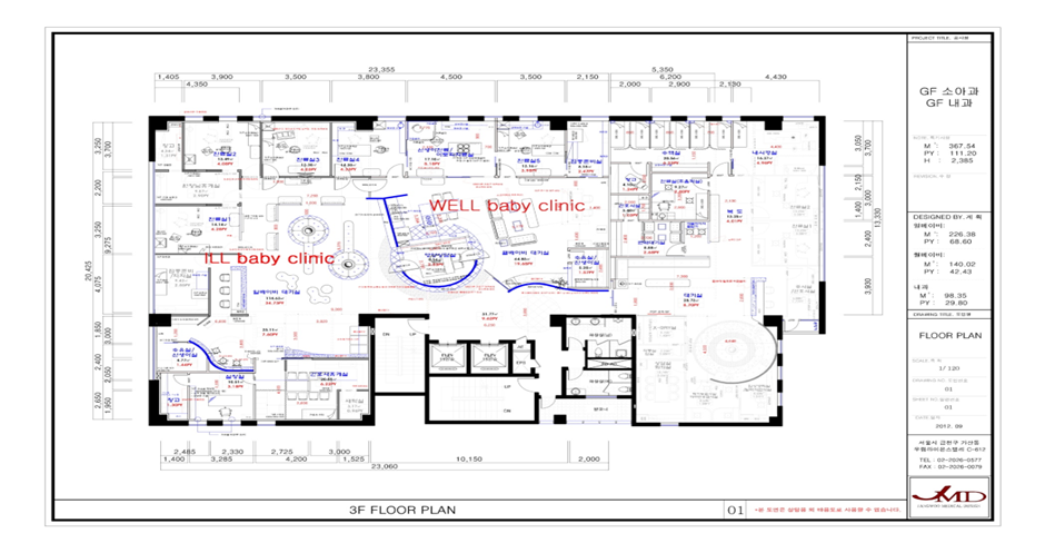
GF소아청소년과의원: 이 클리닉은 정교한 공간 분리 모델의 대표적인 사례이다. 김우성 대표원장은 기존 공간을 확장하여 한국 최초로 병원 중앙을 분리, '웰 베이비 클리닉'과 '일 베이비 클리닉'으로 나누었다. 이를 통해 환자군을 완전히 분리하면서도 의사의 동선은 효율적으로 유지하는 워크플로우를 구축했다. 이는 본 보고서의 주요 독자인 한국 의료계에 직접적인 시사점을 제공하는 중요한 사례이다.

image.png 서울 GF 소아과의 Well baby와 ILL baby clinic의 분리 (2025년 8월에 well baby clinic 없어짐)
image.png 서울 GF 소아과의 Well baby와 ILL baby clinic의 분리 (2025년 8월에 well baby clinic 없어짐)

서울 린 소아청소년과: 이 클리닉은 감염에 취약한 신생아와 검진 및 예방 접종을 위해 내원한 아이들을 위한 대기실을 별도로 분리하여 운영하고 있음을 명확히 밝히고 있다. 이는 환자 분리 정책이 한국 시장에서도 이미 환자의 불안감을 줄이는 가치 있는 서비스로 인식되고 있음을 보여준다.


일본

일본은 세계에서 가장 체계적인 유아 건강관리 체계 중 하나를 갖추고 있습니다. 국가 차원의 “정기 건강 검진” 제도가 있으며, 출생 후 1개월, 4개월, 6개월, 1세, 1세6개월, 3세, 4세, 5세에 무료의 소아 건강 검진을 제공합니다. 이러한 검진은 주로 지자체(도시·군·구) 보건소나 지정 보건기관에서 실시되며, 아기의 성장 발달, 신체 검사, 발달 지연 스크리닝, 예방 접종 확인 등이 이루어집니다. 1개월 검진은 보건소에서 실시되고, 4개월, 6개월 검진은 지정된 병원이나 보건소에서 받으며, 1세 이후 검진은 학교 진료소나 보건소에서 실시됩니다. 일본 보건소는 아기 체중 측정, 모유수유 상담, 아동 보육 교육 등도 병행하여 부모 지원 프로그램을 운영합니다. 예방 접종은 지자체가 발급하는 접종 쿠폰을 이용하여 소아과 병원이나 보건소에서 무료로 접종받습니다. 일본의 Well Baby 체계는 모자 건강 수첩이라는 개인 건강 기록부를 통해 모든 검진과 접종 이력을 관리하고, 보건사의 가정 방문으로 신생아 가정을 방문하여 산모와 아기의 건강 상태를 확인하는 등 가정 차원의 지원도 포함합니다. Ill Baby 진료의 경우, 일본에는 많은 민간 소아과 병원과 의원이 있어 일반적인 아픔은 가까운 소아과 병원을 방문합니다. 일반의보다는 소아과 전문의에 대한 신뢰도가 높아, 발열이나 감기 같은 경우도 소아과 병원을 찾는 경향이 있습니다. 응급 상황은 응급실이나 24시간 영업 소아과 병원을 이용하며, 중증 환자는 소아과 전문병원이나 대학병원으로 이송됩니다. 일본의 소아과 병원들은 외래와 입원을 분리하고, 감염성 환자는 격리실에서 진료하는 등 감염 관리를 철저히 합니다. 일본 모델의 장점은 국가가 주도하는 포괄적 유아 건강관리로 영유아 사망률 감소와 발달 장애 조기 발견에 효과적이라는 점입니다. 모든 아이가 정기 검진을 받고 예방 접종률도 매우 높아 백신 예방 질환 발생률이 낮습니다. 또한 보건사의 가정 방문으로 초기 아동 양육 지원이 이뤄져 부모의 안심과 아기의 건강에 기여합니다. 단점으로는 검진 일정이 매우 빈번하여 부모의 시간 부담이 있을 수 있고, 일부 농촌 지역에서는 소아과 의원 부족으로 진료 접근성이 떨어질 수 있다는 지적이 있습니다. 그러나 전반적으로 일본은 Well Baby 체계를 통해 유아기 건강을 높은 수준으로 관리하고, Ill Baby 진료는 민간 의료망이 충실히 지원하는 소아의료 체계를 갖추고 있습니다.


St. Luke's International Hospital (도쿄):

Well Baby Clinic 운영: 월-목 오전 8:30-11:00 영유아 건강검진 및 예방접종 별도 시행

감염 환자와의 완전 분리 시스템

image.png

일본 동경 성누가 국제병원의 well baby clinic과 Sick baby clinic싱가포르 및 기타

무라카미 알러지 센터 https://www.murakami-ped.or.jp/

6.4.4 그외..

중국

중국은 정부 주도의 모자보건 체계를 통해 신생아 및 유아의 건강관리를 실시하고 있습니다. 중국 국가위생건강위원회는 “모성 및 아동 보건법”에 따라 신생아 출생 후 1주일 내 가정 방문과 정기 아동 건강검진을 의무화하고 있습니다. 주요 검진 시기는 출생 후 42일, 3개월, 6개월, 12개월, 18개월, 24개월, 30개월, 36개월이며, 이후 학령 전까지 매년 1회 검진을 권고합니다. 이러한 검진은 주로 지역 보건센터나 산부인과·소아과 병원에서 실시되며, 신체 계측, 발달 평가, 예방접종이 포함됩니다. 예방 접종은 국가 예방접종 프로그램에 따라 백신을 무료로 제공하며, 디프테리아·백일해·파상풍, 폐렴구균, B형간염, 일본뇌염 등 다수의 백신을 유아기에 접종합니다. 중국의 Well Baby 체계는 모자 건강수첩을 통해 모든 검진과 접종 이력을 관리하고, 보건사의 가정 방문으로 신생아 가정을 방문하여 모유수유, 아기 케어 등에 대한 조언을 제공합니다. Ill Baby 진료의 경우, 중국은 대형 종합병원 중심의 의료 체계를 가지고 있어, 아픈 아이들은 주로 지역의 소아과 병원이나 종합병원 소아과를 방문합니다. 일반의 진료체계가 미흡하여, 아이가 아플 때 바로 전문 병원을 찾는 경향이 있습니다. 응급 상황은 응급실을 통해 대응하고, 중증 환자는 소아과 전문병원이나 소아과 중앙병원으로 이송됩니다. 중국 소아과 병원들은 외래와 입원을 분리하고, 감염병 환자는 별도의 감염병 병원이나 격리병동에서 치료하는 등 감염 관리를 강화하고 있습니다. 중국 모델의 장점은 정부 주도로 유아 건강관리에 대한 접근성을 높였다는 점입니다. 농촌 지역에도 보건센터를 통해 기본적인 검진과 접종을 제공하여 전국적인 균형을 도모하고, 모자보건 사업으로 신생아 사망률 감소에 성과를 거두었습니다. 또한 대형 소아과 병원들이 집중적으로 발전하여 소아 전문의 양성과 고난도 치료에 강점이 있습니다. 단점으로는 대도시와 농촌 간 의료 격차가 아직 존재하고, 대형 병원의 과밀로 진료 대기시간이 길어지는 문제가 있습니다. 또한 보험 체계 미비로 의료비 부담이 일부 가정에 커질 수 있다는 점도 지적됩니다. 그럼에도 불구하고 중국은 Well Baby 검진과 예방접종을 통해 유아 건강 기반을 다지고, Ill Baby 진료는 전문 병원 중심으로 제공하는 소아의료 체계를 갖추고 있으며, 최근에는 지역 의료센터 강화와 가정의 도입 등을 통해 기초 진료도 개선하고 있습니다.


KK Women's and Children's Hospital: 동남아시아 최대 소아병원

Lady Ridgeway Hospital (스리랑카): 1,200병상, 세계 최대 소아병원

태국 방콕병원 핏사눌록(Bangkok Hospital Phitsanulok)은 명확한 물리적 분리를 통해 건강한 아이들과 아픈 아이들을 구분합니다. 예방접종을 받는 건강한 아이들은 의학적 치료가 필요한 아픈 아이들과 완전히 분리된 구역에 배치됩니다. 또한 별도의 Sick Baby Clinic과 Well Baby Clinic을 운영하여 각각 전문화된 서비스를 제공합니다

싱가포르 국립대학교 병원(National University Hospital Singapore)은 2019년 Khoo Teck Puat - National University Children's Medical Institute를 설립하여 아동 친화적이고 가족 중심적인 환경에서 통합된 큐 시스템을 통해 well baby와 sick baby 서비스를 분리 제공하고 있습니다


호주(Australia)와 뉴질랜드(New Zealand)

오세아니아 지역은 영국식 의료 체계의 영향을 받아 Well Baby와 Ill Baby 진료를 분리하여 제공하는 경향이 있습니다. 두 나라 모두 공공 보건 서비스를 통해 정기 아동 건강 검진과 예방 접종을 지원하고, 치료 의료는 의료 보험과 공공 의료 시스템이 협력하여 제공합니다.

호주(Australia): 호주는 “Child Health Nurse(아동보건 간호사)” 제도를 통해 유아의 정기 건강관리를 실시합니다. 출생 후 2~4주 내에 아동보건 간호사가 신생아를 방문하여 모유수유, 아기 발달, 가정 환경 등을 확인하고, 그 후 정기적으로 아기와 어린이의 건강 검진을 제공합니다. 주요 검진 시기는 6~8주, 4개월, 8~12개월, 18개월, 2~3세 등으로, 지역 아동보건센터에서 무료 또는 저렴한 비용으로 실시됩니다. 이러한 검진에서는 신체 계측, 발달 검사, 언어 및 사회성 평가, 치아 관리 등이 이루어지고, 예방 접종 일정도 함께 관리됩니다. 예방 접종은 정부 프로그램으로 일정표에 따른 백신을 무료 제공하며, 아동보건센터나 GP 클리닉에서 접종합니다. Ill Baby 진료의 경우, 호주에는 GP(일반의)와 소아과 전문의가 모두 활동하며, 일반적인 아픔은 주로 GP를 방문합니다. GP는 소아의 기본적인 진료와 처방을 제공하고, 필요 시 소아과 전문의나 병원으로 환자를 의뢰합니다. 응급 상황이나 중증 질환은 공공 병원의 응급실을 통해 대응하고, 소아 전문병원이나 종합병원 소아과에서 입원 치료를 제공합니다. 호주 소아과 병원들은 외래와 입원을 분리하고, 감염성 환자는 격리하여 감염 관리를 엄격히 합니다. 호주 모델의 장점은 아동보건 간호사에 의한 가정 방문과 지역센터 검진으로 모든 아이가 기본 건강관리를 받고, 예방 접종률이 높아 질병 예방 효과가 크다는 점입니다. 또한 의료비 부담이 낮고 공공 의료망이 발달하여 중증 환자도 안전하게 치료받을 수 있습니다. 단점으로는 일부 농촌 지역에서는 의료 인력 부족으로 진료 접근성이 떨어질 수 있고, GP 진료 예약 대기나 전문의 전환 대기가 발생할 수 있다는 점입니다. 그러나 전반적으로 호주는 Well Baby 프로그램을 통해 유아 건강을 관리하고, Ill Baby 진료는 GP와 병원이 협력하여 제공하는 균형 잡힌 소아의료 체계를 갖추고 있습니다.

뉴질랜드(New Zealand): 뉴질랜드도 호주와 유사하게 아동보건 서비스를 운영합니다. 출생 후 수일 내에 Plunket 간호사나 산모 간호사(Midwife)가 신생아를 방문하여 모유수유, 아기 건강, 보육 방법 등을 지원하고, 이후 정기 아동 건강 검진을 제공합니다. 주요 검진 시기는 6주, 3개월, 6개월, 9개월, 15개월, 2세, 4세 등으로, 지역 Plunket 센터나 보건센터에서 무료로 실시됩니다. 이러한 검진에서는 신체 계측, 발달 평가, 예방 접종이 이루어지고, 부모 교육도 함께 제공됩니다. 예방 접종은 국가 프로그램으로 일정표에 따라 무료 접종되며, Plunket 센터나 GP 클리닉에서 접종합니다. Ill Baby 진료의 경우, 뉴질랜드는 GP와 소아과 전문의가 모두 활동하고 있습니다. 일반적인 아픔은 GP 클리닉에서 진료받고, GP가 필요 시 소아과 전문의로 환자를 소개합니다. 응급 상황이나 중증 질환은 공공 병원 응급실이나 소아과 전문병원에서 치료받습니다. 뉴질랜드 소아과 병원들도 외래와 입원 분리, 감염 환자 격리 등 감염 관리를 시행합니다. 뉴질랜드 모델의 장점은 Plunket 서비스를 통해 모든 아이에게 균등한 기본 건강관리를 제공하고, 예방 접종률도 높다는 점입니다. 또한 의료비 부담이 낮고 공공 의료가 강화되어 있어 소아의료 접근성이 좋습니다. 단점으로는 인구가 적은 지역에서는 의료 인프라 제한이 있고, 전문의 부족으로 전환 대기가 있을 수 있다는 점입니다. 그럼에도 불구하고 뉴질랜드는 Well Baby 프로그램을 통해 유아 건강을 관리하고, Ill Baby 진료는 GP와 병원이 협력하여 제공하는 포괄적 소아의료 체계를 갖추고 있습니다.

오세아니아 전체적으로 Well Baby 진료공공 보건 서비스에 의해 정기 검진과 예방 접종이 제공되고, Ill Baby 진료일반의와 병원의 협력으로 이루어집니다. 장점균등한 기본 건강관리낮은 의료비 부담, 높은 예방접종률 등이며, 단점일부 지역의 접근성 문제의료 인력 부족 등이 지적됩니다. 하지만 두 나라 모두 Well Baby와 Ill Baby 진료를 분리·보완하여 운영함으로써 소아 건강을 높은 수준으로 유지하고 있습니다.

호주의 센트럴 코스트 지역 보건청(Central Coast Local Health District) Well Baby Clinic은 0-5세 아동을 대상으로 하는 전문화된 웰 베이비 클리닉을 운영하며, 보건 전문가들의 의뢰를 통해 소아과 의학적 소견과 관리를 제공합니다


7. 유럽 지역 (6개 기관)

영국

영국의 국민건강서비스(NHS) 체계에서는 유아 및 소아 건강 관리를 위해 전문 간호사(Health Visitor)와 일반의(GP)가 협업하여 Well Baby 프로그램을 운영합니다. 영국 소아과 의학회(RCPCH)와 NICE(국립보건의료우수성원) 등은 영유아 건강 검진 지침을 제정하여, 신생아부터 5세까지 정기적인 건강 검사와 발달 모니터링을 권고합니다. 출생 직후 신생아 건강 검사(Newborn Physical Examination)가 이루어지고, 그 후 6~8주, 8~12개월, 2~2.5세, 3~4세에 주요 검진이 실시됩니다. Health Visitor는 신생아 가정 방문을 통해 모유 수유, 아기 발달, 보육 방법 등에 대한 조언을 제공하고, 예방 접종 일정을 관리합니다. GP(가정의)는 정기 접종 시기에 맞춰 백신 접종을 시행하고, 성장 발달 지표를 모니터링합니다. Ill Baby 진료의 경우, 일반적인 아픔은 GP 클리닉에서 진료받고, 중증이나 긴급한 경우에는 소아과 전문의가 있는 병원이나 응급실을 이용합니다. 영국의 소아과 병원들은 입원 환자와 외래 환자를 분리하고, 외래에서는 감염성 환자와 비감염성 환자를 구분하여 진료하는 등 감염 관리 프로토콜을 엄격히 따릅니다. 예방 접종은 NHS에서 무료로 제공되며, Well Baby 프로그램 참여율이 높아 백신 예방 질환 발생률이 낮은 편입니다. 또한 정신 건강과 사회적 지원도 통합적으로 제공되어, 영유아기부터 부모 교육과 가정 지원이 병행됩니다. 영국 모델의 장점은 공공 프로그램에 의한 포괄적 예방 관리와 의료 접근성의 균등성입니다. 전문 간호사의 가정 방문과 GP에 의한 지역 기반 진료로 모든 아이들이 기본적인 건강관리를 받을 수 있고, Ill Baby 진료도 비용 부담 없이 NHS를 통해 제공됩니다. 단점으로는 대기 시간이 길어질 수 있다는 점입니다. NHS의 일반의 진료 예약 대기나 전문의 전환 대기가 발생할 수 있으며, 최근 의료 인력 부족 문제로 진료 접근성에 제약이 있기도 합니다. 그러나 전반적으로 영국은 Well Baby와 Ill Baby 진료를 공공과 민간이 협력하여 제공하고, 감염 예방 및 발달 지원 측면에서 체계적인 프로그램을 갖추고 있습니다.


Great Ormond Street Hospital (GOSH), 런던

위치: 런던, 블룸스버리

순위: 2025년 뉴스위크 선정 세계 소아병원 4위

설립: 1852년

분리 진료 시스템:

Dolphin Ward (NICU): 런던 북중부 지역 신생아 외과 집중치료실 다양한 외과 질환 신생아 전문 진료

감염 환자 격리 시설 완비

국제 환자 대상 별도 진료 시스템

가족 숙박 시설 및 지원 서비스

독일

독일은 법정 예방 접종 및 건강 검진 프로그램이 잘 갖춰진 나라로, “Habitual Check-ups” 또는 “Kinderuntersuchung”이라는 정기 건강 검진 체계가 있습니다. 독일 소아청소년과학회(DGKJ)와 보건 당국은 신생아부터 6세까지 총 9~10회의 정기 소아 건강 검진을 법적으로 권고하고 있습니다. 출생 후 10일 이내에 신생아 검진(Neugeborenenuntersuchung)을 받고, 이후 2개월, 3개월, 6개월, 8개월, 12개월, 15개월, 18개월, 24개월, 30개월, 36개월 등에 정기 검진을 실시합니다. 이러한 검진은 의료보험에 의해 전액 보장되며, 소아과 의사 또는 피부과, 안과 등 전문의가 실시할 수 있습니다. Well Baby 검진에서는 성장 지표 측정, 신체 발달 검사, 청력·시력 검사, 언어 및 사회적 발달 평가가 이루어지고, 예방 접종 일정도 함께 관리됩니다. 독일에서는 예방 접종이 법정 접종이 아니지만, 정기 검진 시 백신 접종을 적극 권장하고 보험으로 비용을 지원하기 때문에 백신 접종률이 높습니다. Ill Baby 진료의 경우, 독일에는 많은 민간 소아과 의원이 있어 일반적인 아픔은 가까운 소아과 의원에서 진료받습니다. 일반의(GP)도 소아 진료를 하지만, 소아과 전문의에게 진료 의뢰하는 경우가 많습니다. 병원에서는 외래 소아과 클리닉과 응급실을 통해 중증 환자를 진료하며, 입원 치료도 제공됩니다. 독일 소아과 진료의 특징은 정기 검진에 대한 높은 참여율과 부모의 의식입니다. 대부분의 독일 부모들이 정기 건강 검진을 반드시 받도록 하며, 검진 결과 보고서를 통해 아이의 발달 상황을 체계적으로 관리합니다. 또한 보험 시스템 덕분에 예방 접종과 검진 비용 부담이 적고, Ill Baby 진료 비용도 보험으로 대부분 커버됩니다. 장점으로는 체계적인 건강관리로 질병 예방과 조기 발견이 잘 이루어지고, 민간 의원과 병원의 균형 있는 분포로 진료 접근성이 좋다는 점입니다. 단점으로는 과도한 검진으로 인한 불필요한 검사에 대한 논란이나, 일부 농촌 지역의 소아과 의원 부족 문제가 지적되기도 합니다. 그러나 전반적으로 독일은 Well Baby 정기 검진 체계를 통해 유아기 건강을 철저히 관리하고, Ill Baby 진료는 전문의 네트워크로 제공하는 균형 잡힌 소아의료 체계를 갖추고 있습니다.

독일의 쾰른 킨더크랑켄하우스(Kinderkrankenhaus Amsterdamer Straße) 소아과 및 청소년 건강관리과와 소아외과 및 비뇨기과 부서를 분리하여 운영합니다. 보수적 치료부서에서는 알레르기, 내분비 질환, 소화기 질환 등을 다루며, 외과 부서에서는 선천적 및 후천적 질환을 치료합니다.

본 대학병원(Bonn University Hospital) 매년 전 세계에서 수천 명의 어린이들을 받아들이며, 소아 혈액학 및 종양학과가 가장 수요가 높습니다. 이 병원은 실험 혈액학 및 수혈의학 연구소와 협력하여 최신 치료법을 사용합니다.


프랑스(France): 프랑스는 유아 건강관리에 대한 국가 프로그램이 잘 발달된 나라로, “Contrôle Médical Obligatoire”이라는 의무 건강 검진 체계가 있습니다. 프랑스 보건 당국은 신생아부터 6세까지 9회 이상의 의무 소아 건강 검진을 의무화하고 있습니다. 출생 후 8일 이내에 신생아 검진을 받고, 그 후 1개월, 2개월, 4개월, 6개월, 9개월, 12개월, 18개월, 24개월, 36개월, 48개월, 60개월 등에 정기 검진을 실시합니다. 이러한 검진은 소아과 의사, 산부인과 의사, 일반의, 보건소 등 다양한 경로로 받을 수 있으며, 국가 보험이나 의료 보조금으로 비용을 지원합니다. Well Baby 검진에서는 성장 발달 측정, 신체 검사, 발달 지연 조기 발견, 예방 접종이 주요 내용입니다. 프랑스는 예방 접종에 매우 적극적이며, 2018년부터 총 11종의 백신 접종을 의무화하여 디프테리아, 파상풍, 폐렴구균, B형 간염, 로타바이러스 등의 예방 접종을 법적으로 의무화했습니다. Ill Baby 진료의 경우, 프랑스에는 많은 민간 소아과 의원과 병원 소아과가 있어 아픈 아이는 일반적으로 지역 소아과 의원을 방문합니다. 응급 상황이나 중증 질환의 경우 병원 응급실이나 소아과 전문병원으로 이송됩니다. 프랑스 의료 체계는 민간과 공공의 혼합 모델로, 의료비 보장률이 높고 소아 진료 접근성이 우수합니다. 장점으로는 의무 건강 검진과 의무 예방접종으로 유아기 질병 발생률이 낮고, 국가 차원의 발달 모니터링으로 지적·신체 장애를 조기에 발견하여 재활에 투입할 수 있다는 점입니다. 또한 보험 제도로 의료비 부담이 적고, 전국에 고르게 분포된 소아과 의원으로 진료 접근성이 좋습니다. 단점으로는 과도한 의무 검진 일정으로 인한 부모의 시간적 부담이나, 의료 인력 부족 지역에서는 검진 실천이 어려운 경우도 있다는 지적이 있습니다. 그러나 전반적으로 프랑스는 Well Baby 검진을 국가 차원에서 관리하고 Ill Baby 진료는 민간 의료망이 담당하는 포괄적 소아의료 체계를 갖추고 있습니다.


유럽의 다른 국가들

정기 소아 건강 검진과 예방 접종 프로그램을 운영하고 있습니다. 스칸디나비아 국가들(예: 스웨덴, 덴마크)은 모자보건센터(MCH center)를 통해 정기 아기 건강 검진, 모유수유 상담, 예방 접종을 제공하고, 일반의나 소아과 의원은 아픈 아이 진료에 집중합니다. 네덜란드는 보건소(Well Baby Clinic)에서 정기 체중 측정과 발달 검사를 실시하고, 예방 접종은 소아과 의원이 담당하는 등 다자간 협업 모델을 취합니다. 유럽 전체적으로 Well Baby 진료는 예방 접종과 성장 발달 모니터링에 초점을 맞추고, Ill Baby 진료는 일반의나 소아과 전문의을 통해 제공되는 것이 일반적입니다. 유럽 모델의 공통된 장점은 국가나 공공기관의 주도로 예방 의료를 강화함으로써 전체 소아 집단의 건강 수준을 높였다는 점입니다. 또한 의료비 부담이 적고 접근성이 높아 모든 아이들이 기본적인 건강관리를 누릴 수 있다는 것입니다. 단점으로는 일부 국가에서 의료 인력 부족이나 대기시간 문제가 지적되며, 민간 의료에 의존하는 나라에서는 지역별 편차가 있을 수 있습니다. 그러나 대체로 유럽의 소아과 체계는 Well Baby와 Ill Baby 진료를 적절히 분담하여 예방과 치료를 균형 있게 제공하고 있다고 평가됩니다.


노르웨이의 전국 웰 차일드 클리닉 시스템 보편적 접근이 가능한 자발적 프로그램으로, 노르웨이 가정의 대다수가 이용하고 있습니다. 이 시스템은 14회의 표준화된 상담을 통해 신생아부터 4세까지의 아동을 관리합니다.

스웨덴의 소아과 부서들은 국가적 차원에서 가족 중심 치료와 분리 프로토콜을 운영하며, 부모가 입원 기간 동안 함께 머물 수 있도록 권장하고 있습니다.


아프리카 지역 (4개 기관)

아프리카(Africa): 많은 아프리카 국가들은 기초 보건센터를 중심으로 유아 건강관리를 실시합니다. 출생 직후신생아 건강검사를 하고, 이후 6주, 10주, 14주, 9개월, 18개월 등에 정기 검진과 예방접종을 제공합니다. 백신 예방접종Expanded Programme on Immunization (EPI)이라는 국제 프로그램을 통해 디프테리아, 백일해, 파상풍, 폐렴구균, B형간염, 홍역 등의 백신을 유아기에 접종하고 있습니다. Well Baby 검진은 주로 지역 보건센터나 마을 보건요원이 실시하며, 신체 계측, 영양 상태 평가, 질병 조기 발견이 이루어집니다. Ill Baby 진료의 경우, 일반적인 아픔지역 의료원이나 간이 보건센터에서 간호사나 일반의이 진료하고, 중증 환자지방 도시의 병원이나 국립 소아병원으로 이송됩니다. 의료 인프라가 미흡한 지역에서는 소아과 전문의가 거의 없어 일반의나 간호사소아 환자 진료를 맡는 경우가 많습니다. 아프리카 모델의 장점국제 지원을 통해 기본적인 예방접종과 검진을 대다수 유아에게 제공하여 영유아 사망률을 낮추었다는 점입니다. 단점으로는 의료 자원 부족으로 정기 검진 참여율이 낮거나, 치료 의료 접근성이 부족하여 중증 질환 치료율이 낮은 경우가 많습니다. 감염병이 많은 환경에서 Well Baby와 Ill Baby를 분리하기도 어려워 병원 내 감염이 우려되는 상황입니다. 그럼에도 불구하고 일부 국가(예: 케냐, 나이지리아 등)는 주요 도시에 소아과 전문병원을 설립하고 소아과 전문의 양성을 늘리는 등 소아의료 개선에 힘쓰고 있습니다


남아프리카 공화국의 위트코펜 클리닉(Witkoppen Clinic) WHO와 유니세프에서 개발한 통합 소아질환 관리(IMCI) 임상 지침을 따라 건강한 아이와 아픈 아이를 위한 별도의 프로토콜을 운영하고 있습니다.

케냐 나이로비의 아가 칸 대학병원(Aga Khan University Hospital, Nairobi) 신생아와 영아를 위한 정기적인 건강 검진을 통해 아기의 성장을 모니터링하는 전문 웰 베이비 서비스를 제공합니다.


남미(South America): 남미 국가들은 일부 선진국 수준의 의료를 갖춘 곳과 기초 의료가 미흡한 곳이 혼재합니다. 브라질, 아르헨티나, 칠레 등은 비교적 발달된 소아의료 체계를 가지고 있어 정기 아동 건강검진과 예방접종공공 프로그램으로 제공합니다. 예를 들어 브라질“Unidade Básica de Saúde (UBS)”라는 기초 보건센터를 통해 신생아 가정 방문정기 검진을 실시하고, 국가 예방접종 일정표에 따라 다양한 백신을 무료 접종합니다. 칠레“AUGE” 프로그램으로 유아의 필수 의료서비스를 보장하고, 정기 검진예방접종전액 보험으로 제공합니다. Ill Baby 진료의 경우, 브라질공공 의료망(SUS)을 통해 지역 병원과 소아과 의원이 운영되고, 아르헨티나공공 병원과 사립 의료 보험이 병존하여 소아 진료를 제공합니다. 남미의 일부 국가대형 소아 전문병원을 보유하고 있어 고난도 치료도 가능하지만, 농촌이나 빈곤 지역에서는 의료 접근성이 낮습니다. 남미 모델의 장점정부 주도로 기본 소아의료를 보장하고 예방접종률을 높였다는 점입니다. 단점으로는 의료 격차가 남아 있어 빈곤층의 진료 접근성 부족이나 의료 인프라 부족 문제가 지속되고 있습니다. 감염병 관리 측면에서는 일부 국가Well Baby와 Ill Baby를 분리하는 병원을 운영하기도 하나, 대부분의 지역에서는 공간과 인력 제약으로 분리 진료가 어려운 상황입니다. 그럼에도 남미기초 보건서비스 확충소아과 전문의 양성을 통해 소아 건강 개선에 노력하고 있습니다

image.png

Regional Distribution of Hospitals with Well Baby/Ill Baby Separation Practices

8. 기타 국제적 실행 교훈

다른 국가들의 사례를 종합해 보면, 캐나다 소아청소년과 진료 지침은 증상이 있는 아동을 가능한 한 빨리, 이상적으로는 도착 즉시 진료실로 안내하여 다른 환자들과 분리할 것을 강력히 권고한다. 프랑스의 경우, 특정 클리닉의 분리 운영 사례는 확인되지 않았지만, 역사적으로 질병 확산을 막기 위해 병원을 독립된 건물(파빌리온) 형태로 지었던 것은 환자 분리 개념의 건축적 선구자로 볼 수 있다. 이러한 사례들은 환자 분리라는 목표를 달성하기 위한 접근법이 각국의 의료 시스템과 문화적 배경에 따라 다양하게 나타날 수 있음을 시사한다.


제7장: 전략적 권고 및 미래 전망

이 마지막 장에서는 지금까지의 모든 분석을 실행 가능한 권고안으로 종합하고, 소아청소년과 외래 진료 설계의 미래 발전 방향을 조망한다.

7.1. 실행을 위한 청사진: 신규 및 기존 클리닉을 위한 단계별 접근법

환자 분리 모델을 성공적으로 도입하기 위해서는 각 클리닉의 상황에 맞는 단계적인 접근이 필요하다.

1단계 (저비용, 고효과 - 모든 클리닉 대상): 절차적 및 행정적 변화에 집중한다. 철저한 방문 전 스크리닝, '차 안에서 대기' 정책, 엄격한 시간대별 예약 분리, 강화된 청소 및 소독 프로토콜을 즉시 시행한다. 세척이 어려운 봉제 인형이나 다공성 재질의 장난감을 대기실에서 제거한다.

2단계 (중간 투자 - 공간적 유연성이 있는 클리닉 대상): 기존 공간을 재구성한다. 가구, 파티션, 또는 구역 지정을 통해 하나의 넓은 대기실 내에서 기능적 분리를 구현한다. 가상 체크인을 위한 환자 커뮤니케이션 플랫폼에 투자한다. HVAC 필터를 고성능으로 교체하고, 고위험 구역에 이동식 HEPA 필터 유닛 설치를 고려한다.

3단계 (고투자 - 신축 또는 대규모 리모델링 시): 설계 단계부터 분리를 염두에 둔다. 싱가포르의 사례와 같은 선진 국제 표준에 기반하여 별도의 출입구, 대기실, 진료 구역(클리닉 포드)을 통합하고, 음압 시설이나 높은 환기 횟수(ACH)를 보장하는 고도의 공학적 통제 시스템을 도입한다.


7.2. 소아청소년과 외래 진료 설계의 미래: 적응성, 기술, 그리고 환자 중심성 미래의 소아청소년과 진료 환경은 다음과 같은 방향으로 진화할 것이다.

유연성과 적응성: 미래의 클리닉 설계는 계절적 수요 변화나 새로운 팬데믹에 유연하게 대응할 수 있어야 한다. '아픈/건강한'이라는 고정된 이분법적 공간 분할은, 필요에 따라 동적으로 용도를 변경할 수 있는 모듈식 '포드(pod)' 개념으로 대체될 수 있다.

기술 통합의 심화: 기술의 역할은 계속해서 확장될 것이다. 원격 의료는 초기 접점의 표준이 되고, 인공지능(AI) 기반 예약 도구는 환자 동선을 최적화하여 접촉을 최소화할 것이다. 클리닉 내 기술은 불안감을 줄이고 매개물(fomite)을 통한 전파를 막기 위해 비접촉식의 흥미로운 경험을 제공하는 데 초점을 맞출 것이다.

총체적, 가족 중심적 환경: 아동과 부모 모두의 정서적, 심리적 요구를 충족시키는 차분하고 치유적인 환경을 조성하는 데 더 큰 중점을 둘 것이다.59 여기에는 자연과의 연결, 조명이나 소음과 같은 주변 환경에 대한 통제권 부여, 그리고 가족 단위의 스트레스를 줄여주는 편의 시설 제공 등이 포함된다. 미래의 클리닉은 단순히 질병을 치료하는 공간을 넘어, 그 건축과 운영 방식 자체를 통해 웰빙을 증진하는 공간으로 설계될 것이다.


결론

'건강한 아기'와 '아픈 아기'를 분리하는 진료 모델은 감염 예방이라는 임상적 목표를 넘어, 환자 중심의 안전한 의료 환경을 구축하고 병원의 운영 효율성을 높이는 현대 소아청소년과 진료의 핵심 전략입니다. 전 세계적으로 그 중요성에 대한 공감대가 형성되어 있으며, 각국의 의료 시스템과 환경에 맞춰 다양한 형태로 진화하고 있습니다.

미래의 소아청소년과 외래 진료는 유연성과 적응성을 갖춘 설계, 원격 의료와 AI 기반 예약 도구 등 기술 통합의 심화, 그리고 아동과 부모 모두의 정서적 안정을 돕는 총체적, 가족 중심적 환경으로 발전할 것입니다.

따라서 각 클리닉은 자신의 상황에 맞는 단계적 접근법을 취하는 것이 바람직합니다. 저비용 고효율의 절차적·기술적 방법('차 안에서 대기', 시간적 분리 등)을 우선 도입하고, 장기적으로 신축이나 리모델링 시에는 선진 국제 표준에 기반한 공간적·공학적 분리 시스템을 설계에 반영해야 합니다. 이러한 노력은 모든 어린이가 안전하고 신뢰할 수 있는 환경에서 최상의 예방 및 치료 서비스를 받을 수 있는 기반을 마련하고, 미래의 공중 보건 위기에도 효과적으로 대응할 수 있는 회복탄력성 있는 의료 시스템을 구축하는 데 기여할 것입니다.


참고 자료

[1] The impact of Brazil's Bolsa Família conditional cash transfer ...

https://bmcinthealthhumrights.biomedcentral.com/articles/10.1186/1472-698X-14-10

[2] Well Visits vs. Sick Visits – Know the Difference

https://www.chop.edu/health-resources/annual-well-visits-vs-sick-visits-know-difference

[3] What are Sick and Well Clinics? - Mission Pediatrics

https://www.missionpediatrics.com/what-are-sick-and-well-clinics/

[4] Child Physicals vs. Child Well Visits: What's the difference? (And ...

https://www.bswhealth.com/blog/child-physicals-vs-child-well-visits-whats-the-difference-and-why-they-both-matter

[5] Do kids pick up germs at pediatrician office? : r/Mommit - Reddit

https://www.reddit.com/r/Mommit/comments/16ts3ly/do_kids_pick_up_germs_at_pediatrician_office/

[6] Well-Child Visit: Newborn | Nemours KidsHealth

https://kidshealth.org/en/parents/checkup-hospital.html

[7] Well-Child Visits for Infants and Young Children - AAFP

https://www.aafp.org/pubs/afp/issues/2018/0915/p347.html

[8] Well-Child Visits | CHKD

https://www.chkd.org/patient-family-resources/health-library/well-child-visits/

[9] Infection control in paediatric office settings - PMC - PubMed Central

https://pmc.ncbi.nlm.nih.gov/articles/PMC2532878/

[10] Pediatric Care Proximity in Germany: A Comparative Study of ...

https://link.springer.com/article/10.1007/s42489-024-00175-9

[11] Pediatric Care in Germany: What Parents Need to Know | Feather

https://feather-insurance.com/blog/children-healthcare

[12] Country report 2023: well-child care in Japan

https://www.who.int/publications/i/item/9789290620716

[13] Baby Checkups - Japan Healthcare Info

https://japanhealthinfo.com/child-health-and-childcare/baby-checkups/

[14] From handbooks to platforms: Japan's maternal and child health ...

https://pmc.ncbi.nlm.nih.gov/articles/PMC12178589/

[15] Visiting the Pediatrician in Japan: Seeing the Doctor When Your Kid ...

https://savvytokyo.com/visiting-the-pediatrician-in-japan-seeing-the-doctor-when-your-kid-is-sick/

[16] Developmental Support for Sick Children through Play in Japan's ...

https://pmc.ncbi.nlm.nih.gov/articles/PMC6210557/

[17] Zero Separation - Miracle Babies Foundation

https://www.miraclebabies.org.au/zero-separation


매거진의 이전글30. 세계의 장기 이식 병원