brunch

/중문/ 우리집 에너지와 안전, 중문이 좌우한다

문 하나 바꿨을 뿐인데...

by 빛담

문 하나 바꿨을 뿐인데... 중문의 놀라운 에너지 절감 효과와 안전성의 비밀

최근 건축물 에너지 효율 향상과 쾌적한 실내 환경 조성에 대한 사회적 관심이 그 어느 때보다 뜨겁다. 이러한 흐름 속에서 과거 단순한 공간 분할의 역할에 머물렀던 '중문(Middle Door)'이 실내 에너지 효율을 높이고 안전까지 책임지는 핵심 요소로 새롭게 주목받고 있다. 현관과 거실 사이, 혹은 방과 방 사이에 설치되는 중문 하나가 과연 우리 집에 어떤 놀라운 변화를 가져다줄 수 있을까? 중문의 과학적 단열 원리와 강화되는 안전 기준을 통해 그 비밀을 파헤쳐 본다.


현관과 거실 사이, 온도차가 핵심! - 중문 단열의 과학적 원리

우리나라 주거 환경의 특성상 겨울철 현관이나 베란다에서 유입되는 차가운 외기와 따뜻한 거실 사이에는 상당한 온도 차이가 발생한다. 이때 중문은 두 공간 사이의 열 이동을 효과적으로 제어하여 불필요한 에너지 손실을 줄이는 방패 역할을 한다. 중문은 단순한 칸막이가 아니라, 실내 온도를 안정적으로 유지하고 난방 효율을 높이는 적극적인 단열 장치인 것이다.


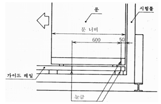
이러한 중문의 단열 성능을 객관적으로 평가하기 위해 한국제품안전협회는 “중문의 단열성능 평가 시험 방법”을 개발하였다. 이 방법은 실내 공간 사이에 설치되는 중문의 단열 성능을 개방 상태와 폐쇄 상태 모두에서 정량적으로 평가할 수 있는 구체적인 시험 절차, 장치, 조건 등을 규정하고 있다.


표준에 따른 시험은 다음과 같이 진행된다. 먼저, 특정 온도 및 습도 조건을 일정하게 유지할 수 있는 환경 챔버(Environmental Chamber) 내에 저온 챔버(Cold Chamber, 0±1℃)와 상온 챔버(Warm Chamber, 20±1℃)를 마련하고, 그 사이에 평가 대상 중문(시험체)을 설치한다. 이후 상온 챔버 측 중문 표면에 표준 규격의 단열 상자인 ‘열보호 상자(Thermal Box)’를 밀착시킨다. 이 열보호 상자 내부에는 9개 지점에 온도 센서가 설치되어, 시험 시작 후 90분 동안 5분 간격으로 내부 온도를 정밀하게 측정하고 기록한다.


이렇게 측정된 데이터를 바탕으로 중문의 단열 성능을 나타내는 핵심 지표들이 계산된다. 대표적인 것이 '중문 폐쇄 상태에서 시험 시작 후 90분 경과 시점의 열보호 상자 내부 평균 온도(Tclosed,avg (90min))'와 '시험 시작 후 5분 동안의 열보호 상자 내부 평균 온도 강하량(ΔTinitial (5min))'이다. Tclosed,avg (90min) 값이 초기 온도인 20℃에 가까울수록 단열 성능이 우수함을 의미하며, ΔTinitial (5min) 값은 문의 개폐 또는 초기 열 충격에 대한 반응 속도를 나타내는 보조 지표로 활용될 수 있다.


실제 한국제품안전협회와 ㈜엔트리연구원이 수행한 “중문의 열단열 성능에 대한 실험적 연구 : 개폐 조건에 따른 열손실 비교 분석”에 따르면, 특정 사양의 3연동 알루미늄 프레임 중문(5mm 강화유리)을 대상으로 실험한 결과, 중문의 단열 효과는 매우 뚜렷하게 나타났다.


중문 폐쇄 시 : 열보호 상자 내부 온도는 실험 시작 시 약 19.72℃에서 90분 후 약 7.94℃로 하강했다. 이는 저온 챔버(0℃)와의 온도 차이를 효과적으로 유지하며 우수한 단열 성능을 보여준 결과다.

중문닫힘.png

중문 개방 시 : 반면, 중문을 완전히 열어둔 상태에서는 내부 온도가 초기 약 20.18℃에서 불과 5분 만에 약 6.53℃로 급격히 떨어졌고, 90분 후에는 약 2.31℃까지 하강하여 저온 챔버 온도에 매우 근접했다.

중문열림.png

초기 5분간 온도 강하율 비교 : 중문 폐쇄 시 초기 5분 동안 약 1.11℃가 하강한 반면(19.72℃→18.61℃), 개방 시에는 같은 시간 동안 약 13.65℃(20.18℃→6.53℃)가 급격히 하강하여 약 12.3배의 차이를 보였다. 분당 온도 강하율로 환산하면 폐쇄 상태가 약 0.22℃/min, 개방 상태가 약 2.73℃/min이다.


90분 후 최종 온도 비교 : 90분 경과 시점에서 중문 폐쇄 상태는 개방 상태보다 약 5.63℃ 더 높은 온도를 유지했다.(7.94℃ vs 2.31℃)


이러한 실험 결과는 중문이 닫힌 상태에서 공기 유동을 제한하고 자체적인 열전도 저항을 통해 열 이동을 효과적으로 억제함으로써 실내 열손실을 크게 줄이고 에너지 절약 및 실내 온도 안정성 확보에 크게 기여할 수 있음을 명확히 보여준다.


단순 칸막이를 넘어선 안전 지킴이 - 강화되는 중문 안전 기준

중문은 에너지 효율성 향상뿐만 아니라, 일상생활에서의 안전 확보라는 중요한 역할도 담당한다. 최근 3년간(2017~2019년) 한국소비자원의 소비자 위해 정보 분석에 따르면, 문 관련 안전사고 중 눌림·끼임 사고가 46.8%로 가장 많았고, 부딪힘(36.6%), 미끄러짐·넘어짐(7.8%) 순으로 발생했으며, 특히 영유아(6세 미만)가 전체 사고의 41.6%를 차지하여 저연령층의 문 관련 안전사고가 심각한 수준인 것으로 나타났다.


이러한 배경에서 중문 제품의 안전성을 확보하기 위한 표준의 필요성이 대두되었고, 한국제품안전협회는 미닫이 중문에 대한 단체표준(SPS-KPSA 0001-7415)을 제정하여 시행하고 있다. SPS-KPSA 0001-7415 표준은 미닫이 중문의 종류, 구성, 치수뿐만 아니라 주요 성능 및 시험·검사 방법을 규정하여 제품의 신뢰성과 품질 수준을 제고하는 것을 목적으로 한다. 특히, 사용자의 안전을 위한 다양한 성능 기준과 시험 방법이 상세하게 명시되어 있다.


주요 안전 성능 항목 및 기준

개폐력 : 문짝을 열고 닫는 데 필요한 힘을 측정하며, 80N 이하여야 한다. 시험은 문짝이 완전히 닫힌 상태에서 300mm 이상 열었을 때까지의 최대 힘(열리는 힘)과, 300mm 이상 열린 상태에서 댐퍼 작동 지점까지의 최대 힘(닫히는 힘)을 각각 5번 측정하여 평균값을 산출한다.

개폐 반복성 : 10만 회의 개폐를 반복한 후에도 개폐에 이상이 없고 사용상 지장이 없어야 한다. 문짝 편도 주행 가능 거리의 최소 80% 이상을 왕복하는 것을 1사이클로 하여 분당 10회 이상의 속도로 시험한다.

내충격성 : 문짝 정중앙에 17cm 높이에서 모래주머니를 낙하시키는 충격 시험 후, 구조의 변형이나 개폐에 지장이 없고 유리 등 부재의 파손이 없어야 한다.

손끼임 사고 방지(수동문 해당) : 문짝이 닫히는 방향으로 문틀에서부터 30mm 지점에 가해지는 힘이 30N 이하여야 한다. 이는 문짝이 완전히 열린 상태에서 닫히는 방향으로 120N의 힘을 가하여 문짝을 닫을 때 측정된다.(30mm는 대한민국 1세~70세 남성 손두께 75분위 평균값(28.22mm)을 고려한 수치이며, 30N은 위해요소가 발생할 수 있는 힘 값의 근사치다.)

문짝 안전성 (문짝) : 중문이 완전히 닫힌 상태에서 특정 위치에 245N(대한민국 7세 남아 평균 몸무게 약 24.22kgf)의 힘을 수평으로 가했을 때, 문짝의 변형이나 파손이 없고 상·하부 레일 또는 문틀에서 이탈되지 않아야 한다.

문짝 안전성(손잡이) : 문짝 손잡이에 아래 방향, 앞쪽 방향으로 각각 245N의 힘으로 인장했을 때, 문짝이나 손잡이가 변형 또는 이탈되지 않아야 하며 문짝이 레일이나 문틀에서 이탈되지 않아야 한다.

날카로운 가장자리 : 손잡이, 문짝 프레임 하단 등 접근 가능한 가장자리가 사용자의 안전을 위협할 정도로 날카롭지 않아야 한다. 접착테이프를 이용한 시험을 통해 테이프 절단 길이를 확인한다.

문짝안전성 시험.png
손끼임사고방지 시험.png
손잡이안전성 시험.png
문짝 안전성 시험 / 손끼임 사고 방지 시험 / 손잡이 안전성 시험


자동 중문의 추가 안전 요구사항

자동으로 개폐되는 중문의 경우, 전력 사용에 따른 추가적인 안전 기준이 적용된다.

센서 검출 범위 : 문의 열림 폭 이상을 감지해야 하며, 깊이는 1000mm에서 1500mm 사이여야 한다.

개폐 속도 : 중문이 닫히는 방향으로 문틀에서부터 30mm 지점에서의 속도가 500mm/s 이하여야 한다.

수동(비상탈출) 여는 힘 : 정전 등 비상시 문을 수동으로 열 때 220N 이하의 힘으로 원활하게 열 수 있어야 한다.

수동개방버튼 높이 : 비상시 수동으로 문을 개방할 수 있는 버튼은 바닥으로부터 800mm에서 1500mm 사이에 설치되어야 한다.

전기 안전 : 충전부와 비충전 금속부 사이의 절연저항은 1MΩ 이상이어야 하며, 교류전압 1000V를 1분간 가했을 때 견딜 수 있어야 한다(내전압 시험).

센서검출범위.png
개폐속도.png
센서 검출 범위 시험 / 개폐 속도 시험


이처럼 강화된 안전 기준은 중문 사용 중 발생할 수 있는 다양한 사고를 예방하고, 특히 어린이와 노약자 등 안전 취약계층을 보호하는 데 중요한 역할을 할 것으로 기대된다.

keyword