brunch

낙후된 국내 농산물 유통구조에 변화가 시작했다.

농산물의 디지털 트랜스포메이션

by 선호

국내 축산물 산업화는 스타트업을 통해 본격화되고 있다면, 품목과 품위가 매우 다양하고 주관적 판단이 강해 산업화가 어려운 농산물은 정부가 직접 관여를 통해 주도하고 있다.

바로 정부가 지도/감독 하에 한국농수산식품유통공사에서 위탁운영을 하고 있는 농산물 온라인도매시장이다.

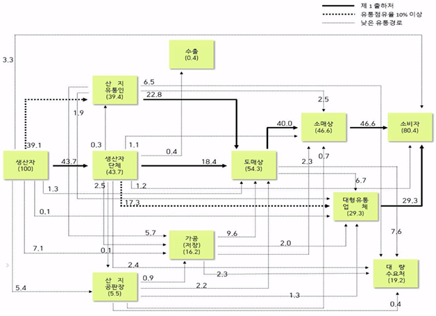
국내 농산물 유통구조는 과거 일제강점기 때 들여온 경매제도를 기반으로 도매시장에서 상당 부분의 물동량이 움직이고 있다. 특히, 청과류(과일, 채소류)는 약 53%가 도매시장을 경유한다. 서울에 위치한 가락도매시장 경유율은 약 18% 수준에 이른다.

청과물 유통경로도(한국농수산식품유통공사)

이렇게 도매시장을 경유하는 경우 매우 큰 비효율성이 존재한다.

첫 번째로 거래 단계마다 상품이 배송되는 상물일치(商物一致) 형 거래로 불필요한 유통비용이 증가한다. 예를 들어 양배추는 많은 양이 주산지 전남에서 재배되어 수확되면 다수가 도매시장 경매를 통해 판매가 이루어진다. 이때 오프라인 상의 경매제도 이용 시, 해당 양배추 물량도 시장으로 동일하게 이동하게 된다. 이후 중도매인에 매매되면 해당물량은 다시 중도매인에게 전달된다.

이와 같이 상품이 상물일치되어 움직이므로 계속해서 유통비용이 발생하게 된다. 또한, 잦은 이동은 상품의 품질을 저하시키는 영향도 준다.


두 번째로는 약 18%가 가락동 도매시장을 통해 경매가 이루어지고 있는데, 이렇게 경매된 상품이 다시 지방으로 분산되면서 역물류비용이 추가적으로 발생하므로 비효율성이 매우 증가된다.

아이러니하게 전라도에서 생산된 양배추가 서울 가락도매시장 경매를 통해 다시 전라권역 안에 있는 광주로 이동하여 판매되는 현상이 발생하는 것이다.

오프라인도매시장 유통경로(한국농수산식품유통공사)

세 번째로는 도매시장 내 개설구역 내 인가된 중도매인들만 매매가 이루어져서 경쟁이 제한되는 부분이 컸다. 작황이 좋지 않아서 가격이 올라가는 경우가 크지만, 경쟁이 제한된 부분도 일부 원인이 되고 있다. 사실 공영도매시장에서 경매의 주체인 도매시장법인들은 이런 문제점을 해결하려고 노력하지 않는다.

왜냐하면, 공영도매시장은 경매 낙찰가가 높으면 경매 수수료가 늘어나는 구조이기에 경매가가 높을수록 도매시장법인은 이득을 보게 되는 것이다.

이들 도매시장법인(경매회사)은 사실 특별한 시설투자도 없다. 경매를 주관한다는 이유만으로 해마다 높은 수입을 올리고 있다. 또한, 이들의 지배회사는 대다수가 중견기업 이상이지만, 농산물/유통과는 전혀 관련이 없다.

실제 가락도매시장 내 5대 도매시장법인(농협은 제외)의 2023년 매출액과 영업이익 및 소유권에 대한 전자공시시스템 자료를 보게 되면 다음과 같다.

동화청과㈜는 매출액 392억 원, 영업이익 76억 원이고 최대주주는 신라교역(주)이다. 서울청과㈜는 매출액 331억 원, 영업이익 81억 원이며 최대주주는 고려제강(주)이다. ㈜중앙청과는 매출액 347억 원, 영업이익 79억 원이며, 최대주주는 태평양개발(주)로 범 아모레퍼시픽 그룹 소속이다. 대아청과(주)는 매출액 231억 원, 영업이익 50억 원이며 최대주주는 호반건설을 운영하는 호반그룹이다. 한국청과㈜는 매출액 349억 원, 영업이익 68억 원이며 최대주주는 학교법인 서울학원 일가가 운영하는 경영컨설팅업체인 더코리아홀딩스(주)이다.


이처럼 농산물 및 유통사업과는 전혀 관련성이 없는 회사가 주요 도매시장법인을 운영하고 있다. 이러한 상황에서는 농산물 유통구조의 혁신은 만들어내기가 쉽지 않을 것이다.

그래서 최근 정부에서 주도한 농산물 온라인도매법인은 기대하는 바가 크다. 또한, 4차 산업혁명시대에 맞게 디지털트랜스포메이션(Digital Transformation)을 추진하는 것은 미래 국내 농산물 유통산업 발전에도 큰 의미가 있은 것으로 판단된다.



keyword
이전 12화주식 상장을 꿈꾸는 미트박스 비즈니스모델