brunch
매거진 쌀이야기

무세미(씻어나온 쌀)의 의미

쌀씻은 물이 환경에 미치는 영향


*쌀 씻은 물. 다시 보기.


쌀에 먼지라도 묻어있을까봐 씻긴하지만..

옛날에는 쌀에 돌이 섞여있는 경우가 제법 많이 있었다.

그래서 조리질을 해서 물에 뜨는 쌀은 건져내고 흙이랑 작은 돌들은 가라 앉혀 버리는 방법으로 걸러내 쓰곤 했다.

현대식 쌀도정기가 일본에서 최초로 개발된 것이 19세기 중반. 1860년대.. 쌀도정기가 발명되니 더이상 돌을 걸러내는데 신경을 많이 쓸필요가 없어졌다.

이웃나라에서 개발된 최신 기계는 조선의 밥 문화도 바꾸기에 충분한 파워를 지니고 있었다. 문제는 쌀을 그렇게 처리해먹을 수 있는 사람들은 부자인 극소수였을뿐..


내 기억에는 1980년대까지도 시장에서 사온 쌀에 돌이 섞여있는 경우가 있었다. 돌걸러주는 석발기를 제대로 가동하지 않은 탓이다.

지금은 쌀에 돌이 섞여 있는 경우는 거의 없다. 진짜 시골. 재래시장 노점에서 사는 경우가 아니라면...

이건 순전히 현대식으로 통합된 종합미곡처리장이 전국에 설치된 탓이 크다. 보릿고개의 해결과 함께 굉장한 성과라고 생각한다.


그렇긴 하지만 쌀은 꼭 씻어먹어야한다.

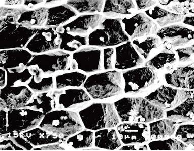
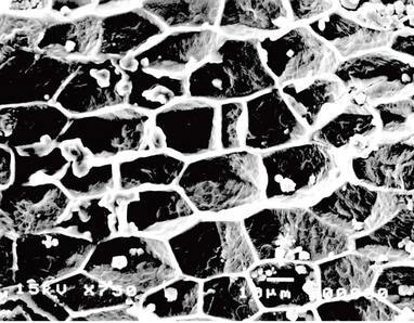
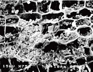
백미로 도정된 쌀 표면에는 기계먼지와 함께 미세한 쌀겨가 묻어있다. 쌀표면은 매끈해보여도 현미경으로 확대해보면 미세한 포켓이 있어 그 안에 먼지와 겨가 들어있는 형태다.

쌀에 물을 부으면 포켓에 들어있던 먼지와 겨가 물때문에 흘러나와 둥둥 떠다니게 된다. 물을 솔솔 따라내어 위에 뜬 먼지와 겨를 제거하면 끝. 누군 그때 쌀을 벅벅 문질러 씻어야 제대로 씻는 거라고 하는 사람도 있는데, 쌀에 물을 붓고 30초 정도 담가두거나 손으로 휘휘 저어주는 것만으로도 먼지는 전부 제거 될 수 있다.


일본에는 쌀씻는 과정을 없앤 무세미라는 쌀이 오래전에 발명출시된적이 있다. (1992년)

지금도 무세미는 많은 식당과 가정에 보급되어 사용중인데..

한국에도 씻어나온 쌀이라하여 무세미가 보급되어 있지만..

엄밀히 말하면 한국의 씻어나온 쌀은 일본의 무세미와는 약간 다르다. 진짜 물을 붓고 쌀을 씻는 수준이다.


집에서 밥을 지어먹을때 쌀씻기 과정을 통해 제거되는 먼지와 겨 양은 얼마 안된다.

그러나 대형식당에서 혹은 쌀가공공장에서 쌀을 씻을 경우에는 문제가 달라진다. 워낙 많은 양의 겨가 모여 하수로 흘러가기때문에 환경오염 유발원인이 된다.


즉석밥 공장에서는 당연히 폐수처리시설을 설치하여 처리하고 있지만.. 한국의 폐수처리 비용이 만만찮은 탓에 원가상승을 압박하고 있는 상황이다.


일본의 무세미 공정을 도입하면 어떨까?

무세미1.jpg
무세미3.jpg

일본의 무세미 공정은 가정에서처럼 물 넣고 쌀씻을때보다 물 사용량을 10%까지 줄일 수 있다고 한다.

그리고 최신 무세미 기술을 적용하면 아예 물을 사용하지 않고 씻은 쌀을 생산할 수 있다고도 한다.

각가정의 쌀씻는 물에서 나오는 폐수를 생각한다면. 또 처리비용을 생각한다면 무세미를 공장에서 만들어 파는 게 훨씬 환경보호에 좋은 것이 된다.


무세미1.jpg
무세미2.png
무세미 가공원리 (출처 : 일본 전국 무세미 협회, https://www.musenmai.com/)
무세미4.jpg
무세미3.jpg
무세미 표면의 잔류 겨층(왼쪽 : 처리전, 오른쪽 : 처리후)


농업도 쌀농업도 시대에 맞춰 변화할 필요가 있다.

keyword
매거진의 이전글밥을 맛있게 짓는 방법