brunch

유압에 관한 잡다한 이야기

by 송현

액체가 방향을 갖고 움직이거나 운동 에너지를 발산한다면 유체(流體; fluid)가 된다. 유체가 꼭 액체인 것만은 아니다. 공기나 증기도 흐름을 이룰 수 있으며 어딘가에 힘을 가할 수 있다. 이러한 작용이 일어나면 기체도 유체 지위를 획득한다.


유체의 에너지를 기계적 운동으로 변환하는 장치는 대표적으로 물을 이용한 수차(물레방아)와 공기의 흐름으로 돌아가는 풍차(바람개비)가 있다. 수차나 풍차의 역사는 기원전 6000년 메소포타미아로 거슬러 올라가지만 고대 유적에서 발견되는 잔해에 비해 거의 진화하지 않은 형태로, 무려 18세기까지도 무려 산업 현장에서 동력원으로 사용되었다. 19세기에 이르러서야 수차 또는 풍차는 획기적인 변신을 하면서 이름도 새롭게 명명되었으니, 일컬어 터빈(turbine)이라 한다. 터빈을 돌리는 유체가 물이면 수력터빈(water turbine), 증기면 증기터빈(steam turbine), 압축공기면 가스터빈(gas turbine)이다. 이들 수차나 풍차, 터빈의 공통점은 유체의 압력x속도, 즉 운동에너지를 기계의 회전력으로 변환하는 것이다. 수차의 경우 물의 낙차(落差)를 이용하니 위치에너지(potential energy)를 기계적 에너지로 변환한다고 표현할 수도 있겠다.

97488428.1.jpg 가스터빈 조립 광경


이와는 다르게, 유체의 운동량에는 관심 없이, 정지한 것이나 다름 없는 유체의 압력(壓力)을 기계적 힘으로 바꿔 이용할 방법을 찾았던 사람들이 있었다. 알렉산드리아의 크테시비우스(Ctesibius of Alexandria, BCE 285~222)로 알려진 그리스인이 그런 선구자였다. 이 분은 물시계도 만들고 피스톤 펌프도 발명했는데, 압권은 파이프 오르간이다. 중세 교회의 파이프 오르간의 원형이라 할만한 이 장치는 길이가 다른 여러 개의 파이프(피리)를 연주자가 키로 열고 닫으며 공기를 불어넣어 소리를 내는 악기였는데, 물의 압력을 이용하여 공기 압력을 일정하게 유지시켜주고 계속 펌프질을 하지 않아도 압축공기를 물 속에 저장할 수 있도록 하였다. 이것은 현대 유압 장치에서 공기 튜브를 이용해 유체의 압력을 저장하는 아큐뮬레이터(축압기, accumulator)와 완전히 같은 개념이다.


그리고 초등학생용 과학잡지에 단골로 등장하는 헤론(Heron, CE 10~70)의 유명한 자동문이 있다. 신전의 사제가 성화(聖火)를 지피면 물이 반쯤 차 있는 용기의 공기가 팽창하고, 팽창한 공기의 압력에 의해 물이 양동이로 넘어간다. 양동이가 점점 무거워지면서 도르래를 잡아당겨 신전 문이 열리게 된다. 불을 꺼서 공기가 수축하면 물을 누르는 압력이 떨어져 양동이의 물이 밀폐용기로 빨려들어가고 맨 왼쪽 추(counterweight)의 무게로 도르래가 반대방향으로 회전하며 신전 문이 닫힌다.

헤론의 자동문

잘 쓰이지는 않지만 공압을 유압으로 변환하여 배력(倍力)을 얻는 부스터 실린더(booster cylinder)가 헤론의 장치 밀폐용기와 원리상 다르지 않다.


유체의 운동에너지가 아닌 압력을 이용하는 데는 여러 제약이 있다. 압력 발생원(原) 자체가 하나의 기계장치니 쉽게 얻을 수 없는 것이 당연하다. 압력 저장용기와 작동기기는 물론이고 발생원으로터 그곳까지 이어진 파이프라인 모두 압력을 견디기에 충분하도록 견고해야 하며 절대로 누설이 있어서는 안된다. 이들 기기의 제작 정밀도도 다른 기계에 비해 대단히 높은 수준이다.


작동 유체가 기름이면 유압, 물이면 수압, 공기면 공압이다. 유압과 수압의 영어 표기는 둘 다 hydraulics인데 영어에서 hyd-라면 물을 뜻하므로 엄밀히 말해 유압에 쓸 수는 없다. 원래 물의 압력으로 작동하던 기계들을 기름으로 대체해 나가면서 따로 구분할 필요를 느끼지 않고 관용적으로 썼던 것 같다. 수압의 경우 내가 꼬마 엔지니어일 때 구닥다리 수압 프레스(hydraulic press)를 구경한 이후 삼십 몇년간 보지도 듣지도 못했다. 지금은 완전히 현장에서 완전히 축출되었으리라. 수압의 장점은 작동 유체를 아주 값싸게 얻을 수 있는 것 하나 뿐이고 모조리 단점 뿐이니 유압에 밀린 것이 당연하다. 기계 부식은 기본이고 온도가 올라가면 금세 수증기가 생기는데다 점도가 낮아 씰링(sealing)도 불리하다. 지금 hydraulics를 수압으로 번역하는 사람은 없을 것이다.


공압은 air가 아니라 pneumatics, pneumatic power다. 뉴매틱으로 읽는다. 컴프레서(compressor)로 공기를 압축하고 그 압축공기를 이용한다. 작동기기(actuator)는 주로 공압 실린더다. 구성 부품과 회로가 그닥 복잡하지 않아 똘똘한 신입사원이라면 일년도 안돼 웬만한건 뚝딱 설계 해낼 정도다. 사용상 또는 정비 측면의 어려움도 없고 컴프레서 한대로 공장 여러 설비의 공압기기를 커버할 수 있다. 그러나 결정적인 한계가 있으니, 압력이 매우 낮다는 것이다. 대기압보다는 몇배나 높은 압력이지만 유압에 비하자면 1/10~1/50에 불과하다. 등산로 초입의 먼지털이 바람 압력을 연상하면 쉬울 것이다. 가령 압력 5bar의 공압이라면 대기압의 5배인데, 이 압력으로 직경 100mm의 실린더를 움직이면 이 실린더가 들어올릴 수 있는 무게는 400 kg 정도다. 또한 공기는 보일의 법칙(Boyle's law)과 샤를의 법칙(Charles's law)에 지배받는 압축성 유체(compressible fluid)로서, 작동기기의 정확한 속도 제어가 불가능에 가깝다. 압력을 어느 이상 올리지 못하는 이유도 바로 이 압축성 때문이다.


그래서 이번 잡다한 이야기는 유압에 한정하도록 하겠다. '그래서'는 무슨 그래서인지 써 놓으니 좀 우습다.


유압의 기본은 파스칼의 원리(Pascal's principle)에서 출발한다. 유체 압력 전달 원리라고도 하며, 밀폐된 용기(및 관로) 속의 비압축성 유체에 가해진 압력은 용기(및 관로) 모든 지점에 동일한 크기로 전달된다는 원리다. 아래 그림을 보자.

화면 캡처 2023-06-28 232947.png 파스칼의 원리

기름이 가득 찬 두 개의 밀폐 용기가 파이프로 연결되어 있다. 단면적 A₁인 한쪽 용기 피스톤에 힘 F₁을 가하여 압력 P₁이 발생했다. 파스칼의 원리에 따라 이 압력은 두 용기와 관로 모든 지점에서 동일하다. 그러므로 단면적 A₂인 반대쪽 용기의 압력 P₂는 P₁과 같다. (P₂ = P₁)

압력은 힘÷단면적이다. 그렇다면 우리는 힘 F₁에 의해 A₂ 지점에 발생할 힘 F₂를 계산할 수 있다.

P₁ = F₁/A₁ = P₂

F₂ = P₂ x A₂ = F₁ x (A₂/A₁)

만일 A₂가 A₁의 2배라면 F₂도 F₁의 2배다. 만일 한 100배 된다면 어린 소녀가 아빠 차도 들어올릴 것이다. 다만 일(=힘x거리)도 양쪽 피스톤에서 동일하므로 차가 들어올려지는 높이의 100배만큼 A₁측 피스톤을 아래로 눌러야 한다.


이 원리를 발견한 블레즈 파스칼(Blaise Pascal, 1623~1662)은 경건한 수상록인 [팡세]의 작가로 우리에게 잘 알려져 있는, 프랑스의 수학자이자 과학자, 발명가, 철학자, 신학자다. 어려서 신동으로 소문난 것은 동서고금의 위인들과 다를 바 없지만 이분은 특별한 수재였다. 12살 때 누구의 지도도 받지 않고 삼각형의 내각의 합이 180도라는 것을 발견했고 16세에 사영기하학의 기초가 되는 파스칼의 정리를 증명했다. 당대의 천재 수학자 피에르 드 페르마와 교류하며 확률론 발전에 기여하기도 했다. 발명에도 재능이 있어 회계사인 아버지를 위해 톱니바퀴로 돌아가는 기계식 계산기를 개발했는데 이것이 인류 최초의 계산기인 '파스칼라인'이다. 나이 서른 이후에는 신학과 철학에 몰두하여 수많은 신앙 고백을 글로 써냈다. [팡세]는 파스칼의 사후(死後)에 유족과 친구들이 그의 글을 모아 펴 낸 책으로, '인간은 생각하는 갈대' 같은 명언으로 가득하다.

다운로드 (1).png 블레즈 파스칼(1623~1662)

범인들은 평생 한 분야만도 제대로 공부하고 책 한권 내기도 쉽지 않은데 그처럼 여러 분야에서 인류사에 남을 업적을 이룬 것을 보면 파스칼은 분명 천재이리라. 그러나 어떤 천재이기에 수학자도 되고 철학자도 되는지 궁금해진 당신이 타임머신을 타고 17세기 프랑스로 날아가 파스칼에게 "당신 본업이 뭐요?"라고 묻는다면, 내가 장담하건대 그는 당신의 질문을 이해조자 못할 것이다. 왜냐하면 기하학과 유체정역학, 진공 실험, 철학 저술, 신학 연구가 그에게는 별개의 지적(知的) 활동이 아니었기 때문이다.


서양 학문은 본래 우리가 사는 세계가 어떤 원리로 돌아가는지 고찰하는 데서 출발했다. 인간이 어떻게 살아야 하는지가 주된 관심사였던 동양 철학과는 출발점부터 다르다. 그렇기에 서양 지식계에서 수학과 과학은 철학의 방법론이었으며 철학에서 분리된 개념이 아니었다. 고대 그리스 때부터 수 많은 철학자가 수학자이기도, 과학자이기도 했다. 신의 말씀이 모든 것을 지배한 중세를 우리는 암흑 시대라고 표현하지만 그 시대에도 수학과 과학은 살아남았으며, 살아남는 정도가 아니라 필수 교양이었다. 한국에 와서 고생하는 단어 중의 하나인 '인문학'의 본래 의미만 봐도 그렇다. 브리태니커 백과사전의 liberal arts 항목을 보면 중세 유럽 대학에서 가르친 일곱가지 인문학 과정은 문법, 수사학, 논리학, 기하학, 대수학, 음악, 그리고 천문학이었다. 근대에 이르러 이들이 문학, 어학, 역사와 수학, 과학으로 변천하였으나 지식인의 필수 교양인 점은 달라지지 않았다. Science를 전문으로 하는 학자라는 의미의 scientist라는 단어가 만들어진 것은 과학의 역사를 놓고 보면 늦어도 한참 늦은 1835년, 지금으로부터 200년 전에 불과하다.


그러니 뉴턴(Isaac Newton, 1642~1726)이 스스로를 철학자로 인식한 것은 당연하다. 그가 힘과 운동을 연구하기보다 더 긴 세월을 신학 연구에 매진했다는 것은 잘 알려진 이야기다.(연금술 연구와 주식 투자에도 진심이었다.) 뉴턴이 고전물리학을 집대성한 17세기 최고의 명저 [프린키피아]는 제목을 줄여서 부르는 말이고 원제목은 [자연철학의 수학적 원리]다. 과학은 철학(natural philosophy)이었던 것이다. 뉴턴 물리학은 볼테르를 비롯한 계몽주의 철학자들을 열광시켰는데 이는 사변을 제거하고 수학적, 합리적, 경험적, 실험적 방법만으로 자연 현상, 나아가 사회를 설명하는 것이 가능하다는 믿음을 주었기 때문이다. 볼테르는 수학이 딸려 뉴턴의 법칙들을 다 이해하지는 못했지만 천상 문과생인 그도 과학을 별개의 세계관으로 보지 않았다.


수학과 과학이 철학과 별개의 분야로 분화된 현대에도 서양에서는 철학의 연장선에서 자연과학을 보고 자연과학의 관점으로 철학을 보는 통합적 지식인이 계속 배출되었다. 버트런드 러셀(1872~1970)은 논리학과 분석철학, 언어철학에 위대한 업적을 남긴 지식인이자 평화운동가였으나 읽은 사람이 거의 없는 난이도로 유명한 [수학의 원리](Principia Mathematica)를 집필한 수학자이기도 했다. [수학의 원리]의 공동저자인 알프레드 노스 화이트헤드(1861~1947) 역시 그 수학책만큼 어려운 철학 저술을 남긴 철학자였다. 러셀의 제자로서 20세기 최고의 철학자로 일컬어지는 루트비히 비트겐슈타인(1889~1951)은 항공기 엔진을 개발하고 관련 특허까지 보유한 공학도였다. 초등학생도 아는 음속의 단위 마하(mach)는 독일의 물리학자이자 과학철학의 대가 에른스트 마흐(1838~1916)의 이름에서 따왔다. 알베르트 아인슈타인조차 물리학자 못지 않게 진보적인 정치사상가이자 평화운동가였다. 아인슈타인이 프린스턴 고등연구소에서 일하는 보람은 그와 퇴근길을 같이 걷는 것이라 할 정도로 아낌없이 애정을 쏟았던 수학자이자 논리학자 쿠르트 괴델(1906~1978)은 말해 무엇하랴. 그야말로 셀 수가 없다.

godel_einstein.jpg 아인슈타인과 괴델


동양의 철학은 인간은 어떻게 살아야 하는가, 그리고 인민을 잘 통치하는 방법은 무엇인가가 주를 이루었다. 서양에도 도덕철학과 정치철학이 있긴 하지만 그들이 인간 이성의 본질과 인간-사회의 관계론에 천착하는 동안 동양에서는 오직 윤리학 일변도였다. 임금이 임금답고 부모가 부모답고 몸과 마음을 닦아 세상을 다스리면 사해가 평안할 것이다. 이 윤리학이 한반도로 유입되면서 이곳 사람들 특유의 근본주의 성향을 만나 종교화로 치달았다. 윤리학(유학) 외에는 모조리 선비가 할 짓이 아니었다. 조선왕조실록에 자주 나오는 장면인데, 국가적으로 어려운 문제에 봉착하여 임금이 신하들에게 내가 어떻게 했으면 좋겠소 물으면 신하들의 대답은 늘 똑같았다. 임금이 몸가짐을 바로 하고 학문에 힘쓰면 문제가 해결되리라는 것이다. 여기서 말하는 학문은 단 하나, 윤리학이었다. 통치는 우리가 할테니 왕은 책이나 보라는 정치적 레토릭일 수도 있으나 신하들끼리도 국가 정책의 성공과 실패로 정권이 갈린 적이 없이 오직 유교적 명분싸움으로 날을 지새웠으니 그냥 해본 말이 아니고 진심이었을 가능성이 크다.


학문을 보는 시각은 아직도 유학 근본주의와 별 차이가 없다. 한참 배울 시기인 고등학교 때부터 문, 이과를 나누고 그 이후 평생동안 문과생은 수포자의 다른 이름이고 이과는 인문 사회를 기피하는 현상이 벌어진다. 자기만 그러는게 아니라 과학자가 전공 분야 이외의 연구를 하거나 대중적인 교양서를 내면 돈벌이를 한다는 둥 벼라별 비웃음이 쏟아진다. 경제학자가 수필집을 내면 외도로 취급된다. 아마 이 부분은 근본주의 성향과 함께 한국인의 조급증과 국가주의가 한몫 하는것 같다. 자기 한길만 열심히 파고들어 학문적 성과를 내고 그로써 국가 발전에 이바지 해야지(나라를 위해 돈벌이를 해야지) 다른 공부로 시간 뺏겨서 되겠느냐는 것이다.


다행히 한국 사회도 80년대에 대학을 다닌 무식쟁이들이 점차 퇴진하면서 어느정도 촌스러움을 벗고 있다. 지식인들 사이에 학문적 크로스오버도 예전에 비해 활발해지고 그들을 보는 시각도 많이 부드러워졌다. 외도 취급이 아니라 통합적 지식인의 출현을 환영하는 분위기까지 감지되니, 앞날이 어둡지는 않다.

유체역학사(史)라기보다 유체역학으로 본 서양문화사가 맞을것이다.. 저자는 공학박사이자 현직 추진체 연구자다. 어렵지 않으니 일독(一讀)을 권한다.


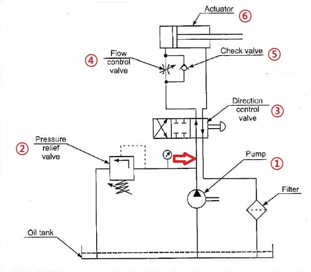
길게도 샜다. 이제 유압 이야기로 돌아가자. 간단한 유압 장치 도면을 하나 소개하겠다.

basic-hydraulic-circuit-diagram.jpg


이 회로도(diagram)는 유압 펌프(①)로 발생시킨 기름 압력으로 유압 실린더(⑥)를 작동시키는 장치 도면이다. 사실 현장에서 이만큼 간단한 회로는 찾기 힘들다. 기계 설계자는 딱 이런 회로도까지만 그리며 상세설계, 즉 제작도면은 유압 전문업체가 작성하여 주 설계자에게 제출하고 설계자는 이를 받아 배관도와 설치도면을 그리는 체계다.


펌프(①)는 앞의 글 펌프 이야기에서 언급했듯 피스톤 펌프나 기어펌프 등 용적식 펌프를 쓴다. 펌프가 발생시키는 압력은 아무리 낮아도 70 bar, 높으면 400 bar에 달한다.

압력 단위를 말하지 않을 수 없다. bar라는 것은 내가 익숙해서 쓰는 단위고 표준 SI 단위계에서는 파스칼(Pa)을 쓰도록 되어 있다. 말할 필요도 없이 블레즈 파스칼에 대한 경의의 표시로 탄생한 단위다. 1 Pa은 면적 1제곱미터당 1뉴턴(N)의 힘이 가해질 때의 압력으로, 실생활에서 느낄 일 없는 아주 작은 압력이다. 우리에게 친숙한 bar 단위를 Pa로 환산하면 1 bar = 100,000 Pa, 보통 쓰기로는 100 kPa(킬로파스칼) 또는 0.1 MPa(메가파스칼)이다. 그러므로 유압 펌프의 토출 압력은 낮아도 7 MPa, 높으면 40 MPa다.

기압을 말할 때 옛날에 학교 다녔던 분들은 단위를 밀리바(mbar)로 배웠을 것이다. 1기압(atm)은 1,013 밀리바로서 요즘 쓰는 단위로는 헥토파스칼(hPa)이다. 헥토는 100을 뜻하므로 1기압은 1,013 x 100 = 101,300 Pa(=101.3 kPa)인데 SI 단위 표준으로 킬로, 메가, 기가를 쓰지 않고 굳이 헥토를 쓰는 이유는 과거 사람들이 아는 밀리바와 숫자를 맞추기 위해서다. 2호 태풍 매미는 중심기압 94 킬로파스칼입니다 하면 어르신들이 어떻게 알아듣겠는가. 940 헥토파스칼이라고 해야 예전에 배웠던 940 밀리바로 받아들일 것이다.


유압 실린더(⑥)는 굴삭기 같은 건설장비에서 볼 수 있는 그 실린더다. 실린더에서 빠져 나오는, 크롬(Cr) 도금된 봉을 피스톤 로드(piston rod)라 한다. 실린더에서 로드가 빠져 나오는 쪽을 로드측(그림에서 오른쪽), 반대편 피스톤 뭉치 쪽을 헤드측(head side)라 한다. 헤드측에 유압이 공급되면 로드가 나오고 로드측에 압을 걸면 로드가 후퇴한다. 유압 작동기기(actuator)는 꼭 이렇게 직선운동을 실린더만 있는 건 아니다. 유압으로 회전하는 유압모터(hydraulic motor)도 있다.

파스칼의 원리에 따라 유압 실린더가 낼 수 있는 힘은 실린더 안지름에 유압을 곱한 값이다. 내경 100mm의 실린더 헤드측에 압력 10 Mpa이 걸리면 로드를 밀어내는 힘은 78,500 뉴턴, 우리에게 친숙한 kg 단위로는 약 8,000 kg이다.

20180315171128_zaxefwsa.jpg 유압 실린더(hydraulic cylinder)


릴리프 밸브(relief valve)(②)는 압력을 조정한다. 펌프에서 나오는 압력 그대로 쓰는 일은 별로 없고 보통 기기에 맞게 감압시켜서 쓴다. 필요한 압력만큼 릴리프 밸브를 세팅해 놓는 것인데, 밸브 내부적으로는 펌프 토출압이 설정압보다 높으면 릴리프가 열려 토출유량을 기름 탱크로 되돌린다. 릴리프가 열리는 순간 기기로 가는 배관 내 압력은 떨어지고 그러면 릴리프가 다시 닫힌다. 열리고 닫히는 타이밍이 마이크로초(秒) 단위로 짧기 때문에 압력의 맥동을 거의 느끼지 못하고 항상 설정압력을 유지하게 된다.

릴리프 밸브와는 정반대 동작으로 압력을 조정하는 밸브도 있다. 감압밸브(pressure reducing valve)라 하는 것으로, 라인 유압이 설정압력보다 높으면 밸브가 닫히고 떨어지면 열린다. 감압밸브를 쓸 경우는 위 도면에서 붉은색 화살표 자리에 설치해야 한다. 릴리프 밸브와 감압밸브를 동시에 쓰는 경우도 있다.


방향전환 밸브(directional control valve)(③)는 기름의 방향을 바꿔준다. 도면에서 밸브 기호 안에 있는 화살표를 보시라. 현재는 실린더 헤드측으로 기름이 들어가게 되어 있다. 밸브를 한피치 오른쪽으로 이동시키면 현재 위치의 바로 왼쪽 포지션이 라인으로 오게 된다. 이 포지션에서는 들어오고 나가는 모든 구멍이 막힌다. 한피치 더 오른쪽으로 이동시키면 처음과는 반대로 화살표가 그려져 있고 기름은 실린더 로드측으로 들어가게 된다.

방향전환 밸브는 수동도 있지만 보통은 솔레노이드(soleniod)라 하는 유도 코일을 써서 전기적으로 움직이게 한다. 그래서 이 밸브를 현장에서는 솔레노이드 밸브라 부른다.

솔레노이드는 예전 과학탐구 영역에서 배웠던, 흔히 오른나사 법칙이라 하는 앙페르의 법칙(Ampère's law)을 떠올리면 된다. 원통형으로 감은 전기 코일에 전류를 흘리면 코일 내부에서 자기장이 형성된다는 법칙이다.

화면 캡처 2023-07-03 205319.png

이 코일 안쪽에 영구자석을 집어넣으면 어떻게 될까? 전기에 의해 형성된 자기장의 S-N극은 전류 방향에 따라 영구자석을 밀기도 당기기도 할 것이다. 이 영구자석에 밸브 스풀(spool)을 연결하면 솔레노이드의 힘으로 스풀을 밀고 당겨 유체의 방향을 절환할 수 있다.


플로우 컨트롤 밸브(flow control valve)(④)는 실린더에 공급되는 유량을 조절하여 로드의 전후진 속도를 컨트롤한다. 보통 유체를 한 방향으로만 흐르게 하는 첵 밸브(check valve)(⑤)와 한 쌍으로 조합하고 아예 한 몸체 안에 플로우 컨트롤 밸브와 첵 밸브를 집어넣은 모듈형도 있다. 위 도면은 실린더 헤드측에만 플로우 컨트롤 밸브가 배치했는데 보통 이런 식으로는 하지 않는다. 도면을 잘 보면 헤드측에 유량이 공급될 때는 오직 기름이 플로우 컨트롤 밸브만 통과한다. 분기된 라인이 첵 밸브로 막혀 있기 때문이다. 방향이 바뀌에 로드측으로 기름이 들어가면 헤드측의 기름은 아무런 저항 없이 빠져나가 피스톤이 매우 빠른 속도로 후퇴할 것이다. 진짜 이렇게는 설계하지 않는다.


나는 기계 엔지니어의 초년부터 7,8년 유압을 그아말로 가지고 놀았다. 유압은 설계보다도 제작, 설치까지 다 된 뒤, 시운전 시점에 숱한 트러블을 해결하면서 실력이 는다. 제철소의 주설비 시운전을 하고 나면 유압 박사들이 여럿 탄생한다. 그러나 직장을 이리 저리 옮기면서 유압과는 상관 없는 기계류를 20년 가까이 다루다가 어떤 계기로 원래 하던 분야로 돌아왔는데, 이럴수가, 유압을 떠나 있던 그 사이에 모든게 달라져 있었다. 20년만에 다시 접한 유압계는 내가 들어보지도 못한 밸브가 곳곳에 쓰이고 있었고 그 밸브들은 내가 그토록 힘들어했던 문제들을 커버하고 있었다. 유압 라인 구성이 달라져 있었고 생소한 용어와 새로운 시운전 방법이 고참 엔지니어를 괴롭히는데, 어쩔 수 없는 일이다. 다행히 좋은 동료와 후배들을 만나 어렵지 않게 여러 문제들을 해결했으니 행운이라 하겠다.


끝으로, 유압을 이용한 배력(倍力) 시스템에 대한 이야기다. 힘을 배(倍)로 키워 준다고 배력장치인데, 자동차의 브레이크 부스터와 조향장치가 그런 것들이다.

조향(steering) 장치는 앞바퀴를 틀어 차의 방향을 바꾸고 조정하는 장치다. 태초에는 단순한 랙-피니언 장치로서 핸들을 돌리면 핸들 축 말단의 톱니바퀴(pinion)가 직선 톱니바퀴(rack)파여진 조향축을 좌우로 미는 방식이었다. 고장 날 일이 없는 단순무식한 구조다. 문제는 핸들 돌리기가 힘이 들고 특히 차량이 정지해 있을 때는 온 힘을 다해서 돌려야 했다. 지금 나이 50대 후반 이상은 파워가 아닌 스티어링 차량을 경험해 보셨을 것이다.


지금은 전동식 스티어링이 대세인것 같지만 최근까지도 많이 쓰였고 카니발 같은 차는 아직도 채택하고 있는 방식이 유압식 파워 스티어링(hydaulic power steering)이다. 차량 엔진에 파워펌프라 하는 조그만 펌프가 붙어서 벨트로 돌아가는데 이것이 일종의 유압펌프다. 이 펌프를 돌리는 벨트가 끊어지면 파워스티어링은 작동하지 않고 무식한 기계식 조향장치가 되어버린다. 운전자가 핸들을 돌리면 핸들축 말단의 피니언이 조향축 랙을 좌우로 미는 것은 기계식과 같으나 핸들 축 중간에 유압 밸브가 구성되는 점이 다르다.

화면 캡처 2023-07-03 224245.png

핸들을 돌리면 펌프에서 발생한 유압을 로터리 컨트롤 밸브라는 방향전환 밸브가 유압을 조향축으로 보내주고 이 유압이 사람 힘으로 돌리는 것보다 훨씬 큰 힘으로 조향축을 밀고 당긴다.


파워 스티어링 장치처럼 유압을 이용한 배력 시스템으로 최근 많은 연구가 이루어지는 분야가 웨어러블 로봇(wearable robot)이다. 아이언맨 슈트처럼 사람이 착용하고 사람의 동작에 따라 로봇이 동작하도록 하는 시스템이다. 유압 펌프가 있고 사람의 동작에 정확히 비례하여 유압 밸브가 열리고 유압 액추에이터에 정확히 유압이 공급될 수 있다면 착용자는 기계를 작동시킨다는 의식 없이 자연스런 동작이 가능할 것이다. 마치 운전자가 핸들 돌리는 힘으로 조향을 한다고 착각하는 것처럼.

하지마비 환자용 웨어러블 로봇. 등에 진 것이 유압유닛과 제어장치다.


keyword
매거진의 이전글용접에 관한 잡다한 이야기_3