색칠공부를 시작하다

System definition & Marked up P&ID

by 시아파파

스케줄과 인력 계획이 완성되고 본격적인 공정 스터디에 들어갔다. 첫번째로 PFD를 보며 흐름을 파악했다. 각 유체 별로 다른 색 펜으로 칠해가며 원료가 어떤 기계를 거쳐 어떤 반응을 통해 어떤 제품을 생산해 내는지 알아가는 것이다. 한번 보면 잊어버릴 수 있기 때문에 여러 장의 PFD를 A4 용지 한 장에 그려보았다. 그러면 나중에 이 한 장만 보면 흐름이 한눈에 파악됐다. 꼭 직접 그려봐야 기억에 더 남는다.


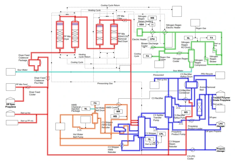
펜으로 그려가며 공정 흐름을 파악하고 드디어 System definition 작업을 시작했다. System definition이란 P&ID 및 각종 도면 상에 기능, 규모 등을 고려하여 적당히 구분하고 표시하여 System을 생성시키는 것을 말한다.


쉽게 이야기하자면 동그란 피자를 조각으로 나누는 것처럼 큰 공장을 구역별로 나누는 것을 의미한다.

그럼 나누는 기준은 무엇일까? 나누는 기준은 피자를 나누는 것처럼 비슷한 면적으로 나누는 것이 아니라 비슷한 기능을 하는 부분을 묶어 나가는 것이다. 예를 들어 원료가 들어오고 드럼에 담기고 필터를 거쳐 펌프로 들어가 반응기로 이동한다면 반응기로 들어가기 전까지는 원료에 대한 내용만 담고 있기에 하나의 system으로 보는 것이다.


System을 나누는 방법은 알겠는데 그럼 왜 System을 나눌까? 다시 피자로 예를 들어보자. 만약 세 사람이 피자를 먹는데 나누지 않고 큰 피자를 다같이 들고 먹는다면 어떨까? 먹기 힘들 뿐 아니라 누가 얼마나 먹었는지도 알 수가 없다. 공장 건설할 때도 마찬가지다. 한눈에 들어오지도 않는 큰 공장을 누가 어디서 어떤 작업을 했는지 쉽게 알기 위해서는 적당한 구역으로 나누어 관리해야 한다. 그래야 각 system에 대한 우선순위를 정할 수 있고, 각 구역에 어떤 작업들이 남았는지 확인할 수 있다.


이 작업은 시운전 작업 중에서 가장 중요한 작업이다. 그 이유는 이렇게 나눈 System은 시운전 팀만 사용하는 것이 아니라 프로젝트 모든 사람들이 이용하기 때문이다. System 안에 시운전 작업이 어떤 것들이 있고, 얼마나 있는지 기록하지만 공사팀이 진행하는 업무도 이 System 안에 다 포함시킨다. 특히 주인에게 공장을 넘겨줄 때도 system 단위로 넘겨준다. 한꺼번에 넘기면 주인도 확인하기 힘들기 때문에 system 단위로 확인하고 완료를 확정지어 준다.


이렇게 system definition 작업을 완료하고 본격적으로 색칠 공부에 들어갔다. 색칠공부? 위에서도 PFD에 색을 칠하며 공부한다고 했는데 또 색칠공부를 해야 한다고? PFD는 대략적인 흐름만 보여주는 도면이다. 이제 자세하게 표현되어 있는 P&ID에 system 별로 색을 입히는 작업을 해야 했다. 이 P&ID가 실질적인 프로젝트의 지도인 것이다. PFD에는 표현되지 않은 배관, 계장 모든 것이 P&ID에 표시되어 있기 때문이다.

Marked up PFD - 각 system 별로 다른 색으로 구분

이 작업은 혼자서 무리였다. 몇 백장이나 되는 P&ID를 혼자서 아무리 칠해봐야 20장 넘기기가 힘들었다. 하루종일 앉아 도면만 보다 보니 고개를 들어 다른 곳을 바라보면 머리가 핑 돌았다. 형광펜도 계속 잡고 있으니 손가락도 얼마나 아프던지. 결국 팀장님께 SOS를 요청했고, 현장에서 복귀한 후배 한 명과 같이 하게 되었다. 하지만 하루종일 색칠공부만 할 수는 없었다. 미팅도 가야 하고, 절차서도 작성해야 하고 할 일이 산더미였다. 두 명으로는 감당이 안되었다. 팀장님께 두번째 SOS. 엔지니어를 더 투입할 수가 없으니 아르바이트 생을 뽑아 달라고 했다. 하지만 예산에 잡혀 있지 않은 추가 비용은 승인받기가 무척 어려웠다. 왜 필요한지, 몇 명이나 필요한지, 얼마나 필요한지 정량적으로 설명해야 했기 때문이다. 설득시키지 못하면 둘이서 이 모든 일을 다 해야 했다. 다행히도 프로젝트 팀에서도 일의 양을 이해하고 아르바이트 생 뽑는 것을 승인해 주었다.


총 3명, 2달 동안 열심히 색칠 공부를 했다. 대학생이었던 이 친구들에게 맛있는 것도 사주고, 선배로서 취업에 관한 조언도 많이 해 주었다. 나와 후배가 손으로 칠한 P&ID를 아르바이트생들에게 주고 PDF파일로 되어 있는 P&ID에 똑같이 그리게 했다. 이 문서는 발주처에게 공식적으로 제출하고 각 부서에도 전달했다. 하지만 한번 한다고 끝이 아니었다. P&ID가 계속해서 수정될 때마다 우리도 고쳐나가야 했다. 무한 반복이었다. 특히 이 작업은 본사에서 뿐 아니라 나중에 현장에 나가서도 계속되었다. P&ID가 계속 바뀌었으니까(현재는 PFD파일에 직접 표시하지 않고 Marked up 하는 프로그램을 개발해서 사용하고 있다. P&ID가 바뀌어도 표시해 놓은 것을 그대로 옮길 수 있어 편해졌다. 하지만 처음에 작업하는 것은 PFD파일에 표시하는 것과 거의 다르지 않다).


2달은 정말 금방 지나갔다. 아르바이트생들도 이제 손에 일이 익어 점점 속도가 빨라졌는데 아쉽게도 일은 거의 마무리가 되어갔다. 아르바이트가 끝나고 나서도 이 친구들과는 가끔씩 만났다. 취업을 준비하고 있어서 힘내라고 맛있는 것도 사주고, 취업에 성공한 친구에게는 선물도 주고. 지금은 연락이 끊겼지만 어딘가에서 멋지게 일을 하고 있을 것 같다.




이전 02화혼자 프로젝트를 맡다